В настоящее время в персональных компьютерах устанавливают в основном вентиляторы, имеющие четырёхконтактный разъём и ШИ-управление (PWM). Скоростью оборотов крыльчатки управляет системная плата сигналами в виде импульсной последовательности с изменяющейся скважностью. Однако может возникнуть потребность в автономном терморегуляторе, его конструкция и представлена в статье.
Известно, что основной задачей любого терморегулятора является снижение или поддержание температуры объекта на заданном уровне. Обычно кулеры, применяющиеся в персональных компьютерах (ПК), состоят из вентилятора, теплоотвода и элементов крепления. Вентилятор, обдувая теплоотвод, обеспечивает процесс принудительной конвекции, который более эффективен, чем естественный отвод тепла с помощью конвекции и излучения. Кулер становится намного производительнее, и температура охлаждаемого объекта может снизиться в несколько раз в зависимости от производительности вентилятора.
В ряде случаев вентилятор могут заменить тепловые трубки, но они лишь снижают температуру объекта и не поддерживают её на заданном уровне, поскольку для этого необходимо введение обратной связи (ОС), т. е. автоматическое регулирование. Поэтому в данной статье речь пойдёт об автоматическом терморегуляторе с ОС.
Электронный терморегулятор изменяет скорость вращения крыльчатки вентилятора, реагируя на изменения температуры контролируемого объекта. Так при низкой температуре вентилятор может быть вообще отключён или будет работать настолько тихо, что его не будет слышно. По числу штырей (коннекторов) в соединительных разъёмах вентиляторы разделяют на 2-pin, 3-pin и 4-pin (pin, англ., - штырь). На современных системных (материнских) платах установлены, как правило, 4-pin разъёмы. Разъёмы 3-pin, а тем более 2-pin, уже доживают свой недолгий век. Вентиляторы 4-pin являются более совершенными уже потому, что при их управлении скоростью вращения крыльчатки используют метод широтно-импульсной модуляции (англ. - PWM), что обеспечивает более высокий КПД и импульсное управление через имеющийся контакт Control (PWM).
Такое управление позволяет вводить новые технологии снижения шума крыльчатки. Её обороты выставляются программно в зависимости от температуры встроенного в процессор (или в процессоры) диода, ТКН которого на прямой ветви ВАХ линейно зависит от температуры нагрева процессора. Управление производится через настройку соответствующих опций в BIOS. Названия разные - Smart Fan, Quiet Fan и т. д. Существуют и специальные программы управления вентилятором под Windows, доступные для скачивания.
Подобная технология была бы полезна, например, и при управлении оборотами вентилятора, установленного в блоке питания ПК. Фирмами выпускаются 3-pin вентиляторы с выведенными на удлинительных проводах датчиками - NTC-терморезисторами, но линейность управления вызывает сомнение. Поэтому автором был разработан терморегулятор для 4-pin вентилятора с ШИ-управлением и линейной зависимостью оборотов крыльчатки от температуры нагрева объекта. Он установлен на теплоотводе для выпрямительных диодов в блоке питания настольного ПК. Ничто не мешает применить такой регулятор с вентилятором в других электронных устройствах для снижения температуры охлаждаемого объекта на заданном уровне (различных БП, УМЗЧ и т. д.).

Рис. 1. Схема терморегулятора
Схема терморегулятора приведена на рис. 1. Он собран на микросхеме TL084CN [1] и транзисторе КТ814Б. Микросхема содержит четыре ОУ. На ОУ DA1.1 и DA1.2 микросхемы собран генератор треугольных импульсов частотой 20 кГц и размахом около 6 В. Его схема, взятая за основу и упрощённая, в русском переводе из британского "Wireless World", опубликована в журнале "Радио" [2].
Двухполюсник на транзисторе VT1 структуры p-n-p и резистивном делителе R7R8 образует аналог последовательной цепи полупроводниковых диодов с суммарным прямым падением напряжения около 6 В. Падение напряжения задано соотношением сопротивлений делителя и определяется как UfeVT1-(R7 + R8)/R7. Такое схемное решение позволяет закрепить датчик температуры VT1 на теплоотводе без изолирующей подложки и получить достаточно большое линейное изменение падения напряжения на двухполюснике от температуры. Рабочий ток транзистора задан резистором R4.
ОУ DA1.3 усиливает напряжение с выхода термодатчика в пять раз. Коэффициент усиления задан отношением сопротивлений резисторов R11 и R6. Положение движка подстроечного резистора R3 задаёт начальное напряжение на выходе ОУ (вывод 14) для работы терморегулятора по выбранному алгоритму, о котором будет сказано ниже.
Это напряжение поступает на инвертирующий вход (вывод 9) ОУ DA1.4, который включён как компаратор. На неинвертирующий вход (вывод 10) ОУ DA1.4 поступает напряжение треугольной формы с выхода генератора (вывод 7 DA1.2). Именно необходимость применения компаратора определила выбор микросхемы серии TL084, ОУ которой имеютскорость нарастания (Slew rate) выходного напряжения не менее 16 В/мкс [1]. На выходе компаратора (вывод 8 ОУ DA1.4) формируются прямоугольные импульсы частотой 20 кГц с крутыми фронтами, скважность которых зависит от начального и изменяющегося от температуры напряжения на выходе ОУ D1.3. C ростом температуры длительность импульсов увеличивается при неизменной частоте, и наоборот. Если эти импульсы подать на вход Control (PWM) электродвигателя вентилятора, то получим ШИМ, зависящую от температуры. Для совместимости логических уровней импульсов выходного напряжения ОУ DA1.4 (+1,5... + 10 В) и допустимого напряжения на входе Control (PWM) вентилятора (0...+5 В) установлены стабилитрон VD1 и резистор R12.

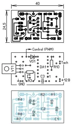
Рис. 2. Чертёж печатной платы терморегулятора и расположение элементов
Чертёж печатной платы терморегулятора и расположение элементов приведены на рис. 2. Микросхема TL084CN - в корпусе DIP-14. Выбор типа подстроечного резистора R3 зависит от выбора свободного места на теплоотводе для крепления транзистора КТ814Б винтом М3 и удобства доступа наконечника отвёртки к движку, в данном случае применён резистор СП3-19б. Резистор R10 - выводной, остальные элементы могут быть как выводными, так и поверхностно монтируемыми, для этого на плате имеются продублированные контактные площадки. На рис. 2 показан чертёж размещения поверхностно монтируемых элементов на плате. Конденсаторы - керамические или плёночные. Возможно, что при креплении транзистора КТ814Б потребуется перевернуть его корпус на 180о металлической подложкой к теплоотводу. Чертёж печатной платы с такой установкой транзистора имеется по адресу, указанному редакцией в конце статьи. На рис. 3 и рис. 4 приведены фото собранной печатной платы.

Рис. 3. Печатная плата в сборе

Рис.4. Печатная плата в сборе
Как правило, штатный разъём вентилятора имеет достаточно длинные соединительные провода. Для подключения терморегулятора их можно разделить кусачками, например, на равные по длине отрезки, и запаять на соответствующих контактных площадках платы. При этом способе в качествеXS1 задействована штатная розетка, что весьма удобно. В авторском варианте она подключена к штыревому разъёму Chassis Fan Connector на системной плате ПК. Подсчёт импульсов с выхода Tach (см. рис. 1) тахогенератора двигателя, помимо БИОСа, в Windows ведётся программой CPUID HWMonitor и выводится в виде числа оборотов в минуту.
Налаживание регулятора несложно. Движком подстроечного резистора R3 устанавливают начальные обороты крыльчатки при холодном теплоотводе. Можно установить другой алгоритм - задать движком температурную точку начала увеличения оборотов. Резистор R11 определяет крутизну изменения скорости вращения от изменения температуры нагрева и выход на максимальные обороты. В зависимости от производительности вентилятора эту характеристику необходимо подобрать, изменяя сопротивление резистора в ту или иную сторону, вплоть от нулевого значения до нескольких МОм.
При наличии помех по цепям питания ОУ они будут проникать в делитель R1R2 и могут исказить форму вершин треугольного напряжения на выходе генератора. Наличие искажений можно заметить с помощью осциллографа. В этом случае к делителю следует подключить дополнительный керамический конденсатор С3 ёмкостью 0,01 мкФ. На схеме и расположении элементов он показан с пунктирными выводами.
Чертежи печатной платы в форматах Sprint LayOut 5.0 и TIFF размещены здесь.
Литература
1. TL084, TL084A, TL084B General purpose JFET quad operational amplifiers. - URL: https://www.st.com/resource/en/datasheet/ CD00000493.pdf (12.02.20).
2. Преобразователь ёмкость - напряжение. - Радио, 1984, № 10, с. 61.
Автор: С. Глибин, г. Москва
