В связи с широким распространением цифрового телевидения у многих владельцев ресиверов возникала и возникает потребность управления им из соседней комнаты, поскольку в каждой комнате или в комнате и кухне были и остаются (особенно после отключения аналогового телевидения) мониторы или аналоговые телевизоры. Чтобы не приобретать второй ресивер (приставку), можно использовать следующие способы дистанционного управления первым и единственным. Они возможны при условии, что ресивер имеет два параллельно работающих выхода, например, цифровой (HDMI) и аналоговый (RCA или SCART), или один аналоговый, и использовать разветвители видео- и аудиосигналов.
В настоящее время имеются различные способы для решения указанной задачи. Оптический способ "на скорую руку". Его можно применить, если имеется возможность приобрести отрезок оптического кабеля, желательно с несколькими волокнами. Надо проложить такой кабель через стенку или вдоль неё в удобном месте и рас-положить один его торец напротив приёмного окна ресивера (на расстоянии 50...100 мм), изогнув кабель полукругом и закрепив относительно ресивера скотчем. Второй конец кабеля располагают в другой комнате в месте, из которого удобно управлять с помощью ИК ПДУ на небольшом расстоянии до него, ориентировочно 100...200 мм. На конец кабеля надо надеть небольшой конус с углом около 30о, отражающий ИК-лучи. Для изготовления конуса подойдёт алюминиевая фольга, его крепят на торце кабеля с помощью ниток и клея, с расположением торца в вершине конуса.
Второй - электронный способ используют в случае, если владелец является радиолюбителем, предпочитающим сделать простейший малогабаритный усилитель сигналов приёмного фототранзистора ИК-диапазона. Схема усилителя показана на рис. 1. Сигнал ИК ПДУ принимает фототранзистор VT1 и преобразует его в электрические импульсы, которые усиливают транзисторы VT2 и VT3. В эмиттерную цепь транзистора VT3 включён излучающий ИК-диод, который размещают напротив окна приёмного ИК-модуля ресивера.

Рис. 1. Схема усилителя
Питание усилителя удобно взять от USB-гнезда ресивера напрямую или через типовой USB-разветвитель, чтобы сохранить возможность подключения устройств записи и воспроизведения. Плата размещена в пластмассовом корпусе подходящего размера. Авторский комплект, сделанный "на скорую руку", показан на рис. 2. Фототранзистор VT1 может быть расположен таким же образом и с таким же конусом, как и при оптическом способе. Для соединения фототранзистора с платой усилителя удобно использовать современный телефонный кабель.

Рис. 2. Авторский комплект устройства
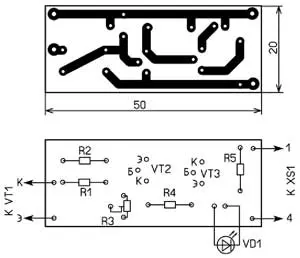
Чертёж платы усилителя показан на рис. 3. Для её изготовления использован односторонний фольгиро-ванный стеклотекстолит толщиной 1...1,5 мм. Применены постоянные резисторы МЛМ, С2-23, подстроечный - СП3-19 или другой малогабаритный, желательно многооборотный. Транзистор КТ209В можно заменить транзистором серий КТ208, КТ361, КТ3107, а транзистор КТ3102В - транзистором серии КТ315. Коэффициент передачи тока транзистора должен транзистор и излучающий диод могут быть другими, рассчитанными на длину ИК-волны 950 нм.

Рис. 3. Чертёж платы усилителя
Налаживание усилителя проводят с помощью подстроечного резистора R3 с постоянным контролем напряжения на резисторе R5. Движок резистора R3 плавно перемещают снизу вверх по схеме до момента, когда напряжение на резисторе R5 будет 0,2...0,3 В, т. е. через излучающий иК-диод VD1 будет протекать ток 2...3мА.
Автор: А. Васильев, г. Санкт-Петербург
