Для проверки работоспособности и тестирования проблемных персональных компьютеров использовался устаревший компьютерный ЖК-монитор Acer AL1716, выпущенный в 2006 г. Встроенного УМЗЧ с динамическими головками в нём не было, поэтому к проверяемому компьютеру приходилось подключать какой-либо усилитель ЗЧ. Чтобы сэкономить место на рабочем столе, было решено встроить в монитор несложный двухканальный УМЗЧ.
Для разборки монитора нужно вывинтить четыре винта М4, которыми прикреплена настольная подставка, затем разъединить переднюю и заднюю крышки, которые фиксируются защёлками, после чего, выкрутив четыре винта с боков, отсоединить металлическое шасси-экран от металлического корпуса ЖК-матрицы (не повредите гнездо для подключения широкого сигнального шлейфа, которым ЖК-матрица подключается к блоку управления!). При осмотре импульсного блока питания выяснилось, что на его выходе имеются два напряжения постоянного тока: +5 В и +12 В. Первое используется для питания управляющих и сигнальных цепей, второе поступает на повышающие преобразователи напряжения для питания ламп подсветки ЖК-матрицы. Для питания УМЗЧ было решено использовать напряжение +12 В, под него и был изготовлен модуль предлагаемого двухканального УМЗЧ.
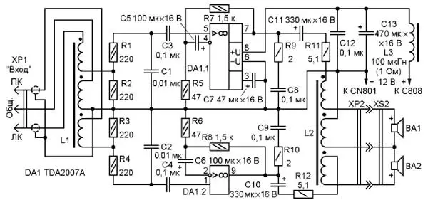
Схема встраиваемого УМЗЧ показана на рис. 1. Его вход - вилку XP1 подключают к источнику стереосигнала - выходу звуковой карты компьютера или иному звуковоспроизводящему оборудованию. Входное сопротивление усилителя выбрано относительно низким, около 220 Ом, задаётся резисторами R2, R3. Это необходимо для того, чтобы снизить чувствительность УМЗЧ к помехам и фоновым наводкам, особенно в случае, когда вход УМЗЧ остаётся неподключённым.

Рис. 1. Схема встраиваемого УМЗЧ
Интегральная микросхема TDA2007A (DA1) производства фирмы STMicro-electronics представляет собой двухканальный усилитель мощности ЗЧ с однополярным питанием [1]. Максимальная выходная мощность - 2x6 Вт, коэффициент гармоник - около 0,1 % при выходной мощности 3 Вт, рабочий интервал напряжения питания - 8...26 В. На входы микросхемы стереосигнал поступает через RC-фильтры R1C1 и R4C2. Коэффициент усиления каналов микросхемы по напряжению зависит от отношения сопротивления резисторов R7/R5 и R8/R6 (чем меньше сопротивление резисторов R5, R6, тем выше чувствительность УМЗЧ). Демпфирующие цепи R9C8 и R10C9 предотвращают самовозбуждение микросхемы на ультразвуковых частотах.
Стереосигнал с выходов УМЗЧ поступает на динамические головки BA1, BA2 через разделительные конденсаторы C10, C11, ограничительные резисторы R11, R12 и трёхобмоточный дроссель L2. Питается микросхема DA1 напряжением +12 В через LC-фильтр L3C12C13. Дроссель L3 также выполняет функцию предохранителя.
Все детали УМЗЧ, за исключением динамических головок, трёхобмоточных дросселей и разъёмных соединителей, смонтированы на плате размерами 75x21 мм (рис. 2), монтаж - двухсторонний навесной.

Рис. 2. Монтажная плата
При доработке монитора пришлось решать несколько задач. Первая заключалась в том, что внутри корпуса, в отличие от конструкции [2], не нашлось удобного места для изготовленного модуля УМЗЧ. Поэтому его пришлось установить на монтажной плате блока питания (БП), найдя для него единственное приемлемое место вверху (рис. 3). При этом детали усилителя необходимо было разместить на монтажной плате таким образом, чтобы её установке на это место не мешали элементы БП. Вторая проблема была в том, что в корпусе монитора также не нашлось места для размещения даже миниатюрных динамических головок, поэтому они были установлены в нише мониторной подставки (рис. 4). При необходимости их можно отключить, подсоединив к XP2 через переходник головные телефоны или акустические системы более высокого качества.

Рис. 3. Монтажная плата и БП

Рис. 4. Динамические головки
Для УМЗЧ подойдут любые малогабаритные резисторы общего применения, например, С1-14, С2-14, С1-4, МЛТ, а также миниатюрные для поверхностного монтажа (SMD). Оксидные конденсаторы - малогабаритные импортные, остальные - керамические, например К10-50, в том числе для поверхностного монтажа. SMD-элементы приклеены к монтажной плате цианакриловым клеем.
Для охлаждения микросхемы TDA2007A к ней привинчен небольшой теплоотвод, согнутый из полоски листового (толщиной 0,8 мм) алюмиевого сплава шириной 7 мм (работа микросхемы без теплоотвода не допускается). Микросхема и её выводы дополнительно зафиксированы на плате клеем БФ. Возможная замена -TDA2007. При покупке в розничной торговле микросхем УМЗЧ средней мощности будьте готовы к тому, что многие из них могут оказаться неисправными или перемаркированными некачественными подделками (обычно выпуска 1997- 2003 гг.). Поскольку паяные микросхемы назад не принимают, используйте при тестировании микросхемную розетку (панель) с металлизированными отверстиями.
Дроссели L1 и L2 содержат по несколько витков сложенного втрое монтажного провода на кольцах диаметром 16...22 мм из низкочастотного феррита. На готовые дроссели надеты термоусаживаемые трубки, входная вилка подключена экранированным проводом (для упрощения монтажа им же намотан дроссель L1). Дроссель L3 - промышленного изготовления с H-образным ферритовым магнитопроводом, сопротивление обмотки должно быть 1...1,5 Ом.
Общий провод УМЗЧ подсоединён к блоку питания мониторав одной точке - возле гнезда CN801. Теплоотводящий фланец микросхемы изолирован от металлических экранов монитора. Напряжение питания +12 В снимается с конденсатора фильтра C808 (1000 мкФ, 25 В; установлен непосредственно после диодного выпрямителя D803). В режиме молчания усилитель потребляет ток около 60 мА, при максимальной громкости - примерно 250 мА.
Динамические головки BA1, BA2 - HB2016 (отстарого ноутбука). Сопротивление их обмотки - 4 Ом, мощность - 2 Вт (постарайтесь не перепутать выводы головок при подключении к дросселю L2). От этого же аппарата применены круглые декоративные металлические решётки, которые вплавлены в подставку монитора мощным паяльником. Звучание таких головок посредственное ("ноутбучное"), поэтому, если хотите большего, поэкспериментируйте с "тонкими" динамическими головками , у которых диффузор имеет больший размер. При использовании головок сопротивлением 8 Ом или более резисторы R11, R12 можно заменить перемычками.
При монтаже модуля УМЗЧ учитывайте, что на плате БП монитора имеется как опасное сетевое, так и высокое напряжение для питания ламп подсветки ЖК-матрицы. Не проверяйте работоспособность УМЗЧ, не подключив эти лампы, иначе возможно повреждение импульсных трансформаторов даже при исправной защите. В компьютерных ЖК-мониторах модели Acer AL1716 есть заводская недоработка - перегрев линейного стабилизатора U101 (входное напряжение - 5, выходное - 1,8 В). Если этот стабилизатор ещё "жив", припаяйте к нему дополнительный теплоотвод, а если уже неисправен, но монитор пока ещё нормально функционирует, замените его более мощным исправным стабилизатором, например LM1086IT-1.8.
Если в мониторе, который вы собираетесь "озвучить", узлы подсветки питаются более высоким напряжением, например, 15...24 В, то в УМЗЧ используйте конденсаторы с номинальным напряжением не ниже 35 В, а для охлаждения микросхемы DA1 - более эффективный теплоотвод. Не пытайтесь получить от микросхемы УМЗЧ максимальную выходную мощность, на которую она способна, поскольку возможности мониторного БП ограничены.
Литература
1. TDA2007A. 6 + 6W AMPLIFIER. - URL.: http://datasheet.su/datasheet/ STMicroelectronics/TDA2007A.pdf (24.09.15).
2. Бутов А. Усилитель ЗЧ для монитора. - Радио, 2009, № 9, с. 13, 14.
Автор: А. Бутов, с. Курба Ярославской обл.
