При монтаже и отладке систем управления технологическими процессами с дистанционным управлением по кабельным каналам, а также при проведении проектов производства работ (ППР) в процессе эксплуатации систем управления производят проверку исправности кабелей на обрыв, перепутывание, замыкание и сопротивление изоляции каждого провода относительно остальных и "земли".
Для сокращения времени проверок и подготовки систем управления к работам и в конечном счёте для повышения их качества я разработал универсальный кабельный прибор (УКП) [1], обеспечивающий автоматическую проверку исправности кабелей. При изготовлении кабельной продукции (переходников и жгутов) этот прибор также позволяет определить проводники в соответствии с их нумерацией.
УКП выполнен в основном на электромеханических и герконовых реле, которые нечувствительны к электростатическим разрядам в многокилометровом кабеле, а все провода проверяемого кабеля в УКП соединены с минусовой шиной, что исключает также электростатическое воздействие на прибор. Кроме того, предусмотрено подключение к нему через специальный разъём приборов для измерения других параметров.
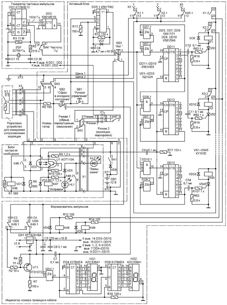
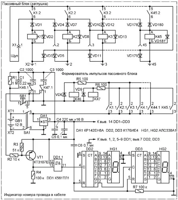
УКП состоит из двух блоков: активного и пассивного. Первый (его схема представлена на рис. 1) включает в себя коммутатор, блок контроля сообщения, генератор тактовых импульсов, панель индикации с формирователем импульсов и устройство для измерения сопротивления изоляции, второй (рис. 2) - панель реле и панель индикации с формирователем импульсов. Для определённости будем считать, что прибор рассчитан на проверку кабелей с максимальным числом проводов 45. При проверке оба блока подключают к кабелю, устанавливают тумблер SA2 в положение "Режим 1", подключают щуп пассивного блока к клемме "1" коммутатора Х1 и включают индикатор номера провода тумблером SA1.

Рис. 1. Активный блок УКП

Рис. 2. Пассивный блок УКП
Активный блок может работать в ручном и автоматическом режимах. Рассмотрим работу в ручном режиме. После нажатия на кнопку SB2 ("Сброс в исходное состояние") счётчик индикатора номера провода в кабеле активного блока (см. рис. 1, DD4, DD6) обнуляется. При нажатии на кнопку SB1 ("Ручное управление") сигнал c уровнем лог 1 подаётся на вход С (выв. 3) одновибратора на триггере DD5.1, и он запускается. Сигнал лог. О с его инверсного выхода (выв. 2) через замкнутые контакты кнопки SB3 подаётся на вход (выв. 6) элемента DD7.2. Поскольку на входах логического элемента DD7.1 присутствует низкий уровень, а на его выходе и соединённом с ним втором входе DD7.2 (выв. 5) - высокий, на выходе последнего формируется прямоугольный импульс высокого уровня, который поступает на вход CN (выв. 14) счётчика DD11 (К561ИЕ8 [2]). Он переключается, и на выходе 1 (выв. 2) появляется высокий уровень, который через конденсатор С10 и резистор R63 поступает на управляющий электрод тринистора VS1 и открывает его. В результате срабатывает реле K1, которое своими контактами K1.1 (12-13) соединяет с шиной 2 первый провод проверяемого кабеля. Высокий уровень с шины 2 по этому проводу поступает на реле K1 пассивного блока через щуп, через диоды VD5, VD11...VD179 и далее на излучающий диод оптрона U1. Включённое в эмиттерную цепь его составного транзистора реле K47, сработав, своими контактами K47.1 (2-3) подготавливает цепь для автоматической работы, одновременно с этим включается индикатор HL1.
Контакты K1.2 (22-23) подают уровень лог. 1 на формирователь импульсов. В нём контакты 23 всех реле с нечётными позиционными номерами соединены (через резистор R14) с обмоткой реле K49, а всех реле с чётными номерами (через резистор R12) - с обмоткой реле K48. Это сделано для выделения импульса с каждой ячейки проверяемого кабеля. Срабатывая, реле K48, K49 своими контактами K48.1 и K49.1 подключают на короткое время заряженные конденсаторы С2, С4 к цепи базы транзистора VT1. Сформированные в его коллекторной цепи импульсы с резистора R7 поступают на вход (выв. 13) элемента DD3.1, а поскольку на его втором входе (выв. 12) постоянно присутствует уровень лог. 1, на выходе формируется импульс, который поступает на вход С (выв. 4) счётчика DD4 индикатора номера провода активного блока.
В пассивном блоке реле K1, сработав, контактами K1.2 (5-6) и диодом VD4 подготавливает цепь для включения следующей ячейки - реле K2, а контакты K1.1 (2-3) подают высокий уровень на формирователь импульсов. В нём контакты 3 всех реле соединены с шиной питания, контакты 2 реле с нечётными позиционными номерами - с обмоткой реле K46 (через резистор R5), а с чётными - с шиной реле K47 (через R6). Это сделано для выделения импульса с каждой ячейки проверяемого провода. Импульсы для счётчика индикатора номера провода в кабеле формируются здесь так же, как и в активном блоке.
Повторное нажатие на кнопку SB1 ("Ручное управление") вызывает переключение микросхемы DD11 в следующее состояние - высокий логический уровень появляется на выходе 2 (выв. 4), открывается тринистор VS2 и срабатывает реле K2, которое своими контактами K2.2 отключает реле K1. Таким образом, переключение происходит безобрывно, поэтому индикатор HL1 ("Исправен") горит непрерывно. Забегая вперёд, отметим, что если после опроса всех проводов этот индикатор ни разу не погас, то проверяемый кабель исправен.
Аналогично, нажимая каждый раз на кнопку SB1, проверяют остальные провода кабеля. Когда счётчик DD11 переходит в состояние 9, высокий уровень с его вывода 11 поступает на объединённые входы (выв. 1, 2) элемента DD7.1 микросхемы DD7, и на его выходе появляется низкий уровень, который блокирует прохождение импульсов на счётчик DD11 через элемент DD7.2. Высокий уровень с выхода 9 DD11 поступает и на вход (выв. 1) элемента DD8.1, а поскольку на его нижний (по схеме) вход (выв. 8) также подан высокий уровень с выхода элемента DD7.3 (на выходе 9 микросхемы DD12 низкий уровень), очередной импульс с выхода DD8.1 поступит на вход счётчика DD12 и установит его в состояние 1, в результате чего сработает реле K10, и так далее. Таким образом, происходит последовательное включение всех реле K1-K45 коммутатора.
Рассмотрим работу прибора в автоматическом режиме (на пассивном блоке щуп установлен на клемму "1" ручного коммутатора Х1; кабель подстыкован к активному и пассивному блокам). Включив электропитаниетумб-лером SA1 (см. рис. 1), выбираем тактовую частоту опроса проводов кабеля переключателем SA4, устанавливаем SA2 в положение "Режим 1" и нажимаем на кнопку SB2 ("Сброс в исходное состояние"). На индикаторе номера провода в кабеле должно появиться показание "00". После однократного нажатия на кнопку SB1 ("Ручное управление") должен включиться светодиод HL1, а показание индикатора "00" смениться на "01". Автоматический режим включаем нажатием на кнопку SB3 ("Авт." - автоматически). При этом напряжение питания с выхода интегрального стабилизатора DA1 по цепи контакты 1-5 кнопки SB3 - контакты 1-5 переключателя SA2 - контакт 7 разъёма Х1 - контакты 3-2 (K47.1) - контакт 2 разъёма Х1 подаётся на соответствующие выводы микросхем DD1, DD2. Генератор тактовых импульсов начинает работать, и его импульсы через контакты 6-2 кнопки SB3 поступают на вход элемента DD7.2, и далее все процессы происходят так же, как и в ручном режиме, только автоматически. Кнопку SB3 ("Авт.") необходимо держать нажатой, пока не остановится счётчик активного блока. Если он подсчитал все провода кабеля при непрерывном свечении индикатора HL1, то кабель исправный, а если остановка сопровождается его погасанием, то неисправен провод, на котором он остановился (в кабеле обрыв или перепутаны провода).
Для определения вида неисправности переводят переключатель SA2 в положение "Режим 2", подсоединяют щуп пассивного блока к клемме неисправного провода и нажимают на кнопку SB3 ("Авт."). Если коммутатор опросил все провода и не остановился, то значит, что это обрыв, а если остановился на каком-то проводе, то это перепутывание (отображаемый индикаторами HG1, HG2 номер указывает конец другого провода).
Наконец, если в кабеле короткое замыкание, в активном блоке сработает второй пороговый элемент - реле K46. Его контакты K46.1 (2-3) замкнутся и заблокируют излучающий диод оптрона, а контакты K46.2 (5-6) включат красный светодиод HL2 ("Замыкание"). При этом индикаторы отобразят номер неисправного провода, светодиод HL1 гореть не будет.
Таким образом, прибор позволяет за один "проход" определить по индикатору HL1 неисправность трёх видов, что значительно сокращает время проверки и не требует от оператора повышенного внимания, исключая тем самым ошибку по вине человеческого фактора.
Как отмечалось, прибор позволяет измерять сопротивление изоляции относительно каждого провода и "земли". Для этого предусмотрено пороговое устройство (рис. 3), которое соединено с активным блоком через разъём Х3. К этому разъёму в случае необходимости могут быть подключены и другие промышленные приборы (которые, например, прогнозируют старение кабеля и другие параметры).

Рис. 3. Пороговое устройство
Пороговое устройство состоит из измерительного узла и преобразователя напряжения 12/100 В. Первый выполнен на транзисторах VT3-VT5, второй - на транзисторах VT1, VT2 и трансформаторе T1. Порог срабатывания устанавливают подстроечным резистором R1.
При монтаже многопроводных кабелей и жгутов возникает необходимость в проверке проводов на соответствие их нумерации. Предлагаемый прибор выполняет и эту функцию. Для этого, отключив пассивный блок, переводят тумблер SA2 в "Режим 2" и подключают кабель к активному блоку. На другом конце кабеля соединяют два любых провода вместе, включают коммутатор кнопкой SB3 и последовательно определяют номера этих проводов. Затем к одному из них подсоединяют следующий провод, вновь включают коммутатор и определяют номера новой пары проводов: теперь на счётчике активного блока высветятся один известный номер (из предыдущего эпизода), другой - новый, и так далее.
В коммутаторе активного блока реле K1-K45 - РЭС60 исполнения РС4.569.435-02, в блоке сообщения реле K46 - герконовое РЭС43 исполнения РС4.569.202, К47 - РЭС55 исполнения РС4.569.608 (более позднее обозначение - РЭС55А исполнения РС4.569.600-07). Все диоды - КД102А, КД102Б, все переключатели - П2Т-1-1В, все кнопки, кроме SB3, - КМ 1 -1 (SB3 - КП-З). В пассивном блоке все реле - герконовые РЭС43 исполнения РС4.569.203, диоды - КД102А, КД102Б.
Правильно собранные из исправных деталей узлы прибора начинают работать сразу и в налаживании не нуждаются.
Литература
2. Алексеев С. Применение микросхем серии К561. - Радио, 1986, № 12, с. 42-46.
Автор: В. Кокошинский, г. Истра Московской обл.
