Утечки горючих газов из бытовой газораспределительной сети либо баллонов регулярно становятся причинами трагедий. Естественно, на рынке представлено немало сигнализаторов [1-5], которые должны поднять тревогу, если уровень загазованности помещения выше нормы. Но слишком высокая стоимость такого прибора при сравнительной простоте его конструкции подталкивает к самостоятельному изготовлению подобного устройства.
Основа предлагаемого сигнализатора - изображённый на рис. 1 процессорный модуль ProMini ATmega168PA [6], представляющий собой копию известного модуля Arduino ProMini. Для загрузки программы в память микроконтроллера и обмена информацией с компьютером этот модуль необходимо подключать к нему через преобразователь интерфейса USB-TTL-UART-Serial CH340G [7].

Рис. 1. процессорный модуль ProMini ATmega168PA
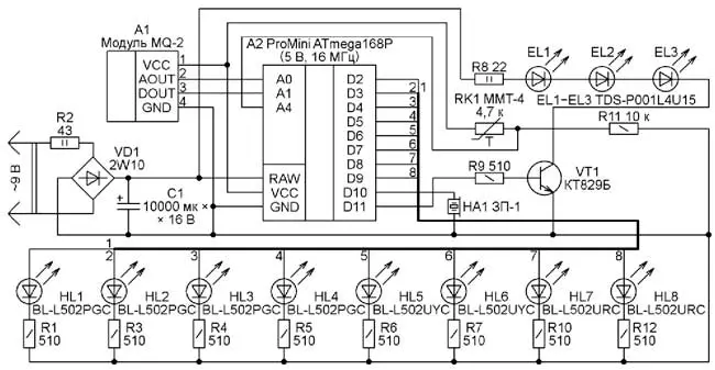
Принципиальная схема сигнализатора показана на рис. 2. Имеющийся в модуле A2 микроконтроллер получает информацию о загазованности помещения от изображённого на рис. 3 модуля MQ-2 [8]. Он чувствителен к таким газам, как метан, пропан, бутан, водород, к дыму и позволяет приблизительно оценить концентрацию этих веществ в окружающем воздухе.

Рис. 2. Принципиальная схема сигнализатора

Рис. 3. Модуль MQ-2
На рис. 4 приведена схема модуля MQ-2. Он содержит собственно датчик загазованности B1, одноимённый с модулем, и имеет два выхода - аналоговый (AOUT) и дискретный (DOUT). Напряжение на первом плавно изменяется от 0,1 до 4 В с ростом загазованности. Оно же поступает на один из входов компаратора напряжения DA1.1, на второй вход которого подано пороговое напряжение с подстроечного резистора R3. При превышении порога происходит смена высокого логического уровня сигнала DOUT низким и включается светодиод HL1.

Рис. 4. Схема модуля MQ-2
Модуль датчика MQ-2 потребляет ток около 150 мА при питании напряжением 5 В, поступающим в рассматриваемом случае от модуля A2. Почти весь этот ток потребляет нагреватель, разогревающий чувствительный элемент датчика до рабочей температуры. Она превышает 45 ºC, по этой причине прикосновение к включённому датчику может представлять опасность. Поскольку разогрев датчика занимает несколько десятков секунд, доверять его показаниям можно лишь после того, как они стабилизируются. Если датчик длительное время оставался в нерабочем состоянии, то для восстановления чувствительности может потребоваться прогревать его целые сутки.
Чтобы повысить общую надёжность работы сигнализатора, в нём анализируется состояние как аналогового, так и дискретного выхода модуля А1. Первый подключён к аналоговому входу АО модуля А2, второй - к его входу A1, используемому как дискретный с номером 15.
Кроме датчика загазованности, сигнализатор снабжён датчиком температуры, представляющим собой делитель напряжения, образованный терморезистором RK1 и резистором R11 [9, 10]. Выход этого датчика подключён к аналоговому входу A4 модуля A2. Это позволяет подавать сигнал тревоги не только при превышении допустимой загазованности, но и в случае чрезмерного повышения температуры воздуха. При указанных на схеме типе и номинальном сопротивлении терморезистора и сопротивлении резистора R11 это происходит при температуре выше 60...70 оС. Такая температура окружающего воздуха однозначно свидетельствует о наличии мощного источника тепла в непосредственной близости от устройства. Сигнал тревоги подаёт пьезоизлучатель звука HA1, подключённый к выходу D10 модуля A2 [11].
В сигнализаторе имеется индикатор загазованности, состоящий из светодиодов HL2-HL8 и включённых последовательно с ними резисторов. Светодиоды HL2-HL4 - зелёного свечения (опасности нет), HL5 и HL6 - жёлтого (низкий уровень опасности), а HL7 и HL8 - красного (высокий уровень опасности). Каждый следующий светодиод программа включает при повышении напряжения на аналоговом выходе датчика загазованности приблизительно на 0,5 В. Светодиод HL1 служит индикатором наличия напряжения питания.
Утечка газа может произойти как в светлое, так и в тёмное время суток при выключенном освещении.
Включать электрическое освещение или пользоваться открытым огнём там, где предположительно произошла утечка, очень опасно.
Но в темноте невозможно увидеть, на что среагировал сигнализатор. Эту проблему отчасти решает встроенный в сигнализатор осветитель на светодиодах EL1-EL3 мощностью 1 Вт каждый.
Ими управляет электронный ключ на транзисторе VT1, так что контакты, между которыми могла бы проскочить искра, отсутствуют. База транзистора VT1 через резистор R9 соединена с дискретным выходом D11 модуля A2. Резистор R8 ограничивает ток светодиодов EL1-EL3.
Питают сигнализатор переменным напряжением 9 В от вторичной обмотки не показанного на схеме понижающего трансформатора. Конструктивно это сетевой адаптер заводского изготовления (рис. 5). Учтите, что включать его в розетку и отключать от неё можно лишь при уверенности, что опасная загазованность помещения отсутствует. Лучше, если эта розетка будет находиться за пределами помещения, где имеются газовые приборы или трубы, а провод, соединяющий адаптер с сигнализатором, достаточно длинный, чтобы можно было безопасно внести уже работающий сигнализатор в проверяемое помещение или установить его там постоянно.

Рис. 5. Сетевой адаптер заводского изготовления
Подаваемое на сигнализатор переменное напряжение 9 В выпрямляет диодный мост VD1, а сглаживает пульсации выпрямленного напряжения конденсатор C1. Резистор R2 ограничивает ток зарядки этого конденсатора.
Сигнализатор собран в пластмассовом корпусе размерами 100x80x50 мм от переговорного устройства домофона (рис. 6). Осветительные светодиоды EL1-EL3 установлены на прикреплённом к нижней части корпуса алюминиевом кронштейне.

Рис. 6. Сигнализатор в сборе
Программа для микроконтроллера модуля A2 сигнализатора создана в среде разработки Arduino IDE. В начале своей работы она кратковременно включает все средства индикации, затем поочерёдно проверяет состояние датчиков. При чрезмерном повышении температуры или низком логическом уровне напряжения на дискретном выходе модуля A1 программа включает звуковой сигнал тревоги и осветительные светодиоды EL1 - EL3. Светодиоды HL2-HL8 программа включает в зависимости от напряжения на аналоговом выходе датчика загазованности. Если она больше той, при которой включается светодиод HL5, программа подаёт и звуковой сигнал тревоги.
Чувствительность датчика MQ-2 к газам различной природы неодинакова. Чтобы связать включение конкретного светодиода с уровнем загазованности, можно воспользоваться имеющимися в [12] графиками зависимости сопротивления чувствительного элемента датчика от концентрации различных газов.
Проверить работоспособность сигнализатора можно с помощью газовой зажигалки, заправленной пропан-бутановой смесью. Если поднести её к датчику и открыть подачу газа, не зажигая пламя, то при условии, что устройство работает правильно, через несколько секунд раздастся сигнал тревоги. Автор надёжно регистрировал открытую зажигалку с расстояния около 10 см. Источником горячего воздуха для проверки датчика температуры может быть косметический фен.
Программа микроконтроллера модуля ProMini имеется здесь.
Литература
2. Датчик утечки газа "Страж”. - URL: https://agmashop.ru/products/datchik-utechki-gaza-strazh-gas-detector (02.07.17).
4. Home Kitchen Security Combustible Gas Detector LPG LNG Coal Natural Gas Leak Alarm SensorWith VoiceWarningAlarm Safety. - URL: https://ru.aliexpress.com/item/Home-Kitchen-Security-Combustible-Gas-Detector-LPG-LNG-Coal-Natural-Gas-Leak-Alarm - Sensor-With-Voice/ 32604763569.html (02.07.17).
5. LED Digital Display Gas LPG Household Leakage Detector Monitor Alarm Sensor. - URL: https://ru.aliexpress.com/item/LED-Digital-Display-Gas-LPG-Household-Leakage-Detector-Monitor-KERUI-Alarm-Sensor-1 pcs - Free - S h i p p i n g/ 32550001476.html (02.07.17).
6. Контроллер ProMini ATmega168PA. - URL: http://robotdyn.ru/catalog/boards/ promini_atmega168pa_compatible_with_a-rduino_mini/(02.07.17).
7. Адаптер USB-TTL-UART-Serial CH340G, 5V/3.3V. - URL: http://robotdyn.ru/catalog/ boards/usb_serial_adapter_ch340g_5v_3_ 3v/ (02.07.17).
8. ДатчикMQ2. - URL: https://2shemi.ru/ datchik-mq2 (02.07.17).
9. Лекомцев Д. Arduino. Подключение простейших датчиков. - Радио, 2016, № 10, с. 54-56.
10. БлумД. ИзучаемArduino: инструменты и методы технического волшебства. Пер. с англ. - СПб.: БХВ-Петербург, 2015.
11. Лекомцев Д. Arduino. Операции цифрового ввода-вывода. - Радио, 2016, № 8, с. 51-54.
12. MQ-2 Gas Sensor Technical Data - URL: http://wiki.amperka.ru/_media/%D0% BF%D1%80%D0%BE%D0%B4%D1%83%D 0%BA%D1%82%D1%8B:mq2:mq2.pdf (02.07.17).
Автор: Д. Лекомцев, г. Орёл
