Каждому автолюбителю хорошо известно, как неприятно садиться зимой в холодное кресло непрогретого автомобиля. Кроме всего прочего, это ещё и вредно для здоровья, так как может спровоцировать ряд серьёзных заболеваний. Для подогрева кресел существуют разнообразные накидки и чехлы, а в престижных моделях автомобилей в креслах обычно есть встроенные подогреватели. Но нужно заметить, что долго сидеть на тёплом кресле тоже вредно. Поэтому более-менее серьёзные подогреватели имеют таймер, который отключает подогрев через некоторое время. Причём это время, как правило, фиксированное или, в лучшем случае, имеет ручную регулировку. А манипуляции с ней во время движения могут привести к дорожно-транспортному происшествию.
Чтобы автоматизировать установку оптимальной температуры, можно использовать термостатирование кресла. Но здесь возникают трудности с измерением реальной температуры поверхности кресла и проблема, где установить датчик, чтобы не повредить его механически в процессе эксплуатации.
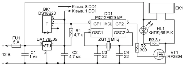
Другой вариант - связать продолжительность работы подогревателя кресла с температурой окружающей среды. Чем она ниже, тем длительнее должен работать подогреватель, а в тёплую погоду включать его вообще не требуется. Зависимость температура-продолжительность работы подогревателя придётся подобрать экспериментально. На рис. 1 представлена схема устройства, работающего по такому алгоритму. Оно содержит стабилизатор напряжения питания на микросхеме DA1, датчик температуры BK1, микроконтроллер DD1 и мощный ключ на полевом транзисторе VT1 в цепи питания подогревателя EK1.

Рис. 1. Схема устройства управления подогревателем автокресла
Питается устройство напряжением 12 В от розетки прикуривателя. Это напряжение поступает на интегральный стабилизатор DA1, и далее стабилизированное напряжение 5 В питает цифровой датчик температуры BK1 и микроконтроллер DD1. После появления напряжения питания микроконтроллер подаёт датчику команду измерить температуру и считывает полученное значение. Если оно ниже Тн (начальной температуры включения), то микроконтроллер на определённое время открывает полевой транзистор VT1, включая этим подогреватель BK1. В рассматриваемом устройстве это время прямо пропорционально разности Тн и температуры окружающей среды T, измеренной датчиком:
t = (Тн - T) · k,
где t - продолжительность работы подогревателя, с; k - коэффициент пропорциональности, секунда на градус Цельсия.
После выключения подогревателя процесс повторится только после отключения и повторного включения питания устройства.
В большинстве автомобилей иностранного производства при выключении зажигания напряжение с розетки прикуривателя снимается, и отключать от неё устройство подогрева не требуется. В отечественных же автомобилях, где напряжение на розетке прикуривателя не зависит от положения замка зажигания, придётся найти способ подключать устройство подогрева так, чтобы при включении зажигания оно выключалось. В противном случае для повторного запуска устройства придётся каждый раз его выключать на несколько секунд вручную, а затем включать.
В таблице приведён фрагмент HEX-файла программы микроконтроллера DD1. Байты, содержащие значения температуры Тн, выделены в строках таблицы красным цветом. В данном случае она задана равной +15 °С (0FH). Синим цветом выделен байт, содержащий коэффициент пропорциональности k. Единица его значения соответствует приблизительно 1,1 с/°С.

Внося изменения в HEX-файл, не забывайте вместе со значением байта в строке изменить и её контрольную сумму (последний байт строки). Контрольную сумму следует уменьшить на столько же единиц, на сколько увеличен байт, или наоборот.Имеющееся число 1BH соответствует 30 с/°С. Это значит, что при температуре окружающего воздуха +15 °С и выше подогрев вовсе не будет включаться, при температуре +14 °C он включится на 30 с, при температуре + 13 °C - на 60 с, при температуре + 12 °C - на 90 с и т. д. Изменяя указанные байты, можно подобрать наиболее комфортный режим подогрева.
Автором были опробованы два конструктивных варианта устройства. В первом была использована накидка с подогревом "ЖАРА" HOT-550GY (рис. 2). С её тыльной стороны нужно расстегнуть застёжку-молнию, зафиксированную несколькими стежками ниток. Затем с панели управления аккуратно снять клейкую накладку, извлечь блок управления и удалить из него старую печатную плату.

Рис. 2. Накидка с подогревом "ЖАРА" HOT-550GY
Чертёж новой печатной платы и размещение элементов на ней показаны на рис. 3. Резисторы R1, R3 и конденсаторы C3 и C4 использованы типоразмера 0805 для поверхностного монтажа. Конденсаторы C1 и C2 могут быть керамическими или оксидными. Резистор R2 - любой мощностью 0,125 Вт. Для микроконтроллера на плате должна быть установлена панель. Сопротивление полевого транзистора IRF2804 в открытом состоянии очень мало. Поэтому даже при токе в несколько ампер рассеиваемая им мощность не превысит десятых долей ватта и теплоотвод ему не требуется.

Рис. 3. Чертёж новой печатной платы и размещение элементов на ней
Плата, установленная в корпус блока управления накидкой, изображена на рис. 4. Отверстие в передней панели над микроконтроллером увеличено, чтобы легче было вынимать микроконтроллер при необходимости его перепрограммирования (рис. 5). Поокончании налаживания устройства старую накладку на его переднюю панель наклеивают на своё место.

Рис. 4. Плата, установленная в корпус блока управления накидкой

Рис. 5. Доработка передней панели
Во втором варианте используется простейший отечественный подогреватель "Емеля" без каких-либо переделок. Плату устройства подогрева в этом случае изготавливают по чертежам рис. 6. Она рассчитана на установку всех резисторов и конденсаторов типоразмеров 0805 и 1206 и микроконтроллера PIC12F629-I/SN в корпусе SO-8. Вместо кварцевого резонатора на 4 МГц использован керамический CSTCC4M00G56/53-R0 на ту же частоту с встроенными в него конденсаторами, заменяющими конденсаторы C3 и C4.

Рис. 6. Чертёж печатной платы устройства подогрева
Согласно каталогу фирмы Murata, такие резонаторы выпускают на частоту не более 3,9 МГц. Однако в интернет-магазинах они есть и на частоту 4 МГц. Плату с установленным на ней запрограммированным микроконтроллером встраивают в вилку прикуривателя, как показано на рис. 7. В качестве FU1 использована имеющаяся в подогревателе плавкая вставка на 7 А.

Рис. 7. Плата с установленным на ней запрограммированным микроконтроллером, встроенная в вилку прикуривателя
В обоих вариантах устройства светодиод КИПД 66 Е-К может быть заменён любым другим подходящего размера, цвета свечения и яркости.
Чертежи плат в формате Sprint Layout 5.0 и программу микроконтроллера можно найти здесь.
Автор: С. Зорин, г. Рязань
