Современные автомобили оснащены большим количеством информационно-указательных приборов и сигнальных ламп, предназначенных для контроля работоспособности их основных систем. Однако получаемая с их помощью визуальная информация, с одной стороны, требует отвлечения внимания водителя от контроля дорожной ситуации, а с другой - не достаточно удобна и не всегда может быть вовремя замечена. Эта проблема особенно актуальна для автолюбителей с небольшим водительским стажем, а последствия ее могут быть весьма серьезны. Например не вовремя замеченные показания указателя температуры двигателя о перегреве могут привести к выходу его из строя и, как следствие, к большим финансовым затратам. Не менее неприятными могут оказаться и незамеченные отказы других узлов автомобиля, таких как тормозная и смазочная системы, генератор, задние сигнальные фонари и т.д.
Предлагаемая вниманию читателей "говорящая" бортовая система контроля (БСК) предназначена для использования в отечественных и импортных автомобилях и выдает информацию об обнаруженных неисправностях в речевой форме. Сообщения выдаются мужским или женским голосом (в зависимости от используемой программы и прошивки "речевого" ПЗУ), а качество речи соответствует "телефонному" по классификации Windows Sound System. Перечень сообщений, выдаваемых системой, приведен в таблице.
NУсловие выдачи сообщенияФраза сигнализацииКол-во
п/псообщений
1 Температура двигателя Перегрев двигателя 2
более 98 С
2 Пониженный уровень тормоз- Отказ тормозной системы 2
ной жидкости (срабатывание
датчика разгерметизации
тормозной системы)
3 Напряжение в бортовой сети Нет зарядки аккумулятора 2
меньше 11 В
4 Напряжение в бортовой сети Отказ регулятора напряже- 2
больше 15 В ния
5 Низкое давление масла при Аварийное давление масла 2
частоте вращения коленва-
ла более 900 об/мин
6 Не полностью открыта воз- Закрыта воздушная заслон- 1
душная заслонка карбюра- ка
тора (включен "подсос")
при температуре двигателя
более 80 С
7 Обрыв цепи ламп Отказ сигнала торможения 2
стоп-сигнала
8 Обрыв цепи ламп Отказ габаритного сигнала 2
задних габаритных фонарей
9 Обрыв цепи ламп Отказ сигнала заднего хода 2
фонарей заднего хода
10 После включения зажигания Счастливого пути 1
все контролируемые системы
в норме
Несколько экземпляров данного устройства более года эксплуатировалось на легковых автомобилях различных марок и показало высокую надежность и эффективность.

Puc.1
Устройство (рис.1) реализовано на базе однокристальной микроЭВМ КР1816ВЕ35. Микросхема DD6 выполняет функции формирователя шины адреса, а DD7 - внешней памяти программ. Порт P1 ОМЭВМ DD10 используется для формирования старших адресов "речевого" ПЗУ DD11, в котором содержится оцифрованная и определенным образом сжатая речевая информация. Младшие разряды порта P2 ОМЭВМ используются для адресации ПЗУ программ DD7, а старшие разряды этого порта совместно с ИС DD13 и DD8.4 - для выбора внешних устройств: ПЗУ речи DD11, коммутатора входных данных DD3-DD5 и регистра звукового тракта DD12. На логических элементах DD8.1, DD8.2, DD9.1, DD9.4 выполнен генератор импульсов частотой 7 кГц, использующихся в качестве тактовых при выводе речи.
Интерфейсная часть схемы, обеспечивающая сопряжение коммутатора данных DD3-DD5 с системой электрооборудования автомобиля и приведение входных сигналов к ТТЛ-уровням, реализована на ИС DD1, DD2 и DA2. При этом операционные усилители DA2.1, DA2.2 осуществляют сравнение сигнала датчика температуры с уставками, задаваемыми резисторами R7 и R11, на микросхеме DD2 реализован формирователь импульсов нормированной длительности из входных импульсов зажигания, а элементы ИС DD1 работают как преобразователи уровня и пороговые элементы.
Как видно из представленной на рис.1 схемы, из 18 входных линий коммутатора данных DD3-DD5 задействовано для ввода информации только 10. Остальные входы частично используются как служебные при настройке устройства, а частично - как резерв для подключения дополнительных датчиков и развития системы.
Звуковой тракт устройства включает в себя цифро-аналоговый преобразователь на ИС DA3 и DA4, фильтр Баттерворта 4 порядка с частотой среза 3 кГц на операционных усилителях DA5.1, DA5.2 и усилитель низкой частоты DA6.
Источник питания БСК выполнен на интегральном стабилизаторе DA1, формирующем напряжение +5 В, и транзисторах VT1-VT3, которые совместно с элементами VD2-VD4 и С5, С6 обеспечивают инверсию полярности и стабилизацию напряжения питания -5 В. В качестве управляющих импульсов инвертора полярности используется сигнал CLK, вырабатываемый тактовым генератором вывода речи.
Настройка устройства осуществляется с помощью подстроечных резисторов:
R7 - настройка на температуру, при которой выдается фраза "Закрыта воздушная заслонка";
R11 - настройка на температуру для выдачи фразы "Перегрев двигателя";
R21 - настройка на напряжение срабатывания для фразы "Нет зарядки аккумулятора";
R22 - настройка на напряжение срабатывания для фразы "Отказ регулятора напряжения";
R24 - регулировка тактовой частоты выдачи речи;
R36 - регулировка уровня громкости.
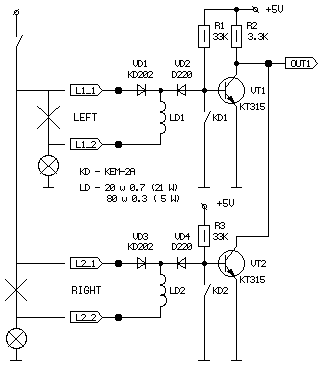
На рис.2 приведена принципиальная схема одного из трех идентичных каналов блока контроля работоспособности ламп в задних фонарях. Учитывая параллельность соединения одноименных ламп, для независимости контроля каждой из них схема электрооборудования автомобиля дорабатывается путем введения диодной развязки ламп с помощью VD1, VD3. После такой доработки узел обеспечивает контроль работоспособности обеих ламп как во включенном, так и в выключенном состоянии.

Puc.2
До тех пор, пока напряжение на лампы не подано, элементы R1, VD2, LD1 и R3, VD4, LD2 совместно с нитями накала соответствующих ламп образуют делители напряжения. Так как сопротивления нитей ламп очень малы, падение напряжения на них незначительно, транзисторы VT1 и VT2 закрыты и на выходе узла присутствует логическая "1". В случае обрыва цепи любой из ламп соответствующий транзистор открывается и на выходе узла формируется логический "0" - признак отказа лампы. Во включенном состоянии ламп, т.е. когда на них подается напряжение от бортовой сети, контроль их работоспособности осуществляется с помощью датчиков тока. Датчики представляют собой герконы KD с намотанными на них обмотками LD. Последние включены последовательно с контролируемыми лампами, поэтому при протекании по ним тока контакты герконов замыкаются, шунтируя база-эмиттерные переходы транзисторов. Транзисторы VT1, VT2 находятся в закрытом состоянии, а выход узла - в состоянии логической "1". При отказе любой из ламп ток по обмотке соответствующего датчика не протекает, контакты геркона размыкаются, открывается соответствующий транзистор и состояние на выходе узла меняется на противоположное.
БСК подключается к системе электрооборудования автомобиля в соответствии со схемой, приведенной на рис.3, и работает следующим образом.

Puc.3
После подачи на устройство напряжения питания при включении зажигания, начинается сканирование задействованных в системе штатных датчиков автомобиля и выходов блока контроля работоспособности ламп. Если в течение 5 секунд ни на одной из входных линий БСК не будет зафиксирован признак отказа, сканирование датчиков прерывается и устройство переходит к выдаче фразы "Счастливого пути", выбирая необходимую оцифрованную информацию из ПЗУ речи, после чего опять возвращается к опросу датчиков. В случае возникновения в процессе последующей эксплуатации автомобиля на одной или нескольких входных линиях БСК признака отказа, устройство аналогичным образом выдаст соответствующую фразу сигнализации. При этом для обеспечения надежности работы устройства и защиты от ложных срабатываний, активный уровень на входных линиях БСК воспринимается как признак отказа только в том случае, если он присутствует на линии непрерывно в течение 3 секунд.
В большинстве случаев программой предусмотрен двойной повтор фразы для повышения надежности ее восприятия. Кроме того, с этой же целью каждую фразу предваряет тональный звуковой сигнал, привлекающий внимание водителя и готовящий его к приему информации.
Конструктивно устройство выполнено в виде двух блоков: блока БСК, размещаемого в салоне автомобиля под приборной панелью, и блока контроля работоспособности ламп, устанавливаемого в районе задних фонарей.
