На данный момент существует много схем зарядных устройств, в том числе и импульсных, которые позволяют зарядить аккумулятор автомобиля. Часть таких устройств, к сожалению, обладают существенными недостатками, выраженными в значительных габаритах, дороговизне комплектующих, сложности самостоятельной сборки или недостаточной выходной мощности. Представленная ниже схема не обладает такими минусами, но к тому же еще имеет следующие преимущества:
- заряд АКБ автомобиля необходимым током и напряжением;
- разряд батареи, с возможностью регулировки тока до 120 от её емкости до напряжения на клеммах аккумулятора 10.5 В;
- попеременно заряжая и разряжая аккумулятор, данное зарядное устройство позволит провести заряд до 14,5 В с целью предотвращения сульфитации пластин батареи;
- возможность восстановления аккумуляторов авто (и не только авто).
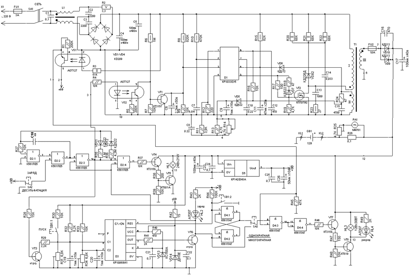
Все эти функции возможны в одном зарядном устройстве, которое вполне под силу собрать самостоятельно, тщательно подбирая компоненты и припаивая их на свои места. Схема импульсного зарядного устройства для автомобильного аккумулятора:
Рис. 1. Схема импульсного зарядного устройства для автомобильного аккумулятора
На первый взгляд схема может показаться сложной, но на самом деле она будет достаточно компактной, при своей функциональности. Элементная база ЗУ широко распространена, и на большинство деталей вполне можно найти аналоги, как импортные, так и отечественные. Все номиналы подписаны на схеме.
Краткий принцип работы и особенности сборки
Регулировка выходного тока выставляется в пределах 2,5А – 7А, чего вполне достаточно для зарядки большинства аккумуляторов. Резистором R14 подстраивается необходимый ток заряда конкретного аккумулятора исходя из расчета одной десятой части его емкости. В зависимости от выбранного режима, ток разряда АКБ будет составлять 2,5 Ампера, или 0,65 Ампер при выставлении режима десульфитация. Изменяя значения резисторов R35 и R36, можно изменять время разряда и заряда аккумулятора. R35 отвечает за заряд, а R36 – за разряд. В схеме установлено время заряда 17с, а разряда – 5с. Мощность, потребляемая устройством, составляет 30 Вт, при минимальном токе заряда и достигает 90 Вт при использовании максимального тока заряда.
Теперь о режимах работы зарядного устройства. При выставлении кнопки SA2 в положение, которое указано на схеме устройства и при включенной кнопке SA1 происходит обычный заряд аккумулятора, с возможностью выбрать необходимый ток заряда. SA2, выставленная в режим десульфитации, позволяет перейти к цикличному заряду-разряду батарее, который продолжается до момента достижения напряжения аккумулятора 14,5 В. Кнопка SB1 задает режим разряда АКБ до указанного напряжения, а затем автоматически происходит заряд до 14,5В методом десуфитации. При достижении конечного напряжения, устройство прекращает заряд и отключается, что очень удобно, так как не требуется постоянно наблюдать за напряжением на клеммах аккумулятора. Для восстановления аккумулятора предусмотрен отдельный режим, который задается нажиманием кнопки SA3. Зарядка ведется непрерывно в этом случае, так что придется наблюдать самостоятельно за процессом.
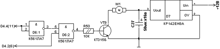
В схему дополнительно можно подключить охлаждение при помощи вентилятора, что позволит значительно уменьшить радиаторы и обеспечить надежный теплоотвод. При этом, габариты конечного устройства уменьшаться, равно, как и вес прибора. Подключение производится согласно следующей схеме на рис. 2:

Рис. 2. Схема подключения
Трансформатор был намотан на основе взятого из отечественного телевизора УПИМЦТ. Все обмотки удаляются и мотаются новые. Первичная обмотка самодельного трансформатора мотается в два провода, вторичная тоже в два, а третья обмотка мотается в семь проводов. Все обмотки состоят из провода ПЭВ 2. Первичная обмотка из 91-го витка, а вторичная – из 4-ех витков. Диаметр провода – 0,5 мм. Для третьей обмотки использован провод диаметром 0,6 мм, количеством витков 9. Наматывать провод необходимо без перехлестов. За этим нужно следить внимательно, так как это не только трансформатор по схеме, но и дросселя. Изоляция между обмотками была осуществлена бумагой, но можно использовать несколько слоев скотча. Начала и концы обмоток помечаются отдельно, чтобы ничего не спутать.
R26 – это шунт, состоящий из кусочка нихрома в диаметре 2 мм сопротивлением 0,1 Ом. В схеме предусмотрена индикация процесса заряда. Можно использовать отдельное устройство, в самостоятельном исполнении, приобретенное на радио-рынке или в магазине электронных компонентов. Можно использовать индикацию из старых магнитофонов, одна из которых под названием М4761. Предусмотрена схема самостоятельной сборки на рис. 3:
Рис. 3. Схема самостоятельной сборки
Разводку платы можно осуществить самостоятельно при помощи любой, предназначенной, для этого, программой. Можно использовать готовый вариант:


Рис. 4. Печатная плата устройства
Настройка несложная. Собрав ЗУ, потребуется выкрутить две лампочки HL1 и HL3. При подключенном аккумуляторе, регулируя R34, выставляется напряжение в 10,5 Вольт, до момента загорания лампочки HL2. Напряжение 14,2 Вольта достигается регулированием резистора R31, о чем сигнализирует выключение этой же лампочки. Выкрученные лампы следует включить обратно и можно пользоваться собранным своими руками импульсным зарядным устройством для автомобильных аккумуляторов.
Автор: RadioRadar


