Часто случается так, что с собой приходится брать ПК (имеется ввиду переносное устройство, такое как ноутбук) и активно его использовать. Возможно, по работе или в поездке на море, в горы и т.д. Как бы там ни было – но ни один встроенный аккумулятор не может держаться вечно, чаще всего это 2-6 часов активной работы ноутбука.
Крайне логичной кажется мысль использовать в качестве источника напряжения бортовую сеть автомобиля. Многие производители даже предлагают готовые блоки питания для портативных компьютеров (ультрабуков, нетбуков и ноутбуков). Но мы попробуем разобраться в вопросе изготовления такого БП своими руками.
Основные параметры
Несмотря на то, что переносные ПК питаются постоянным током, их спецификация далека от идеала. Здесь сложно найти универсальное решение, ведь какого-либо официального стандарта или нормы питания ноутбуков не существует.
Если смартфоны, планшеты, плееры и другая портативная техника питаются определённым напряжением, 5 В, то с ноутбуками все не так просто. Это может быть 9 В, 12 В или более.
Поэтому в первую очередь необходимо ознакомиться с техническими параметрами "родного" сетевого блока питания, чтобы понимать какой ток и напряжение подаётся в ноутбук.
В качестве примера.

Рис. 1. Технические параметры сетевого блока питания
Здесь значится напряжение 18,5 В, сила тока – 3,5А.
Теперь проанализируем, что можно получить в бортовой сети авто.
Напряжение в разъёме прикуривателя -12-13 В (возможны колебания при работающем двигателе) и сила тока – до 16 А (показатель весьма усреднённый, ведь максимальное значение зависит от конфигурации генератора автомобиля и параллельно работающих устройств, таких как сплит-система, подогрев сидений, стёкол и т.п.).
Если сила тока нас более чем устраивает, то остаётся привести в норму только напряжение. Этим мы и займёмся.
Готовые платы
Если уже собранный блок питания стоит в районе 1,5 тыс. р., то готовая плата преобразователя обойдётся где-то 300-400 р.
Всё что останется сделать – упаковать её в корпус и подключить кабели.
Нужен стабилизатор повышающий с 10 на 18 Вольт. Английское название (для поиска на иностранных торговых площадках) - DC-DC 10-32V to 12-35V 150W Boost Adjust Module Mobile Laptop Car.
Выглядит собранная плата приблизительно так.

Рис. 2. Собранная плата
С внешним корпусом может выглядеть так.

Рис. 3. Плата в корпусе
Полная сборка своими руками
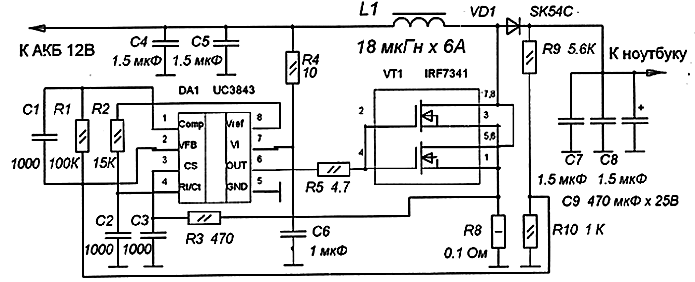
Проверенная временем схема выглядит следующим образом.

Рис. 4. Схема устройства
Все номиналы обозначены на схеме. Если использовать элементы SMD, то можно добиться сверхкомпактных размеров.
Таблица


Рис. 5. Внешний вид платы
При сборке с обозначенными номиналами выходное напряжение будет 16,5В, сила тока – не более 4А.
Чтобы изменить выходное напряжение, нужно подобрать номинал резистора R9.
Или сделать его переменным, как на схеме ниже.

Рис. 6. Вариант схемы устройства
Бездроссельный вариант
В обоих схемах выше есть существенный недостаток - большую часть корпуса занимает катушка индуктивности. Дело не столько в её габаритах, сколько в процедуре намотки. Не у всех есть желание, время и возможность это сделать.
Чтобы уменьшить габариты БП и исключить намотку катушки, можно собрать его по следующей схеме.

Рис. 7. Бездроссельный вариант схемы
В основе этого БП лежит двухтактный инвертор (постоянный ток преобразуется в импульсы на частоте 25 кГц) и удвоитель напряжения.
Ток нагрузки может достигать 4,7А.
Транзисторы VT1-VT4 требуют теплоотвода. Сопротивление R1 – подстроечный резистор, с его помощью можно изменить выходное напряжение от 18 до 20 В.
Автор: RadioRadar
