Многие автовладельцы сталкиваются с тем, что штатная магнитола не соответствует современным реалиям, не умеет работать с USB-накопителями, не может сопрягаться со смартфоном, даже просто принимать звук с аналогового входа и т.п. А ведь сейчас удобно хранить информацию на портативных цифровых устройтвах, в том числе и носить с собой любимые музыкальные композиции.
Поэтому штатный плеер или просто стоит на своем месте, чтобы не испортить вид приборной панели своим отсутствием, или используется в качестве только радиоприемника.
Конечно, замена на более современное оборудование возможна, но цена решения не всегда соответствует ожиданиям. Поэтому на рынке появляются всевозможные приборы и узлы, которые позволяют восполнить недостающий функционал штатному проигрывателю.
Один из таких хитрых приборов – эмулятор CD-чейнджера.
Для чего он нужен
Суть работы прибора сводится к следующему:
1.Многие магнитолы могут работать с внешними CD-чейнджерами, то есть имеют для этого необходимый интерфейс (аппаратный вход, воспринимающий определенный протокол обмена данными).
2.Эмулятор подключается к этому интерфейсу и отправляет код, который соответствует реальному CD-чейнджеру.
3.В качестве точки входа для внешних устройств используется наиболее популярный разъем для аналоговых сигналов AUX.
4.Теперь, передав аналоговый сигнал со своего смартфона (MP3-плеера и т.п.) на вход эмулятора, можно воспроизвести музыку на родной магнитоле без ее замены или кардинальной переделки.
Эмуляторы CD-чейнджеров имеют один серьезный недостаток – они работают только с определенными марками автомагнитол. Дело в том, что производители используют разные стандарты обмена данными.
Конечно, в сети можно найти готовые эмуляторы с различным функционалом, реализующие возможность чтения файлов с внешних USB-накопителей, подключение по Bluetooth-протоколу и т.д.
Но мы остановимся на самых простых вариантах, которые без особых сложностей можно реализовать своими руками.
Общий алгоритм
1.Лучше всего спроектировать блок на основе программируемой микросхемы, таким образом вы получите возможность реализовать практически любой протокол обмена данными вне зависимости от марки и производителя автомагнитолы.
2.Микросхема должна отправлять специальным образом сформированный код ответа, который соответствует реальному ответу CD-чейнджера. Протокол можно найти на сайтах производителей или на тематических форумах.
3.Эмулятор можно разместить за магнитолой или даже внутри нее, подключившись к правильному выходу.
4.На лицевой панели магнитолы необходимо найти место для оборудования аналогового входа (это может быть разъем 3,5 мм мини-джек или аналог).
Сборка эмулятора CD-чейнджера для Toyota Corolla своими руками
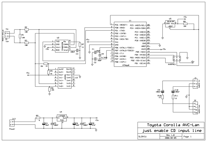
Итак, непосредственно схема внешнего узла.
Рис. 1. Схема внешнего узла
Она реализует подключение по протоколу мультимедийной шины AVC-Lan. Блок подключается и распознается как CD-changer, в котором есть только один диск.
В качестве входа используется только AUX.
Конечный узел может выглядеть следующим образом.

Рис. 2. Внешний вид конечного узла

Рис. 3. Внешний вид устройства
Схема работает на базе ATMega8.
Для ее прошивки вам понадобится WinAVR (в примере использовалась версия от 20040720) и AVR Studio (использовалась 4.12.462 Service Pack 1).
Сырцы (исходные коды) прошивки – во вложении.
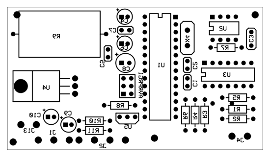
В качестве готовых макетов печатных плат можно использовать следующие.


Рис. 4. Готовые макеты печатных плат
Во вложениях можно найти скомпилированную прошивку, модифицированную для Avensis 2000-2002.
Для Audi Concert CD
В данном случае ничего кроме платы Arduino pro mini не потребуется.
Запитать и подключить ее можно непосредственно внутри магнитолы (благодаря миниатюрным размерам). Правда, для прошивки необходим внешний программатор.

Рис. 6. Для прошивки необходим внешний программатор
Реально работающий скетч можно найти во вложениях. Распиновка указана в исходниках (можно изменить при необходимости).
На всякий случай – ссылка на исходный проект на GitHub (автор Tomáš Kováčik) https://github.com/tomaskovacik/vwcdavr/
Код создан на базе реверс-инжиниринга радиоэмулятора для VolksWagen, AUDI, SKODA, SEAT.
Необходимые схемы можно найти здесь.
Автор: RadioRadar

