В статье описана конструкция несложного автомобильного стереоусилителя с импульсным преобразователем напряжения. Его добавление существенно увеличило мощность усилителя на популярных микросхемах TDA7293 или TDA7294 - до 78 Вт на нагрузке сопротивлением 4 Ом, а применение готового корпуса намного упростило его изготовление.
Как часто и справедливо утверждается, звучание штатной магнитолы автомобиля может порадовать только неискушённого слушателя. На практике оказывается, что в большинстве случаев реальное значение выходной мощности УМ магнитолы не превышает 20 Вт на канал при нагрузке сопротивлением 4 Ом, а при работе от аккумулятора мощность падает до 16 Вт.
Собственно, даже при такой мощности можно качественно озвучить любой салон автомобиля, если бы не пик-фактор музыкальных сигналов, достигающий в отдельных композициях 20...25 дБ. Так, встроенный УМ автомагнитолы без ограничения динамического диапазона может выдать до 5 Вт на канал. Учитывая качественный рост параметров современных УМ, вопрос модернизации тракта воспроизведения упирается в физическое ограничение динамического диапазона максимальной выходной мощностью встроенных УМ, а возможности его расширения исчерпаны производителями аппаратуры. Вследствие высокого уровня зашумления (в том числе и извне) в автомобиле динамический диапазон значительно сужается. Шумоизоляция кузова и повышение уровня звукового давления АС помогают увеличить динамический диапазон прослушивания.
Установка внешнего УМ на начальном этапе модернизации является, на мой взгляд, наименее трудозатратной. Необходимо заметить, что доработку автомобильной аудиосистемы нужно начинать с установки более качественной фронтальной АС.
Современные мультимедийные устройства для автомобилей оснащены линейными выходами для подключения внешних усилителей. Промышленность предлагает много высококачественных автомобильных УМ, однако их высокая стоимость является существенным ограничением при модернизации. Подключать же УМ к выходам встроенного в магнитолу усилителя, на мой взгляд, нецелесообразно.
Предлагаемое устройство обладает минимальной функциональностью, однако имеет ряд положительных признаков: мощный нестабилизированный источник питания, хороший УМ, минимальный размер корпуса, отсутствие низкокачественных компонентов входного активного фильтра. Номинальное напряжение питания составляет +/-25 В, что даёт возможность повысить мощность на нагрузке 4 Ом до 78 Вт.
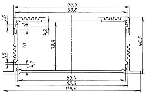
В отличие от многих конструкций, описанных в Интернете, этот двухканальный УМ собран в стандартном, доступном и недорогом алюминиевом корпусе фирмы Gainta, показанном на рис. 1. Ширина (размер L на рис. 1) - 100 мм. Размеры основной платы 93,6x96 мм, что позволяет вставить её в специальные пазы корпуса. Приоритет в проекте отдан компактности устройства, поэтому применены детали поверхностного монтажа.
а)

б)
Рис.1. Конструкция двухканального УМ: а) алюминиевый корпус; б) чертёж конструкции
УМ проектировался под конкретный проигрыватель компакт-дисков, для которого номинальная нагрузка линейного выхода - 10 кОм. Устройство состоит из нестабилизированного преобразователя напряжения (ПН) и УМ на двух микросхемах TDA7293 (или TDA7294 с учётом различий в цоколёвке), а также узла управления по внешнему сигналу Remote сигналом STBY усилителя.
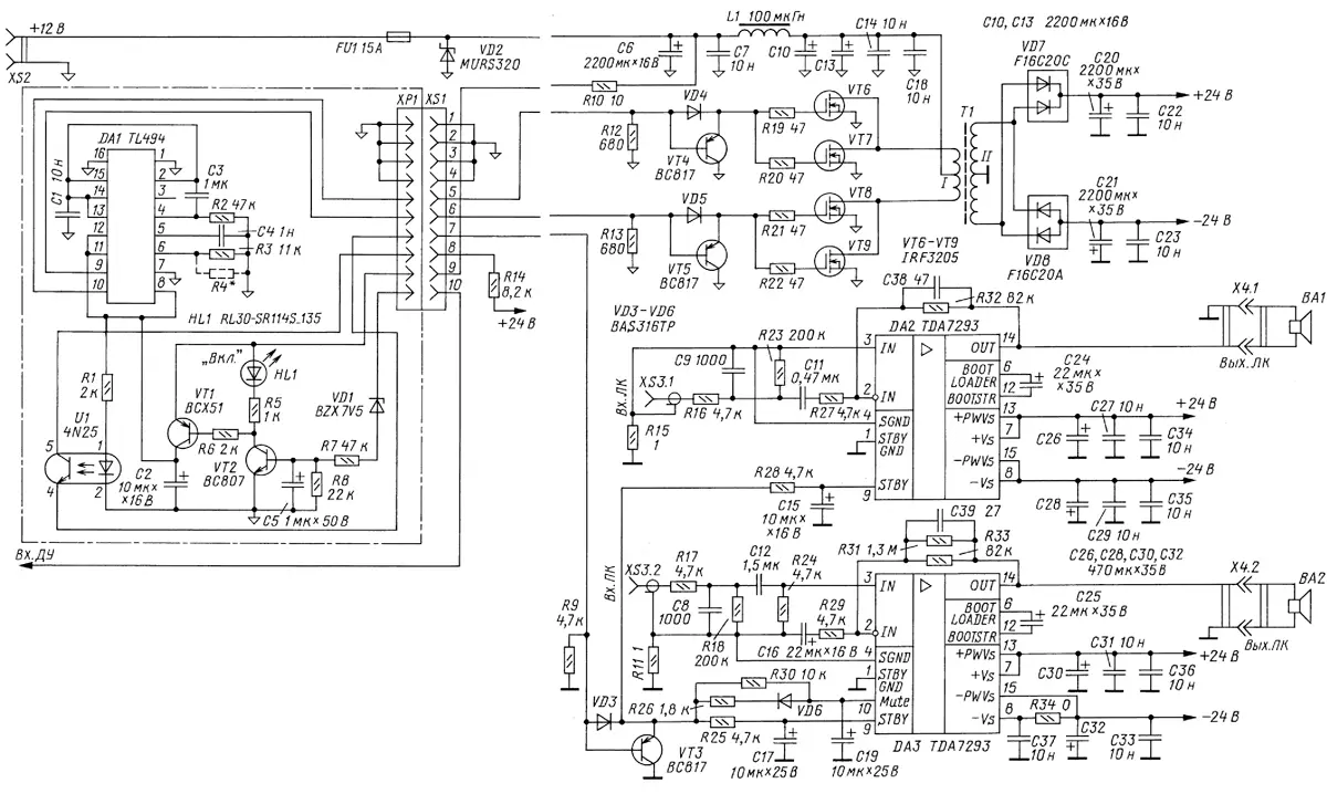
Схема усилителя показана на рис. 2. Преобразователь с функцией плавного пуска собран на микросхеме TL494 и полевых транзисторах. Габаритная мощность трансформатора - около 300 Вт, и применение двух пар транзисторов в каждом плече преобразователя позволяет отдавать в нагрузку большую мощность. Расчёт трансформатора и выбор магнитопровода проводился с использованием полезной бесплатной программы EXCELLENIT5000 [1]. Существует мнение, что УМ с импульсным БП без стабилизации обеспечивают звучание лучше, чем со стабилизированным БП. В цепях затвора мощных транзисторов преобразователя включены резисторы (47 Ом), что сужает спектр помех, создаваемых инвертором. На меньшей плате размещены узел управления включением и контроллер ПН, на большей - ПН и УМ. Выходные цепи ПН гальванически не связаны с первичным источником питания.
Рис. 2. Схема усилителя
Для включения УМ необходимо наличие напряжений питания 12 В и напряжения управления более 9 В на входе ДУ. Напряжение с входа ДУ через стабилитрон VD1 и резистор R7 поступает на базу транзистора VT2 и открывает его. Конденсатор С5 служит для задержки включения УМ и фильтрации помех по входу ДУ, резистор R8 обеспечивает минимальный ток для работы стабилитрона VD1. Транзистор VT2 открывается, и на его коллекторе устанавливается напряжение около 0,7 В, загорается светодиод HL1 и открывается транзистор VT1, который подаёт питание на микросхему DA1 и запускает ПН. Резистор R5 необходим для поддержки закрывающего напряжения на базе VT1 в отсутствии сигнала управления, а R6 - для ограничения максимального тока транзистора VT2. При наличии вторичного напряжения ПН напряжение с эмиттера VT1 через R1 поступает на излучающий диод оптопары U1, и он засвечивает фототранзистор оптопары.
При подаче напряжения на микросхему DA1 на её выходе (вывод 14) появляется напряжение 5 В, которое через конденсатор С3 поступает на вывод 4 управления шириной импульсов TL494. По мере зарядки С3 напряжение на выводе 4 уменьшается за счёт нагружающего резистора R2, а ширина импульсов на выводах 9, 10 увеличивается. Так организован плавный пуск ПН. Резистор R2 необходим также для предотвращения зарядки конденсатора С3 вытекающим током из микросхемы (от 2 до 10 мА). Встроенные усилители ошибки в TL494 не использованы, на неинвертирующие входы 2, 15 DA1 подано напряжение ИОН, равное 5 В, с вывода 14, а инвертирующие входы подключены к общему проводу ПН. Резисторы R3, R4 и конденсатор С4 задают частоту переключения ПН около 50 кГц. Место под резистор R4 зарезервировано на плате для возможной коррекции частоты работы ПН. Конденсаторы С2 и С1 блокируют ВЧ помехи. С выводов 9, 10 DA1 сигналы управления полевыми транзисторами (ПТ) через разъём ХP/XS1 (ZL201-10G, ZL262-10SG производства NINIGI) подаются на основную плату УМ на затворы ПТ На элементах R12, VD4, VT4 (R13, VD5, VT5) собраны цепи перезарядки ёмкости затворов ПТ Резисторы R19- R22 снижают скорость переключения ПТ и уменьшают коммутационные помехи. ПТ попарно подключены к первичной обмотке трансформатора T1, на среднюю точку которой поступает напряжение бортовой сети автомобиля через плавкую вставку FU1 и П-образный фильтр С6С7L1С10С13С14С18. Конденсаторы С10, С13, С14, С18 подключены в непосредственной близости от средней точки обмотки I трансформатора Т1 для снижения помех. Диод VD2 служит защитой от обратной полярности питания.
Переменное напряжение с вторичной обмотки Т1 выпрямляется диодными сборками VD7, VD8, фильтруется конденсаторами С20-С23 и далее поступает на микросхемы УМЗЧ. Кроме того, напряжение +24 В через резистор R14 поступает на транзистор оптопары U1 и при наличии напряжения на входе ДУ устройства поступает на базу транзистора V73. Элементы R9, VD3, VT3 необходимы для обеспечения быстрой разрядки конденсаторов в цепях STBY, MUTE микросхем DA2, DA3 после пропадания сигнала ДУ. Связано это с тем, что при выключении магнитолы на её линейных выходах появляются значительные всплески напряжения, которые приводят к щелчкам в АС. В большинстве самодельных устройств сигналы STBY MUTE формируют через ограничительный резистор, подключённый к плюсовой цепи питания, поэтому при выключении магнитолы УМ не переходит в режим STBY до разрядки конденсаторов в цепи питания. В этой же конструкции УМ выключается фактически сразу после пропадания сигнала ДУ с магнитолы.
Для обеспечения симметричности нагрузки на ИП и для возможности работы в мостовом режиме один канал УМ работает в инвертирующем режиме. Для минимизации помех, вносимых падением напряжения на "силовых" проводах, общие провода сигнальных и питающих цепей соединяются только в слаботочной части через резисторы R11, R15. Элементы R16, C9, R23, C11, R27 и R32 (R17, C8, R18, C12, R24, R29 и R31, R33) образуют фильтры, ограничивающие полосу, и задают коэффициент усиления каналов. Так как включение микросхем DA2, DA3 различно, для выравнивания усиления в каналах можно корректировать общее сопротивление резисторов ООС (R31 и R33). Места для резистора R31 на плате нет, в случае необходимости его устанавливают поверх R33. В симуляции микросхем в виде ОУ в программном пакете Microcap 9 сопротивление этого резистора оказалось 80 кОм.
Спад в области НЧ (-3 дБ на частоте 17 Гц) обусловлен областью применения УМ. Во-первых, фронтальные АС вследствие размера и свойств акустического оформления сильно снижают КПД на низких частотах; во-вторых, результирующая АЧХ в салоне автомобиля обычно имеет подъём в области НЧ на несколько децибел.
Трансформатор собран на торроидальном магнитопроводе Epcos 29,5x19x20 (B64290-L756-X87) из материала N87. Первичная обмотка имеет 8 витков провода диаметром 0,51 мм, сложенного в восемь жил, с отводом от середины. Исходные данные и результаты расчёта приведены на рис. 3. Вторичная обмотка содержит 18 витков того же провода, сложенного в три жилы, с отводом от середины. Витки равномерно распределены по периметру кольца. Дроссель L1 намотан на кольцевом магнитопроводе размерами 23x14x9,5 мм из порошкового железа Т90-52 Micrometals и содержит восемь витков провода ПЭВ 0,51, сложенного в восемьжил. Индуктивность дросселя может и отличаться, важно лишь помнить, что перегрев свыше 75 оС для такого дросселя недопустим.

Рис. 3. Исходные данные и результаты расчёта
Продолжение следует.
Литература
1. Сборник программ Владимира Денисенко для расчёта трансформаторов и дросселей. - http://stoom.ru/content/view/307/110/.
Автор: Ю. Игнатьев, г. Ивано-Франковск, Украина

