Автор предлагает усовершенствовать систему охлаждения двигателя с целью уменьшения нагрузки на бортовую сеть рациональным снижением оборотов электродвигателя вентилятора на малой скорости движения и его выключения при скорости движения более 40 км/ч установкой дополнительного блока, доступного для повторения большинству автолюбителей.
В жаркое время года при малой скорости движения автомобиля, в пробках его двигатель работает в условиях повышенных температур. Периодическое включение электродвигателя вентилятора (ЭДВ) системы охлаждения на полную мощность с последующим выключением снижает температуру двигателя, но не намного и не надолго. ЭДВ включается при температуре 93 °С охлаждающей жидкости в радиаторе, а отключается при 87 °С. Поскольку на малой скорости, тем более в пробках, обдув радиатора встречным потоком воздуха мал или отсутствует, двигатель автомобиля быстро нагревается после отключения ЭДВ. Происходит частое включение ЭДВ, ток потребления которого 7,5 А. Кроме того, коленвал вращается на малых оборотах, а значит, электрогенератор не способен отдать полную мощность (ток) в бортовую сеть. Поэтому часть нагрузки берёт на себя аккумулятор, что приводит его к нежелательной разрядке.
Предлагаемый блок управления вентилятором системы охлаждения решает эти проблемы. При скорости движения автомобиля меньше 40 км/ч блок управления включает ЭДВ только на треть мощности, снижая нагрузку на бортовую сеть. Это значение определено экспериментальным путём. В таком режиме температура двигателя автомобиля находится в интервале 85...89 °С, а ток, потребляемый электродвигателем вентилятора, - 2,5 А. В салоне шум от включённого ЭДВ становится не слышен. При скорости автомобиля более 40 км/ч ЭДВ отключается, поскольку встречного потока воздуха достаточно для нормального охлаждения радиатора. Контроль температуры производился бортовым компьютером Штат Unikomp 400L.

Рис. 1
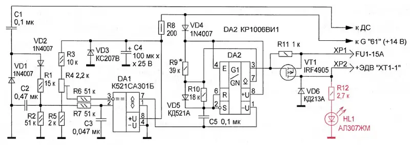
Схема блока управления приведена на рис. 1. Импульсы напряжения с датчика скорости (ДС), установленного в коробке передач, поступают на выпрямитель на элементах С1, VD1, VD2, R1, С2, R2. От импульсов напряжения с ДС заряжается конденсатор С2 на выходе выпрямителя. Чем выше скорость, тем до большего постоянного напряжения он заряжается. Это напряжение, пропорциональное скорости, через дополнительную интегрирующую цепь R7C3 поступает на неинвертирую-щий вход (вывод 2) компаратора DA1. Конденсатор С1 гальванически развязывает вход компаратора от сигнала с датчика Холла, установленного в ДС, когда магнит на валу ДС окажется напротив датчика Холла при неподвижном автомобиле. На инвертирующий вход (вывод 3) компаратора DA1 с движка резистора R4 через резистор R6 поступает образцовое напряжение около 3 В.
При скорости автомобиля менее 40 км/ч напряжение на неинвертирую-щем входе компаратора меньше, чем на инвертирующем. На его выходе (вывод 7) установится напряжение низкого уровня. Вывод 1 (-U) таймера DA2 подключается к общему проводу. На выходе таймера (вывод 3) появляется импульсное напряжение со скважностью 1,5 и периодом следования 4 мс, которое подаётся на затвор транзистора VT1. Электродвигатель вентилятора включается на треть мощности.
При скорости более 40 км/ч напряжение на неинвертирующем входе компаратора больше, чем на инвертирующем. На его выходе установится высокий уровень напряжения. Таймер будет обесточен и на его выходе также установится высокий уровень напряжения, транзистор VT1 закроется. ЭДВ перестанет вращаться, но для продувки радиатора охлаждения, чтобы двигатель автомобиля не перегревался, будет достаточно встречного потока воздуха.
Напряжение на движке резистора R4 определяет порог переключения компаратора. Больше напряжение - при большей скорости произойдёт отключение обдува радиатора, и наоборот.
Напряжение питания +14 В на блок подаётся с вывода "61" электрогенератора. Обозначения контактов даны в соответствии со схемой модели ВАЗ-21074. Этим же напряжением питается его обмотка возбуждения. Напряжение на этом выводе появляется только после запуска двигателя автомобиля. При неработающем двигателе и его запуске стартёром обратно смещённый диод VD4 и резистор R11 блокируют гальваническую связь затвора VT1 с общим проводом. Транзистор VT1 надёжно закрыт, ЭДВ отключён. Свечение светодиода HL1 информирует о включении ЭДВ. Светодиод и резистор R12 монтируются вне блока и показаны на схеме красным цветом.

Рис. 2
Печатная плата выполнена из одностороннего фольгированного стеклотекстолита размерами 50x55 мм. Чертёж платы и расположение элементов на ней показаны на рис. 2. Печатные проводники цепей стока и истока транзистора VT1 необходимо продублировать отрезком медной проволоки диаметром 0,8...1 мм. Применены резисторы МЛТ, ОМЛТ или импортные. Конденсатор С4 - К50-35 или импортный, остальные - керамические, например, серии КМ. Микросхема DA2 КР1006ВИ1 - импортный аналог NE555. Стабилитрон КС207В (VD3) заменим любым маломощным на напряжение 12 В. Диод VD6 - любой, рассчитанный на прямой ток не менее 10 А и напряжение 50 В. Транзистор VT1 - мощный, с сопротивлением открытого канала не более 0,02 Ом, напряжением сток-исток более 50 В. ХР1, ХР2 - клеммы ножевые "вилка". Корпус РН14.121.3702 взят от регулятора напряжения автомобиля ВАЗ-2106. Печатная плата разработана под этот корпус. Алюминиевое основание корпуса служит теплоотводом для транзистора VT1. При сборке необходимо установить изолирующую прокладку между корпусом и транзистором. Электрический контакт общего провода печатной платы с корпусом осуществляется через два крепёжных винта МЗ, прижимающих транзистор к алюминиевому основанию.
• Из корпуса выведены четыре провода. Два коротких провода сечением 0,5...1 мм2 с клеммами ножевыми "вилка" на концах припаяны: один - к контакту ДС, другой - к контакту G "61" (+14 В) печатной платы (рис. 2). Через ответные клеммы "розетка" двумя проводами нужной длины их необходимо подключить соответственно к выходу датчика скорости и плюсовой клемме генератора G "61". Ещё два провода сечением 1,5 мм.2 нужной длины через клеммы ножевые "розетка" провести от ХР1 до плюсовой клеммы аккумуляторной батареи, а от ХР2 - до красного провода питания +ЭДВ "ХТ1-1". В разрыв провода, идущего к плюсовой клемме, установить плавкую вставку (FU1-15 А) в держателе.
Смонтированный блок устанавливают на левом крыле автомобиля в удобном месте. При этом необходимо обеспечить надёжный электрический контакт основания корпуса блока с корпусом автомобиля, а выведенные четыре провода укрепить на корпусе. Светодиод HL1 встраивают, например, в шкалу указателя температуры двигателя. Вывод катода подключают отрезком изолированного провода в удобном месте к корпусу автомобиля. Один вывод резистора R12 припаивают к аноду светодиода и изолируют место пайки отрезком термоусадочной трубки. К другому выводу резистора припаивают отрезок провода сечением 0,5...0,75 мм2, место пайки изолируют аналогично. Свободный конец провода соединяют с проводом, идущим от ХР2 до красного провода питания +ЭДВ "ХТ1-1".
Собранный и установленный блок необходимо наладить. Для этого потребуется провести временный провод от точки соединения конденсатора С2 с резисторами R1, R2, R7 блока в салон автомобиля. Далее подключить к этому проводу плюсовой щуп мультиметра. Минусовый щуп соединить с корпусом автомобиля. На скорости автомобиля 40 км/ч измерить напряжение, затем это же напряжение выставить на движке резистора R4 в блоке при работающем двигателе, после чего удалить временный провод. Обороты электродвигателя вентилятора можно скорректировать подбором резистора R9, если в этом появится необходимость.
После установки данного блока температура двигателя автомобиля не поднималась выше 90 °С даже в жаркое время года и находилась при спокойном стиле вождения в интервале 85...89 °С. ЭДВ ни разу не включался от штатной системы охлаждения на полную мощность.
Автор: В. Долгодров, г. Минеральные Воды
