Кислотные аккумуляторы "не любят длительного пребывания без работы". Глубокий саморазряд бывает губителен для них. Если автомобиль ставится на долгосрочную стоянку, то возникает проблема: что делать с аккумулятором. Его либо отдают кому-нибудь в работу, либо продают, что одинаково неудобно.
Я предлагаю достаточно простое устройство, которое может служить как для зарядки аккумуляторов, так и для их долгосрочного хранения в рабочем состоянии.

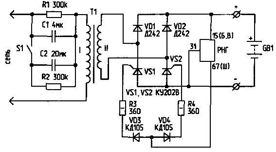
Со вторичной обмотки трансформатора Т1, ток в которой ограничен включением последовательно с первичной обмоткой балластного конденсатора (С1 или С1+С2), ток подается на диодно-тиристорный мост, нагрузкой которого является аккумуляторная батарея (GB1). В качестве регулирующего элемента применен автомобильный регулятор напряжения генератора (РНГ) на 14 В любого типа, предназначенный для генераторов с заземленной щеткой. Мною опробованы регулятор типа 121.3702 и интегральный -Я112А. При использовании "интегралки" выводы "Б" и "В" соединяются вместе и с "+" GB1. Вывод "Ш" соединяется с цепью управляющих электродов тиристоров. Таким образом, на аккумуляторной батарее поддерживается напряжение 14В при зарядном токе, определяемом емкостью конденсатора С2, которая ориентировочно рассчитывается по формуле:

где Iз - зарядный ток (А), U2 - напряжение вторичной обмотки при"нормальном"включении трансформатора (В), U1 - напряжение сети.
Трансформатор - любой, мощностью 150...250 ВА, с напряжением на вторичной обмотке 20...36 В. Диоды моста - любые на номинальный ток не менее 10 А. Тиристоры - КУ202 В, Г и т.д.
S1 служит для переключения режимов зарядки и хранения. Ток зарядки выбирается равным 0,1 от численного значения емкости аккумулятора, а ток хранения - 1...1.5А.
Если есть возможность, то периодически, примерно один раз в две недели, желательно производить разряд аккумуляторной батареи током 2Iз с контролем температуры электролита.
Настройки устройство практически не требует. Возможно, придется уточнить емкость конденсатора, контролируя ток амперметром. При этом необходимо замкнуть накоротко выводы 15 и 67 (Б, В и Ш).
(РЛ 5-99)
