Простейшее зарядное устройство для автомобильных и мотоциклетных аккумуляторных батарей, как правило, состоит из понижающего трансформатора и подключенного к его вторичной обмотке двухполупериодного выпрямителя [1]. Последовательно с батареей включают мощный реостат для установки необходимого зарядного тока. Однако такая конструкция получается очень громоздкой и излишне энергоемкой, а другое способы регулирования зарядного тока обычно ее существенно усложняют.
В промышленных зарядных устройствах для выпрямления зарядного тока и изменения его значения иногда применяют тринисторы КУ202Г. Здесь следует заметить, что прямое напряжение на включенных тринисторах при большом зарядном токе может достигать 1,5 В. Из-за этого они сильно нагреваются, а по паспорту температура корпуса тринистора не должна превышать +85°С. В таких устройствах приходится принимать меры по ограничению и температурной стабилизации зарядного тока, что приводит к дальнейшему их усложнению и удорожанию.
Описываемое ниже сравнительно простое зарядное устройство имеет широкие пределы регулирования зарядного тока - практически от нуля до 10 А - и может быть использовано для зарядки различных стартерных батарей аккумуляторов на напряжение 12 В.

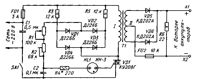
В основу устройства (см. схему) положен симисторный регулятор, опубликованный в [2], с дополнительно введенными маломощным диодным мостом VD1 - VD4 и резисторами R3 и R5.
После подключения устройства к сети при плюсовом ее полупериоде (плюс на верхнем по схеме проводе) начинает заряжаться конденсатор С2 через резистор R3, диод VD1 и последовательно соединенные резисторы R1 и R2. При минусовом полупериоде сети этот конденсатор заряжается через те же резисторы R2 и R1, диод VD2 и резистор R5. В обоих случаях конденсатор заряжается до одного и того же напряжения, меняется только полярность зарядки.
Как только напряжение на конденсато-ре достигнет порога зажигания неоновой лампы HL1, она зажигается и конденсатор быстро разряжается через лампу и управляющий электрод сммистора VS1. При этом симистор открывается. В конце полупериода симистор закрывается. Описанный процесс повторяется в каждом полупериоде сети.
Общеизвестно, например из [1], что управление тиристором посредством короткого импульса имеет тот недостаток, что при индуктивной или высокоомной активной нагрузке анодный ток прибора может не успеть достигнуть значения тока удержания за время действия управляющего импульса. Одной из мер по устранению этого недостатка является включение параллельно нагрузке резистора.
В описываемом зарядном устройстве после включения симистора VS1 его основной ток протекает не только через первичную обмотку трансформатора Т1, но и через один из резисторов - R3 или R5, которые в зависимости от полярности полупериода сетевого напряжения поочередно подключаются параллельно первичной обмотке трансформатора диодами VD4 и VD3 соответственно.
Этой же цели служит и мощный резистор R6, являющийся нагрузкой выпрямителя VD5, VD6. Резистор R6, хроме того, формирует импульсы разрядного тока, которые, как утверждает [З], продлевают срок службы батареи.
Основным узлом устройства является трансформатор Т1. Его можно изготовить на базе лабораторного трансформатора ЛАТР-2М, изолировав его обмотку (она будет первичной) тремя слоями лакотка-ни и намотав вторичную обмотку, состоящую из 80 витков изолированного медного провода сечением не менее 3 мм2, с отводом от середины. Трансформатор и выпрямитель можно заимствовать также из источника питания, опубликованного в [4]. При самостоятельном изготовлении трансформатора можно воспользоваться методикой расчета, изложенной в [5]; в этом случае задаются напряжением на вторичной обмотке 20 В при токе 10 А.
Конденсаторы С1 и С2 - МБМ или другие на напряжение не менее 400 и 160 В соответственно. Резисторы R1 и R2 -СП 1-1 и СПЗ-45 соответственно. Диоды VD1-VD4 -Д226, Д226Б или КД105Б. Неоновая лампа HL1 - ИН-3, ИН-ЗА; очень желательно применять лампу с одинаковыми по конструкции и размерам электродами - это обеспечит симметричность импульсов тока через первичную обмотку трансформатора.
Диоды КД202А можно заменить на любые из этой серии, а также на Д242, Д242А или другие со средним прямим тоном не менее 5 А. Диод размещают на дюралюминиевой теплоотводящей пластине с полезной площадью поверхности. рассеяния не менее 120 см2. Симистор также следует укрепить на тсплоотводящей пластине примерно вдвое меньшей площади поверхности. Резистор R6 - ПЭВ-10; его можно заменить пятью параллельно соединенными резисторами МЛТ-2 сопротивлением 110 Ом.
Устройство собирают в прочной коробке из изоляционного материала (фанеры, текстолита и т.п.). В верхней ее стенке и в дне следует просверлить вентиляционные отверстия. Размещение деталей в коробке - произвольное. Резистор R1 ("Зарядный ток") монтируют на лицевой панели, к ручке прикрепляют небольшую стрелку, а под ней - шкалу. Цепи, несущие нагрузочный ток, необходимо выполнять проводом марки МГШВ сечением 2,5...3 мм1.
При налаживании устройства сначала устанавливают требуемый предел зарядного тока (но не более 10 А) резистором R2. Для этого к выходу устройства через амперметр на 10 А подключают батарею аккумуляторов, строго соблюдая полярность. Движок резистора R1 переводят в. крайнее верхнее по схеме положение, резистора R2 - в крайнее нижнее, и включают устройство в сеть. Перемещая движок резистора R2, устанавливают необходимое значение максимального зарядного тока.
Заключительная операция - калибровка шкалы резистора R1 в амперах по образцовому амперметру.
В процессе зарядки ток через батарею изменяется, уменьшаясь к концу примерно на 20%. Поэтому перед зарядкой устанавливают начальный ток батареи несколько большим номинального значения (примерно на 10%). Окончание зарядки оправляют по плотности электролита или вольтметром - напряжение отключенной батареи должно быть в пределах 13,8...14,2 В.
Вместо резистора R6 можно установить лампу накаливания на напряжение 12 В мощностью около 10 Вт, разместив ее снаружи корпуса. Она индировала бы подключение зарядного устройства к аккумуляторной батарее и одновременно, освещала бы рабочее место.
ЛИТЕРАТУРА
1. Энергетическая электроника. Справочное пособие под ред. В.А.Лабунцова - 1987. с.280. 281, 426. 427.
2. Фомин В. Симисториый регулятор мощности. - Радио, 1981. N 7, с.63.
3. ЗДРОК А. Г. Выпрямительные устройства стабилизации напряжения и заряда аккумуляторов - М.: Энергоатомиздат, 1988.
4. Гвоздицкий Г. Источник питания повышенной мощности.-Радио, 1992.N4, с.43-44..
5. Николаев Ю. Самодельный блок питания? Нет ничто проще. - Радио, 1992, N4. с. 53,54.
