Основой для разработки и изготовления этого указателя включённой передачи коробки переключения передач автомобиля стал прибор, описанный в статье С. Гуляева "Индикатор включённой передачи" ("Радио", 2010, № 6, с. 41). О том, что такой указатель полезен как новичкам, так и опытным водителям, в ней сказано достаточно, чтобы появилось желание такой прибор изготовить и установить в свой автомобиль. Но автору предлагаемой статьи захотелось усовершенствовать его, дополнив некоторыми новыми функциями.
Отличительная особенность предлагаемого указателя включённой передачи - индикация включения не только прямых передач, но и заднего хода, а также стояночного тормоза. Кроме того, в определённых случаях на индикатор выводятся стрелки, рекомендующие водителю перейти на повышенную или пониженную передачу.
При установке в автомобиле несложного датчика нейтрального положения рычага перемены передач указатель сигнализирует и о нём. А когда двигатель заведён, но автомобиль не движется, указатель превращается в квазианалоговый тахометр.

Рис. 1
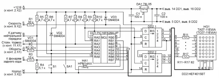
Схема указателя изображена на рис. 1. Поскольку собранный мной прибор установлен в автомобиле ВАЗ-2110, позиционные номера разъёмов X1 и X2 и номера их контактов соответствуют принципиальной схеме комбинации приборов этого автомобиля.
Основа указателя - микроконтроллер DD1, работающий от внутреннего тактового RC-генератора. Начиная свою работу, программа микроконтроллера конфигурирует выводы его портов как входы и выходы в соответствии с их назначением в указателе, отключает неиспользуемые внутренние модули. Затем циклически происходит анализ сигналов датчиков скорости движения и частоты вращения коленчатого вала двигателя, выключателя фонарей заднего хода, контактных датчиков состояния стояночного тормоза, нейтральной передачи и выключателя режима калибровки SA1, проверяется наличие перемычки S1. По результатам анализа этих сигналов на матричном светодиодном индикаторе HG1 формируются изображения символов, характеризующих включённую передачу и некоторые особые ситуации.
Информация на индикатор HG1 выводится в динамическом режиме. Если применён индикатор с общими анодами светодиодов каждого столбца матрицы, например TA07-11EWA, перемычка S1 должна отсутствовать. При этом на каждом из выходов RB3-RB7 микроконтроллера программа поочерёдно, через определённые промежутки времени, устанавливает напряжение высокого логического уровня при низком уровне на остальных четырёх выходах. Этим выбирается один из столбцов светодиодов индикатора HG1.
Какие из светодиодов выбранного столбца будут включены, определяет код, загруженный микроконтроллером через выходы RA0 и RA1 в сдвиговый регистр DD2. Низкий уровень на выходе регистра означает, что соединённый с ним катодом светодиод активного в данный момент столбца матрицы включён, а высокий - выключен. По истечении установленного времени программа выбирает следующий столбец и загружает в сдвиговый регистр предназначенный для него код. За счёт инерции зрения все светодиоды, образующие выводимый символ, кажутся включёнными одновременно.
Если применён индикатор с общими катодами светодиодов каждого столбца, например TC07-11EWA, перемычку S1 следует установить. В этом случае импульсы на выходах RB3-RB7 и коды, загружаемые в сдвиговый регистр DD2, будут программно проинвертированы, что и требуется для работы такого индикатора.

Рис. 2
Большинство деталей указателя размещены на печатной плате, показанной на рис. 2, а индикатор HG1 с гасящими резисторами R11-R17 - на отдельной небольшой печатной плате, изображённой на рис. 3. Платы соединяют между собой жгутом монтажных проводов, причём номера контактных площадок, к которым их припаивают, на обеих платах совпадают с номерами проводов согласно схеме рис. 1. Платы рассчитаны на установку резисторов и конденсаторов для поверхностного монтажа типоразмера 1206. Диоды VD1-VD3 и сдвиговый регистр DD2 - также в корпусах для поверхностного монтажа.

Рис. 3
Плату с индикатором помещают в удобном для наблюдения его показаний водителем месте. Основную плату крепят на стойках к обратной стороне комбинации приборов автомобиля или помещают в корпус подходящих размеров. Соединения указателя с комбинацией приборов выполняют отрезками монтажного провода.
Если автомобиль неподвижен и при этом включён стояночный тормоз (на катоде диода VD1 установлен логически низкий уровень напряжения), на индикатор выводится буква P. Если включена передача заднего хода, на индикаторе отображается буква R и звучит серия прерывистых звуковых сигналов, подаваемых излучателем звука HA1, дополнительно привлекающих внимание водителя. Буква R имеет приоритет перед P. Значит, если передачу заднего хода и стояночный тормоз включить одновременно, будет выведена буква R и подан звуковой сигнал.
Если не включены стояночный тормоз или передача заднего хода и при этом автомобиль не движется, индикатор превращается в шкалу псевдоаналогового тахометра. Высота столбца светящихся светодиодов пропорциональна частоте вращения коленчатого вала двигателя. Импульсный сигнал с датчика частоты вращения поступает на вход RA4 DD1 через резистор R2 и защитный диод VD2. По каждому импульсу выполняется инкремент содержимого регистра TMR0 внутреннего таймера микроконтроллера. В результате число импульсов, подсчитанных таймером за определённое время, пропорционально частоте вращения коленчатого вала.
Если двигатель остановлен, столбец погашен. При частоте вращения не более 1000 мин-1 его высота - один светодиод, при частоте 1000...2000 мин-1 - два, при 2000.3000 мин-1 - три. И так далее до шести светодиодов при частоте 5000 мин-1. Если частота более 5500 мин-1, вспыхивает весь индикатор, предупреждая водителя о недопустимости дальнейшего повышения частоты без нагрузки на двигатель.
Когда автомобиль движется, импульсный сигнал от датчика скорости его движения поступает на вход RB0 DD1 через резистор R1 и защитный диод VD3. Программа микроконтроллера подсчитывает число этих импульсов за промежутки времени между переполнениями таймера TMR0, обратно пропорциональные частоте вращения коленчатого вала. Поэтому результат счёта пропорционален отношению частот вращения выходного вала коробки передач и коленчатого вала двигателя, т.е. при полностью включённом сцеплении - передаточному числу коробки. Образцовые значения, на основании сравнения с которыми программа выносит заключение о включённой передаче (с первой по пятую), хранятся в EEPROM микроконтроллера.
По текущей частоте вращения коленчатого вала двигателя программа анализирует правильность выбора передачи. На первой и второй передачах двигаться рекомендуется при частоте вращения коленчатого вала не более 3000 мин-1. На третьей и четвёртой передачах допустимая частота увеличена до 4000 мин-1, а её минимальное значение на третьей-пятой передачах принято равным 1400 мин-1. При выходе за эти пределы на индикаторе цифр номера включённой передачи заменяются стрелками, подсказывающими, что нужно сменить передачу и в каком направлении. Через 1,5.2 с вновь выводится номер включённой передачи.
При нажатой педали сцепления результаты счёта импульсов могут не соответствовать ни одной из имеющихся передач. О такой ситуации сигнализирует буква С на индикаторе.
Иногда при движении двигатель глохнет. Причины этого могут быть разными, но в такой ситуации наибольшую опасность представляет потеря эффективности тормозов. О необходимости запустить двигатель предупреждает буква Д на индикаторе.
Зная передаточные числа зубчатых пар коробки перемены передач автомобиля и характеристики установленных на нём датчиков частоты вращения коленчатого вала двигателя и скорости движения, можно заранее рассчитать образцовые числа импульсов для определения включённой передачи и занести их в EEPROM микроконтроллера при его программировании. Но предусмотрен и другой способ.
Выберите достаточно длинный прямолинейный участок дороги с небольшим движением. После запуска двигателя замкните выключатель SA1. На индикатор будет выведена буква K. Включите первую передачу и начните движение. Микроконтроллер подсчитает импульсы датчика скорости и вычислит среднее арифметическое значение результатов трёх измерений. На индикатор будет выведен номер передачи - первый. Не прекращая движения, включите вторую передачу и дождитесь, когда на индикаторе появится её номер. Такие же операции выполните с остальными передачами, вплоть до пятой. После этого полученные результаты будут автоматически записаны в EEPROM. Прозвучит звуковой сигнал. Разомкните выключатель SA1. Указатель готов к эксплуатации.
Датчик нейтрального положения рычага перемены передач можно изготовить из постоянного магнита и геркона. Магнит укрепляют на рычаге, а геркон располагают поблизости так, чтобы он был замкнут под действием магнитного поля только при нейтральном положении рычага. При этом на индикатор будет выведена буква N.
Программу микроконтроллера можно скачать здесь.
Автор: С. Кашутин, г. Трёхгорный Челябинской обл.
