Правильная эксплуатация автомобильной аккумуляторной батареи — залог длительного срока ее службы и нормальной работы всей системы электропитания. Контроль режима зарядки-разрядки батареи позволяет вовремя предпринять необходимые профилактические меры, а также следить за исправностью генератора, стартера, электропроводки.
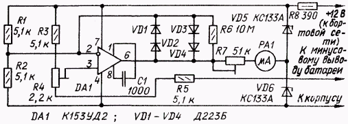
Индикатор измеряет падение напряжения на проводнике, соединяющем минусовой вывод батареи с корпусом автомобиля. Этот проводник включен в резистивный измерительный мост R1—R5, что позволяет снимать с моста разнополярные сигналы и усиливать их ОУ с однополярным питанием. В цепь отрицательной обратной связи ОУ DA1 включены логарифмические диоды VD1—VD4, которые рас ширяют пределы измеряемого тока, позволяя измерять даже ток, потребляемый стартером при пуске двигателя.

Регистрирующим прибором может служить любой магнитоэлектрический миллиамперметр или микроамперметр, имеющий шкалу с нулем- посредине, например, М733 с током полного отклонения стрелки 50мкА. На шкале удобнее всего разместить равномерно три метки справа и слева от нуля: 5 А, 50 А и 500 А. Питает индикатор параметрический стабилизатор на напряжение 6,6 В. Правый по схеме вывод резистора R5 оставляют постоянно подключенным непосредст венно к минусовому выводу батареи.
Для градуировки шкалы индикатора сначала подают на него питание непосредственно от батареи аккумуляторов и подстроечным резистором R4 устанавливают стрелку микроамперметра на нулевую огметку. Затем при выключенном ключе зажигания (с целью исключения протекания неконтролируемого тока батареи) плюсовой вывод батареи через мощный (около 60 Вт) резистор сопротивлением 2,4 Ом соединяют с корпусом автомобиля и подстроечным резистором R7 устанавливают стрелку на отметку 5 А. После градуировки плюсовой вывод питания индикатора подключают к плюсовому проводу бортовой электросети автомобиля. Проверять градуировку на токе 50 и 500 А нет необходимости.
Автор: Л. МАШКИНОВ, Радио 4 1989
