Существуют приборы промышленного изготовления для проверки автомобильных свечей зажигания, однако, на первый взгляд, они имеют недостатки. Во-первых, создавать в таких приборах давление, близкое к максимальному, ручным насосом очень тяжело. Во-вторых, наличие искры в них определяется визуально, но при высокой частоте искрообразо-вания можно не заметить отсутствие нескольких искр.
Поэтому мной предпринята попытка устранить эти недостатки. Первый недостаток устраняется довольно легко - покупкой электронасоса для накачивания шин с максимальным давлением 14 атм, необходимо только организовать относительно мощное его питание.
Со вторым недостатком пришлось изрядно повозиться, поскольку при завинчивании свечи неизвестно, как она установится. Может так случиться, что боковой электрод загородит искру, и её не будет видно. Для исключения этого явления было принято решение использовать шесть датчиков (фототранзисторов), равномерно распределённых по окружности и подключённых параллельно. Датчики расположены так, чтобы можно было проверять свечи с короткой резьбовой частью. Для проверки свечей с длинной резьбовой частью используется переходник-проставка.
Можно повозиться и изготовить самостоятельный прибор, используя задающий генератор, настроенный на частоту 200...220 Гц, узел реверса и счётчик сбоев, опубликованный в моей статье "Установка "Искра-2" для проверки приборов системы зажигания ВАЗ".
Но я посчитал, что у меня уже есть базовый блок, и поэтому предлагаемый прибор используется как приставка к базовому блоку. Частоту искрообразования в базовом блоке устанавливают в пределах 200...220 Гц.
Основа прибора - стальной цилиндр, в котором по оси просверлено глухое отверстие, которое имитирует камеру сгорания двигателя автомобиля (рис. 1). В начале этого отверстия на длину ввинчиваемой части свечи нарезана резьба. По окружности на уровне электродов свечи просверлены шесть отверстий для датчиков. В эти отверстия клеем, для приклеивания автомобильных лобовых стёкол, вклеены стёкла толщиной более десяти миллиметров и прижаты болтами. В болтах просверлены отверстия для установки датчиков.

Рис. 1.
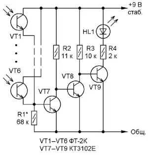
Схема подключения свечи к базовому блоку показана на рис. 2, на которой F1 - испытуемая свеча. Схема приставки представлена на рис. 3. Приставка особенностей не имеет. Её питают от стабилизированного источника напряжением 9 В. Резистором R1 регулируют чувствительность устройства. В базовом блоке активируют один из четырёх каналов, в отверстие фотоприёмника вставляют светодиод HL1 приставки.

Рис. 2. Схема подключения свечи к базовому блоку

Рис. 3. Схема приставки
Учитывая, что вход узла датчиков высокоомный, близко к прибору расположены катушка зажигания и высоковольтный провод, идущий к свече зажигания, могут наводиться мощные помехи. Поэтому провода, идущие от фотодатчиков (рис. 4), и само устройство экранированы. Провод питания -9 В ("Общ.") приставки соединяют с клеммником -12 В базового блока.

Рис. 4. Провода, идущие от фотодатчиков
Надо отметить, что со свечами, прошедшими отбор на установке, двигатели работают исключительно хорошо.
Автор: Н.Осипов, г. Курск
