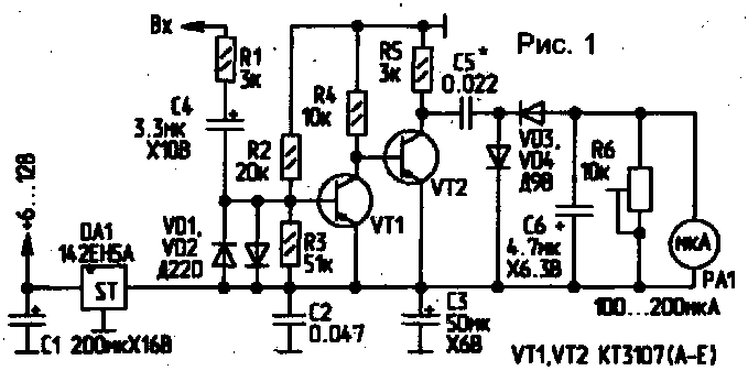
Во многих мотоциклах, мопедах, мотонартах и другой мототехиике отсутствует такой важный прибор как тахометр. Предлагаю простой и надежный электронный тахометр. Он рассчитан на работу с одноцилиндровым двухтактным двигателем внутреннего сгорания с контактной или бесконтактной системой зажигания и позволяет измерять частоту вращения коленчатого вала до 10000 об/мин. Схема тахометра приведена на рис. 1.
В исходном состоянии транзистор VT1 закрыт, а VT2 открыт. В это время левая (по схеме) обкладка конденсатора С 5 соединена через малое сопротивление открытого транзистора VT2 с шиной +5 В. Ток в это время через микроамперметр РА1 не идет. При первом отрицательном полупериоде переменного напряжения, поданного на вход тахометра, транзистор VT1 открывается, а VT2 закрывается. В это время С5 быстро заряжается через микроамперметр РА1, VD3 и R5.

рис.1
При положительном полупериоде входного напряжения VT1 закрывается, а VT2 открывается. Теперь С5 разряжается через малое сопротивление открытого VT2 и VD4. При следующем отрицательном полупериоде процесс повторяется.
Подстроечным резистором R6 устанавливается верхняя граница частоты измеряемого сигнала. Номинал С5 подбирается в зависимости от типа двигателя. Чем выше частота оборотов двигателя, тем меньше должна быть емкость конденсатора С5. Правильно собранная схема наладки не требует. Следует только подстроечным резистором R6 установить максимальные показания тахометра, открыв дроссельную заслонку двигателя до конца.
Схема подключения тахометра к электрооборудованию мотоцикла показана на рис.2.

рис.2
Если зажигание контактное, вход тахометра подключается к точке А. Для бесконтактного зажигания - к точке Б.
