Простой формирователь прямоугольных импульсов, работающий от бытовой электросети переменного тока 50 Гц, был описан в [1]. Там достаточно подробно рассказано о принципе его работы и приведены временные диаграммы получаемых на выходе импульсов. В журнале "Катера и яхты" было рекомендовано использовать такой формирователь взамен генератора стандартных сигналов и частотомера при проверке и калибровке бесконтактных электронных тахометров для подвесных лодочных двигателей, схемы которых были в своё время опубликованы в [2, 3]. Калибровка при этом была возможна только на одной частоте 50 Гц, что соответствует частоте вращения вала одноцилиндрового двухтактного подвесного двигателя 3000 мин-1.
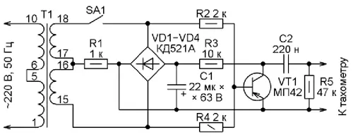
Схема усовершенствованного мною формирователя изображена на рисунке. Он позволяет проверять и калибровать электронный тахометр на двух частотах (50 Гц и 100 Гц), что позволяет повысить точность измерения частоты вращения. Это обеспечивается гарантированной погрешностью поддержания частоты переменного тока в городской электросети ±0,4 % (согласно п. 5.6 [4]) и применением в тахометре стрелочной измерительной головки класса 1,5. Имеющиеся в продаже электронные тахометры обладают только десятипроцентной точностью.

Схема формирователя
Усовершенствованный формирователь отличается от исходного тем, что на базу транзистора VT1 через резисторы R2 и R4 поступает пульсирующее напряжение от выпрямителя на диодах VD1-VD4, питающегося от обмотки трансформатора T1 со средним выводом. При разомкнутых контактах выключателя SA1 выпрямитель однопо-лупериодный и выходные импульсы следуют с частотой 50 Гц (3000 мин-1), а при замкнутых он двухполупериодный, а частота импульсов - 100 Гц (6000 мин-1). Дифференцирующая цепь C2R5 позволяет получить на выходе не прямоугольные, а остроконечные импульсы, по форме подобные снимаемым с высоковольтного провода системы зажигания двигателя.
Устройство просто в изготовлении, не содержит никаких дефицитных радиоэлементов и не требует налаживания. В качестве T1 применён унифицированный броневой трансформатор питания ТПП236-127/220-50. Он может быть заменён другим габаритной мощностью не менее 9 ВА с двумя вторичными обмотками на 15...20 В или с одной вторичной обмоткой на удвоенное напряжение, имеющей отвод от середины. Транзистор VT1 может быть любым из серий МП25, МП26 или современным маломощным транзистором структуры p-n-p с допустимым напряжением коллектор-эмиттер не менее 60 В. Можно применить и транзистор структуры n-p-n, но в этом случае следует изменить полярность включения диодов и оксидного конденсатора C1.
В добавление к сказанному я рекомендую применять в тахометрах именно стрелочный индикатор, который, в отличие от цифрового, адекватно отображает динамику изменений частоты вращения вала двигателя.
Литература
1. Лезин А. Приставка для получения прямоугольных импульсов. - Радио, 1971, № 1, с. 51.
2. Егоров М. Электронный тахометр, пригодный для любого двигателя. - Катера и яхты, 1973, № 4, с. 66-68.
3. Беляцкий Ю., Савин И. Электронный тахометр с растянутыми диапазонами. - Катера и яхты, 1981, № 1, с. 52-55.
4. Межгосударственный стандарт ГОСТ 13109-97. Нормы качества электрической энергии в системах электроснабжения общего назначения. - URL: http://so-ups.ru/ fileadmin/files/company/r-n-tpolitics/ frequency/specdocs/sto_standard/ GOST_13109-97.pdf (23.10.14).
Автор: Н. Эльманович, г. Москва
