
Автолюбителю

Мнения читателей
- Сергей/24.06.2013 - 21:08
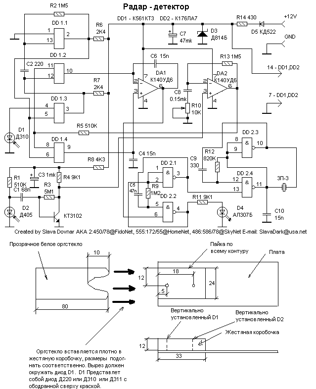
Господа радиолюбители подскажите пожалуйста в схеме антирадара можно ли использовать вместо диодов Д405 диоды Д604.
- nikolai boqnov/14.01.2013 - 18:45
ne stava za ni6to не работяят
- dman_pcb/22.08.2010 - 18:47
По всякому эту схему пробовал переделывать - не ловит она ничего =(. У нас на трассе в одном месте стационарные камера фиксации и радар висят, так вот сто раз там проезжал - ноль. в итоге плюнул и забросил ее в дальний ящик! Купил себе готовый радар-детектор, который даже лазеры ловит.
- galunko/14.07.2010 - 13:45
dman-PCB Микроволновкой проверь. Там как раз около 2 с половиной Гиг.Только диод ставь не Д310!
- galunko/14.07.2010 - 13:34
была у меня похожая штуковина в девяностых...Ничего не скажу.Работала Гаишников засекала за 3 км.Вот только тут кто то пошел по пути сверхупрощения скорее всего чужие лавры покоя не дают.Как это у него Д220 будет детектировать гигагерцы при своей fраб дай бог 200 мгц.Уменя стояло 2 СВЧ диода по-моему Д604 или Д405 .если уж достал один то достань другой.да и волновод был не из оргстекла а как положено в СВЧ-ИЗ ФТОРОПЛАСТА. Кстати белый и прозрачный-две большие разницы.Товарисч видно укуренный были...Кстати эту схему в Инете можно найти в менее испохабленном виде.Гаишники-правильно-совершенствуются в своих приборах в сторону ухода в все выше по частоте .А то каждый понимаешь их на детекторный приемник высекать будет...Каковым данная схема и является.
- dman_pcb/05.07.2010 - 18:33
Собрал!Проверить не знаю, где...Надо гаишника ловить =)
- Yuri UR5MMJ/24.02.2010 - 11:52
Это фуфло расчитаное на старые БАРЬЕРы,работающие в 3 сантиметровом диапазоне.А сейчас кроме ИК,есть радары работающие на частоте 24,1ГГц,34,1ГГц,70ГГц.
- LAVANDFOSIK/23.12.2009 - 17:09
Prosta nekotorije radari rabotajut na drugoi 4astote.Ja dumaju jego pod novije radri perenestraivatj
- Радий/23.07.2009 - 04:33
Ребят, нихера не шарю в радиоэлектронике, подскажите пожалуйста, работает-ли эта херня? Почему нет вообще никакого описания? Где можно достать рабочую схемку, если эта - "фуфло"?
- mihail/18.02.2009 - 22:34
схемка проста как божий день и на большинство радаров не реагирует. фуфло.
