Зарядное устройство для автомобильных аккумуляторов желательно дополнить автоматом, включающим его при понижении напряжения на АБ до минимума и отключающим после зарядки. Особенно это актуально при использовании батареи в качестве резервного питания или при долгосрочном хранении АБ без работы - для предотвращения саморазряда.
Предлагаемая схема включает АБ на зарядку при понижении на ней напряжения до определенного уровня и отключает при достижении максимума.
Максимальным напряжением для кислотных автомобильных аккумуляторов является величина 14,2...14,5 В, а минимально допустимое при разряде - 10,8 В. Минимум желательно ограничить для большей надежности величиной 11,5...12 В.
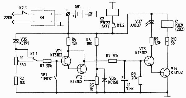
Предлагаемая схема (рис.1) состоит из компаратора на транзисторах VT1, VT2 и ключа на VT3, VT4.

Рис.1. Принципиальная схема автомата для зарядного устройства
Работает схема следующим образом. После подключения батареи и включения сети нажимают кнопку SB1 "Пуск". Транзисторы VT1 и VT2 закрываются, открывая ключ VT3, VT4, включающий реле К1. Оно своими нормально замкнутыми контактами К1.2 отключает реле К2, нормально замкнутые контакты которого (К2.1), замыкаясь, подключают зарядное устройство (ЗУ) к сети.
- Такая сложная схема коммутаций используется по двум причинам:
- во-первых, обеспечивается развязка высоковольтной цепи от низковольтной;
- во-вторых, чтобы реле К2 включалось при максимальном напряжении АБ и отключалось при минимальном, т.к. примененное реле РЭС22 (паспорт РФ 4500163) имеет напряжение включения 12...12,5 В.
Контакты К1.1 реле К1 переключаются в нижнее по схема положение. В процессе зарядки АБ напряжение на резисторах R1 и R2 возрастает, и при достижении на базе VT1 отпирающего напряжения, транзисторы VT1 и VT2 открываются, закрывая ключ VT3, VT4.
Реле К1 отключается, включая К2. Нормально замкнутые контакты К2.1 размыкаются и обесточивают зарядное устройство. Контакты К1.1 переходят в верхнее по схеме положение. Теперь напряжение на базе составного транзистора VT1, VT2 определяется падением напряжения на резисторах R1 и R2. По мере разряда АБ напряжение на базе VT1 снижается, и в какой-то момент VT1, VT2 закрываются, открывая ключ VT3, VT4. Снова начинается цикл зарядки. Конденсатор С1 служит для устранения помех от дребезга контактов К1.1 в момент переключения.
Регулировку устройства проводят без АБ и зарядного устройства. Необходим регулируемый источник постоянного напряжения с пределами регулировки 10...20 В. Его подключают к выводам схемы вместо GB1.
Движок резистора R1 переводят в верхнее положение, а движок R5 - в нижнее. Напряжение источника устанавливают равным минимальному напряжению батареи (11.5...12 В). Перемещением движка R5 добиваются включения реле К1 и светодиода VD7. Затем, поднимая напряжение источника до 14,2...14,5 В, перемещением движка R1 достигают отключения К1 и светодиода. Изменяя напряжение источника в обе стороны, убеждаются, что включение устройства происходит при напряжении 11,5...12 В, а отключение - при 14,2...14,5 В. На этом регулировка заканчивается.
В качестве R1 и R5 желательно применять многооборотные потенциометры типа СП5-3 или подобные.
Автор: К.СЕЛЮГИН, г.Новороссийск
