Автор предлагает несложный для повторения блок, на выходе которого появляется сигнал о запуске и работе автомобильного двигателя. Установка датчика в устройство управления прогреванием двигателя, разработанного и опубликованного ранее [1], приводит к повышению надёжности работы устройства. Датчик может быть использован и как автономный.
При попытке установки данного устройства в автомобиль ВАЗ 21074 с инжекторным двигателем возникли проблемы с надёжностью пуска.[1]. Дело в том, что в этих моделях автомобилей выходные импульсы с электронного блока - датчика тахогенератора (ДТГ) имеют амплитуду +5 В и по уровню совместимы с TTЛ логикой. Причём постоянная составляющая +5 В появляется сразу после включения зажигания ещё до запуска двигателя. Это напряжение, поступая на базу транзистора VT3 датчика "двигатель работает" через резистивный делитель R22-R24, вызывало проблемы с пуском. Необходимо было разработать новый датчик, свободный от указанного недостатка. Он выполнен отдельным блоком и может быть установлен не только в разработанное ранее устройство управления прогреванием двигателя, но и на другие модели автомобилей, в том числе как автономный блок индикации запуска и работы двигателя.

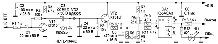
Рис. 1. Схема датчика
Схема датчика представлена на рис. 1. Он собран на распространённой микросхеме К554СА3 [2] и двух транзисторах КТ315Г. На транзисторе VT1 собран усилитель-инвертор сигналов с ДТГ, которые появляются на его выходе в виде последовательности прямоугольных импульсов с момента начала запуска двигателя стартёром. Диоды VD1, VD2 выпрямляют эти импульсы. Далее выпрямленное напряжение сглаживает конденсатор С4, и в виде нарастающего положительного перепада оно поступает на эмиттерный повторитель на транзисторе VT2. C выхода эмиттерного повторителя нарастающий перепад напряжения поступает на цепь задержки R5R6С5. Она необходима для задержки подачи напряжения в блок управления, чтобы счётчик DD5 (см. статью и рис.1 [1]) нормально отработал время запуска двигателя и только затем отключился. Задержанный по времени перепад напряжения поступает на инвертирующий вход компаратора DA1, собранного на указанной выше микросхеме К554СА3. Резисторы R7-R9 образуют источник образцового напряжения. Подстроечным резистором R8 устанавливают порог срабатывания компаратора, тем самым регулируют время задержки. При указанных на схеме номиналах цепи R5R6C5 время задержки равно 1,5 с при установке движком резистора R8 напряжения на неинвертирующем входе компаратора около +3,8 В. Через это время после пуска двигателя автомобиля на выходе (вывод 2) DA1 появится напряжение около 8 В, которое через токоограничивающий резистор R13 поступает на выход датчика. Светодиод HL1 индицирует, что двигатель запущен.
В датчике можно применить резисторы, оксидные конденсаторы и керамический С6, маломощные диоды и транзисторы структуры n-p-n любого типа. Микросхему К554СА3 можно заменить аналогом LM311, но цоколёвка у неё другая.
Датчик собран на печатной плате из фольгированного с одной стороны стеклотекстолита размерами 112x76 мм. Чертёж печатных проводников платы и расположенные на ней элементы показаны на рис. 2.

Рис. 2. Чертёж печатных проводников платы и расположенные на ней элементы
Для сопряжения с указанным выше устройством управления [1] выход датчика подсоединяют к контакту 6 разъёма Х1.2, алинию питания +9 В и общий провод - соответственно к контактам 1 и 2 разъёма Х5. Если предполагается автономная работа датчика, то линию питания +9 В подключают к бортовой
сети автомобиля через любой стабилизатор напряжения +9 В с током нагрузки не менее 20 мА.
Налаживание собранного датчика заключается в установке движком под-строечного резистора R8 необходимой задержки.
Если это устройство будет встроено в автомобиль с карбюраторным двигателем, то сопротивление резистора R1 необходимо увеличить до 100 кОм, а на его входе установить дополнительный маломощный стабилитрон (на рис. 1 не показан) на напряжение около 5 В, например КС447А. Катод стабилитрона подключают к точке соединения резистора R1 с конденсатором С1, а анод - к общему проводу. На печатной плате для стабилитрона предусмотрены две свободные контактные площадки с отверстиями.
Литература
1. Натненков А. Устройство управления прогреванием двигателя. - Радио, 2007, № 7, с. 38-41.
2. Chipinfo. К554СА3А, К554СА3Б - компаратор напряжения с малым входным током. - URL: http://www.chipinfo.ru/dsheets/ic/ 554/ca3.html (21.01.2015).
Автор: А. Натненков, г. Каргат Новосибирской обл.
