Автор использует для разрядки аккумуляторов упрощённое устройство, собранное на отечественных элементах. Оно также питается только от разряжаемого аккумулятора и автоматически отключается от него при снижении его напряжения до заданного уровня 0,95... 1 В.

Рис. 1
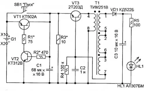
Схема предлагаемого устройства показана на рисунке. Собственно разрядное устройство собрано на транзисторах VT1 и VT2, резисторах R1- R3, конденсаторе С1. Светодиод HL1 - индикатор разрядки. Он включён последовательно с токоограничивающим резистором R5. Так как напряжение одного аккумулятора недостаточно для свечения этого индикатора, то для питания светодиода применён повышающий преобразователь напряжения, содержащий блокинг-генератор и выпрямитель на диоде VD1 со сглаживающим конденсатором СЗ. Блокинг-генератор собран на транзисторе VT3, повышающем трансформаторе Т1, резисторе R4 и конденсаторе С2. Кнопка SB 1 предназначена для запуска разрядки аккумулятора.
Транзистор VT1 - кремниевый биполярный структуры р-n-р с максимальным током коллектора, в 1,5...2 раза большим максимального тока разрядки аккумулятора, и напряжением насыщения не более 0,2 В. Транзисторы VT2 и VT3 - любые кремниевые биполярные маломощные соответствующей структуры. Т1 - миниатюрный импульсный трансформатор ТИМ251 В. Конденсаторы С1 и СЗ - оксидные алюминиевые. Конденсатор С2 - любой керамический.
Для налаживания устройства необходим источник напряжения, плавно регулируемого в пределах 0,8...1,5В. Его подключают через последовательно соединённый миллиамперметр вместо разряжаемого аккумулятора G1. Вначале устанавливают напряжение 0,8 В и проверяют, что при нажатии на кнопку SB1 загорается светодиод HL1. Далее подбирают резистор R2, чтобы устройство автоматически отключалось при требуемом значении плавно уменьшающегося напряжения. Облегчить налаживание устройства можно, если вместо постоянного резистора R2 установить подстроечный многооборотный, например СГ13-39Н, включённый как реостат. Резистор R1 подбирают при необходимости так, чтобы транзистор VT1 был насыщен и падение напряжения между его коллектором и эмиттером не превышало 0,2 В. Подборкой резистора R3 устанавливают необходимый ток разрядки.
Напряжение отключения определяется зависящими от температуры параметрами транзисторов VT1 и VT2. Устройство можно дополнительно упростить, удалив элементы, показанные на схеме справа от резистора R3. Индикатором режима разрядки может быть миллиамперметр, соединённый последовательно с резистором R3, или миниатюрная лампа накаливания, подключённая параллельно этому резистору. Например, свечение лампы СМН-6,3-20 заметно при напряжении 1 В.
Автор: А. Сучинский, г, Балашиха Московской обл.
