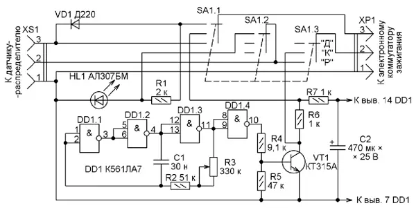
Предлагаемый несложный прибор позволяет быстро найти неисправный узел электронной системы зажигания. Его схема изображена на рисунке. Прибор состоит из собранного на микросхеме DD1 и транзисторе VT1 генератора импульсов запуска электронного коммутатора системы зажигания и светодиода HL1, служащего индикатором импульсов, вырабатываемых установленным в распределителе зажигания датчиком Холла. Режим работы прибора выбирают переключателем SA1: Д - проверка датчика; К - проверка электронного коммутатора; Р - работа.
Розетку XS1, выведенную из прибора жгутом из трёх проводов длиной 0,5 м, подключают к вилке на распределителе зажигания, отключив от неё розетку, которой оканчивается жгут проводов, идущий от электронного коммутатора. Отключённую от распределителя зажигания розетку присоединяют к вилке XP1 прибора. К контакту 1 должен присоединяться бело-чёрный провод жгута, к контакту 2 - зелёный, к контакту 3 - пурпурный.

Рис. Схема прибора для проверки систем электронного зажигания
С распределителя зажигания снимите центральный высоковольтный провод, идущий от катушки зажигания, и подключите его к центральному электроду контрольной свечи зажигания. Это может быть любая исправная свеча, в том числе бывшая в употреблении. Её корпус соедините с корпусом автомобиля. Для этого можно использовать зажим "крокодил" большого размера.
Переключатель SA1 установите в положение Р. Включите зажигание, и проворачивайте двигатель стартёром, наблюдая искры в зазоре контрольной свечи. Если они имеются и следуют без пропусков, то система зажигания исправна. В противном случае в ней имеется неисправность.
Переведите переключатель SA1 в положение К. При включённом зажигании проворачивайте двигатель стартёром, одновременно вращая ручку переменного резистора R3 "Обороты". Во всех положениях переменного резистора в зазоре контрольной свечи должны регулярно проскакивать белые искры. Если искр нет, они следуют с пропусками или в некоторых положениях движка переменного резистора пропадают, то неисправен и подлежит замене электронный коммутатор.
Если он исправен, переведите переключатель SA1 в положение Д и, не выключая зажигания, проворачивайте двигатель стартёром. Если светодиод HL1 периодически ярко мигает, то датчик Холла исправен. В противном случае он подлежит замене.
Чтобы проверить, не пробит ли бегунок распределителя зажигания, установите переключатель SA1 в положение К. Снимите крышку распределителя и отрезком высоковольтного провода длиной 50 см с маленькими разъёмами "крокодил" на обоих концах соедините контакт бегунка с центральным электродом контрольной свечи, к которому уже подключён провод от катушки зажигания.
Проворачивайте двигатель стартёром при включённом зажигании, и одновременно вращайте ручку переменного резистора R3. Во всех положениях переменного резистора в зазоре контрольной свечи должны регулярно проскакивать белые искры. Если их нет или они следуют с пропусками или в каких-либо положениях движка переменного резистора пропадают, то бегунок следует заменить.
Прежде чем проверять исправность крышки распределителя зажигания, установите переключатель в положение К. Не включая зажигание, медленно поверните коленчатый вал двигателя в такое положение, чтобы бегунок стал точно посередине между любыми соседними контактами крышки, ведущими к свечам в цилиндрах. Оденьте крышку на распределитель и поочерёдно вставляйте высоковольтный провод (которым соединяли бегунок с контрольной свечой) в каждое из пяти гнёзд крышки, каждый раз включая зажигание. Контрольная свеча должна давать полноценные искры во всех положениях движка переменного резистора R3. Если при подключении хотя бы к одному гнезду искр не будет, крышка должна быть заменена новой.
Теперь система электронного зажигания проверена полностью, осталось заменить неисправные элементы.
Автор: Л. Ччайи, г. Брянск
