Мне не понравился щёлкающий механический звук штатного реле указателя поворота автомобиля KIA RIO II. У более современных и дорогих машин функцию реле указателя поворота, как правило, выполняет микроконтроллер. Например, в панели приборов Supervision (с графическим дисплеем у спидометров) KIA Ceed используется цифровой сигнализатор звука реле поворотов, обеспечивающий более приятный звук.
Я попробовал добиться такого же приятного звука без микропроцессоров и микроконтроллеров с использованием аналоговых узлов. Ключевую часть схемы - управляемый генератор на микросхеме от штатного реле - оставил без изменений.

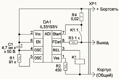
Рис. 1. Схема реле
Для сборки нового бесконтактного реле я приобрёл реле указателя поворотов 9555039000, аналогичное штатному, но для использования последнего в качестве донора. Разборка реле позволила составить схему, показанную на рис. 1. Основа устройства - микросхема DA1 (IL33193N). Эта микросхема на основании информации от её производителя представляет собой новое поколение традиционных стандартных промышленных указателей поворотов [1]. У неё снижен потребляемый ток, благодаря чему в дежурном режиме аккумулятор автомобиля меньше разряжается. Эта микросхема работает с меньшим сопротивлением шунта, используемого для определения неисправной лампы, - 0,02 Ом вместо 0,03 Ому других микросхем. То есть лампы указателя поворотов с этой микросхемой будут светить ярче.

Рис. 2. Схема доработанного устройства
Схема доработанного устройства показана на рис. 2. В случае доработки реле указателя поворотов, собранного на основе другой микросхемы, потребуется использовать номиналы резисторов R1-R4 и конденсатора C1 строго в соответствии со схемой штатного реле. Номиналы резисторов R1 - R4, конденсатора C1 и использование микросхемы аналога не мешают выполнению доработки реле согласно приведённому далее описанию. В качестве бесконтактного ключа использован составной каскад на транзисторах VT1 (маломощном транзисторе структуры n-p-n) и VT2 (мощном p-канальном MOSFET транзисторе). Транзистор IRF4905 имеет очень низкое сопротивление в открытом состоянии - 0,02 Ом. Благодаря этому даже при коммутируемой реле в режиме "Авария" суммарной нагрузке мощностью 94 Вт (четыре лампы по 21 Вт и две лампы по 5 Вт) в бортовой сети транзистор мало нагревался. При работе с лампами одного поворота влево или вправо (две лампы по 21 Вт и одна лампа 5 Вт) транзистор IRF4905 почти не грелся.
Частотозадающая цепь R1C1 обеспечивает номинальную частоту миганий ламп, которая, согласно п. 5.3.11.1 ГОСТ 33989-2016 [2], должна быть 90 миганий в минуту.
Напряжение питания через контакты "Бортсеть" и "Корпус" поступает на устройство постоянно. Генератор на микросхеме DA1 включается в работу только при подключении нагрузки, т. е. ламп поворотов с помощью подрулевого переключателя, подключённого между контактами "Выход" и "Корпус". Для обеспечения номинальной частоты миганий 90 раз в минуту в качестве нагрузки необходимо подключить не менее двух ламп мощностью 21 Вт каждая. Если подключить только одну лампу мощностью 21 Вт в качестве нагрузки, частота импульсов, формируемых генератором на микросхеме DA1, будет в два раза больше, что сигнализирует водителю о неисправности ламп указателей поворота.
Основа звукового сигнализатора - акустический излучатель HA1 (НСМ1612Х компании JL Worldco) со встроенным генератором, работающим на частоте 2200 Гц. Этот излучатель имеет обозначение на корпусе 1612Х или 1612ХВ По своей конструкции он является электромагнитным и собран в корпусе диаметром 16 мм. Номинальное напряжение питания - 12 В. Во время экспериментов был опробован акустический излучатель HCM1212Х с меньшими габаритами (диаметр корпуса - 12 мм), но он показал недостаточную громкость работы.
Применение излучателей с другим принципом действия, например пьезоэлектрических, не позволяет имитировать необходимый звук сигнализатора поворотов приборной панели Supervision, который хотелось бы получить. Причина в том, что электромагнитный капсюль с генератором, в отличие от пьезоэлектрического, при включении помимо генерации звука, в момент включения издаёт короткий щелчок, который фактически используется в работе. Таким образом, во время работы реле подаётся акустический щелчок с коротким звуковым сигналом в момент включения ламп и также в момент их выключения.
На элементах С2, VD2, VD3, R10, VD5, R11, VT4 собран формирователь короткого импульса напряжения для питания акустического излучателя, соответствующего моменту зажигания ламп, т. е. появлению напряжения на контакте "Выход". Разрядка конденсатора C2 происходит через сопротивление нагрузки, т. е. лампы, подключаемые между клеммой "Выход" и "Корпус", а также через диод VD2.
На элементах VD1, R9, VT3, VD4, C3, R10, VD5, R11, VT4 собран формирователь короткого импульса напряжения для питания акустического излучателя, соответствующего моменту выключения ламп. Стабилитрон VD5 улучшает форму импульсов напряжения и устраняет эффект мяукания.
Сборку бесконтактного реле начинают с монтажа звукового сигнализатора на элементах VT3, VT4, c2, C3, VD2-VD5 и R9-R11. Для проверки его работоспособности между плюсовым выводом конденсатора С2 и корпусом необходимо временно установить резистор с сопротивлением до 200 Ом, имитирующий сопротивление ламп нагрузки. Далее, подавая вручную или с помощью кнопки короткие импульсы напряжения с линии питания на конденсатор С2, проверяют формирование звуковых сигналов. Чтобы звук был громче, корпус излучателя в собранной конструкции должен своим боком касаться боковой внутренней стенки корпуса реле.
Далее собирают генератор импульсов и силовой ключ. Номиналы резисторов R5-R8 рассчитывались и подбирались экспериментально во время предварительной сборки генератора с составным силовым ключом на макетной плате для исключения самовозбуждения генератора и составного ключа. С помощью показанных на схеме номиналов резисторов R5-R8 удалось исключить самовозбуждение без использования конденсаторов, которые могут ухудшить форму импульсов, формируемых генератором и подаваемых на составной транзисторный ключ, а также добиться устойчивой работы устройства при снижении питающего напряжения до 10,8 В, что возможно во время эксплуатации разряженного аккумулятора в зимнее время. Отсутствие искажения формы импульсов напряжения особенно важно для исключения лишнего нагрева транзистора VT2 в моменты переключений.

Рис. 3. Чертёж печатной платы устройства и схема размещения элементов на ней
Печатная плата изготовлена из двухстороннего фольгированного стеклотекстолита размерами 28x37,6 мм и толщиной 1,5 мм, её чертёж и схема размещения элементов показаны на рис. 3. Сначала в заготовке были размечены и выполнены прорези под электроды - внешние контакты реле, отверстие для крепления тепплоотвода мощного транзистора VT2 и остальные отверстия для выводов радиоэлементов, начиная с крупных и заканчивая самыми мелкими по габаритам. Корпусы транзисторов VT3 и VT4 были обточены надфилем для уменьшения их толщины. Резисторы со стороны размещения микросхемы установлены перпендикулярно плате. Часть элементов, которые не помещались сверху на плате, были установлены с её нижней стороны. При монтаже следует обратить внимание на то, что вывод элемента надо обязательно припаивать к металлизированной площадке, если к ней подходит проводник. Поэтому выводы некоторых элементов надо пропаивать с двух сторон.
Применены резисторы МЛТ, С2-23, конденсаторы - импортные, диоды могут быть любые маломощные кремниевые импульсные или выпрямительные. Микросхема IL33193 имеет аналоги: TA8027P - производства Toshiba; U2043 - производства TEMIC; российский аналог - микросхема УР1101ХП32 производства НПО "Кристалл". Можно применить теплоотвод с внешними размерами 20x23x16 мм - HS 202-20 или 30x23x16 мм - HS 201 -30 (по каталогу магазина "Чип и Дип"). Транзистор VT2 крепят к теплоотводу через слюдяную прокладку и изолирующую шайбу-втулку. Кроме этого, с нижней стороны платы теплоотвод крепится с помощью винта-самореза по металлу через изолирующую текстолитовую шайбу. С целью уменьшения сопротивления печатных проводников, более широких на рис. 3, поверх них к ним припаяны отрезки одножильного медного провода диаметром 1...1,5 мм.
Следует учесть, что у некоторых автомобилей применяются реле указателей поворотов с другим расположением контактов. Например, в реле Deco 90240050-A контакты "+Бортсеть" и "Корпус" поменяли местами. Поэтому для доработки такого реле потребуется изменить рисунок печатной платы.

Рис. 4. Внешний вид смонтированного устройства без кожуха
После сборки и проверки работы плата окрашена лаком, а установленные перпендикулярно плате радиоэлементы склеены термоклеем для снижения воздействия вибрации и ударов. Доработанный указатель поворотов показал надёжность в работе. Внешний вид смонтированного устройства без кожуха показан на рис. 4.
Литература
1. IL33193. Automotive Direction Indicator. - URL: https://www.alldatasheet.com/ datasheet-pdf/pdf/259171/IKSEMICON/ IL33193N.html (08.01.21).
2. ГОСТ 33989-2016 "Мототранспортные средства трёх- и четырёхколёсные. Устройства освещения и световой сигнализации. Технические требования и методы испытаний (с Поправкой)". - URL:http:// docs.cntd.ru/document/1200145944 (08.01.21).
Автор: П. Алалуев, г. Кострома
