
Собираясь в путешествие на автомобиле, многие из Вас не прочь захватить с собой радиоприёмник или магнитофон, работающие от 9 Вольт. Питать их удобно, конечно от бортовой сети автомобиля. Но её напряжение, во первых, 12,6V и к тому же колеблется в значительных пределах. Здесь и пригодится предлагаемый стабилизатор напряжения для аккумуляторов.
Выходное напряжение стабилизатора 9В, макс ток нагрузки 300 mA. При изменении тока нагрузки от 20 до 300 mA выходное напряжение изменяется лишь на 0,17v.
Стабилизатор защищен от перегрузки и короткого замыкания на выходе-когда ток превысит максимальный(300mA), стабилизатор отключится.
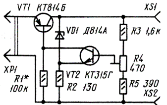
Стабилизатор состоит из регулирующего транзистора VT1 и каскада сравнения, собранного на транзисторе VT2, стабилитроне VD1 и резисторах R2-R5. Подстроечником R4 устанавливается выходное напряжение. Резистор R1 обеспечивает запуск стабилизатора (появление выходного напряжения) при подключении его к источнику питания или после устранения перегрузки на выходе. Максимальный ток нагрузки, соответствующий порогу срабатывания защиты, зависит от резистора R2. Он возрастает при уменьшении сопротивления и наооборот. Минимальное сопротивление ограничивается максимально допустимым током стабилизации стабилитрона.
Вместо КТ814Б может быть любой другой транзистор из серий КТ814, КТ816, а вместо КТ315Г - любой из серий КТ315.
Регулирующий транзистор устанавливают на радиатор размерами 15 х 20 мм из дюралюминия и вместе с ним прикрепляют к плате. В качестве разъема XP1 - переходник для гнезда прикуривателя (продаютя в автомагазинах).
Налаживание стабилизатора сводится к установке подстроечным резистором выходного напряжения 9,1...9,3V без нагрузки и подборе резистора R1 - он должен быть такого сопротивления, что-бы обеспечивался надёжный запуск стабилизатора без нагрузки как при подключении его к бортовой сети автомобиля, так и после устранения короткого замыкания на выходе. Выходное напряжение при подключении резистора R1 может возрастать не более чем на 0,1 V. Если понадобиться эксплуатировать это устройство при токе нагрузки до 500 mA (естественно для этого варианта придется подобрать R2), радиатор для VT1 нужно применить большего размера.
