Описанное ниже простое устройство позволяет водителю в сложных погодных условиях упростить пользование стеклоочистителем машины. Через несколько секунд после нажатия на пусковую кнопку (поворота рычага) лобовое стекло автомобиля без дальнейшего участия водителя станет чистым и прозрачным.
Это устройство позволяет автоматизировать совместную работу автомобильных стеклоочистителя и омыва-теля. Автомат запускают кнопкой (или рычагом) омывателя. Сначала на 2 с включается омыватель, затем - стеклоочиститель. Далее через 1 с отключается омыватель и еще через 3 с - щетки. Автомат позволяет изменять периодичность работы щеток. Когда он отключен, стеклоочиститель и омыватель работают в обычном режиме.

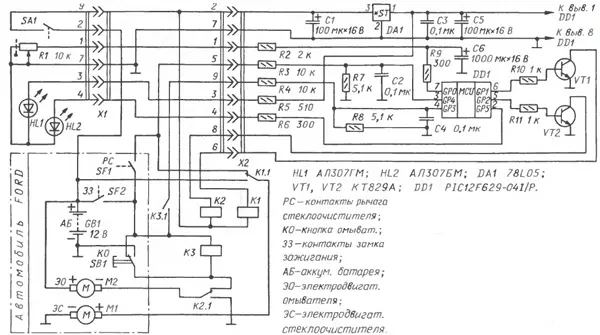
Рис. 1
Принципиальная схема устройства изображена на рис. 1. Автомат собран на микроконтроллере DD1 (PIC12F629-04I/P), который по записанной в его память программе управляет электродвигателями омывателя и стеклоочистителя.
Начинает работать автомат после замыкания контактов выключателя SA1, совмещенного с регулятором периода работы щеток R1. Устройство предусматривает два режима работы - ручное управление периодом движения щеток и автоматическое. В ручном режиме рычагом, замыкающим контакты SF1, включают стеклоочиститель, кнопкой SB1 - омыватель.
При включении питания контактами SA1 микроконтроллер запускает стеклоочиститель примерно на 2 с, потом переходит в дежурный режим и ждет дальнейших действий водителя. При замыкании контактов SF1 микроконтроллер включает стеклоочиститель. Регулятором R1 устанавливают оптимальный период работы щеток. При нажатии на кнопку SB1 микроконтроллер прерывает первый - ручной - режим и переходит на автоматический. Он дает возможность упростить процесс очистки ветрового стекла от грязи во время движения автомобиля.
Что мы обычно делаем, чтобы очистить ветровое стекло? Нажимаем на кнопку (или рычаг) омывателя и ждем, пока на стекло выльется нужное количество воды и, не отпуская кнопки омывателя, включаем стеклоочиститель. После того как щетки удалили грязь со стекла, отключаем омыватель и ждем, когда они снимут воду. И наконец, выключаем стеклоочиститель.
На время всего цикла, занимающего 5...7 с, водитель вынужден отвлечься на управление омывателем и стеклоочистителем. При этом ослабляется контроль за движением автомобиля, что на большой скорости и узкой дороге может закончиться аварией.
В автоматическом режиме все эти четыре действия выполняются в требуемой последовательности после нажатия на кнопку. Весь процесс занимает примерно 6 с, в течение которых водителя ничто не отвлекает от управления автомобилем. После отработки автоматического цикла микроконтроллер возвращает устройство в ручной режим.
Программа микроконтроллера представлена в таблице. При разработке программы была использована статья А. Долгого "Аналоговое управление в микроконтроллерном устройстве" в "Радио", 2005, № 4, с. 33.

Рис. 2
Резистор R1 с выключателем SA1 и светодиоды HL1, HL2 объединены в отдельном блоке, расположенном на приборной панели автомобиля и подключенном к основному узлу компьютерным кабелем с девятиконтактным разъемом Х1. Через этот же разъем подается питание на плату электронного узла и реле К1, К2. Контакты реле включены в цепи питания электродвигателей.
Детали электронного узла монтируют на печатной плате из фольгированного стеклотекстолита толщиной 1,5 мм. Чертеж платы показан на рис. 2. Она рассчитана на установку постоянных резисторов МЛТ, С2-33, оксидных конденсаторов К50-35 или импортных, конденсаторов С2, СЗ, С6 - К73-17. Транзисторы VT1 и VT2 привинчены к плате.

Резистор R1 - СПЗ-4ВМ, совмещенный с выключателем. Реле К1, К2, КЗ - автомобильные, 90.3747. Реле К1 управляет стеклоочистителем, К2 - омывателем, КЗ - инвертор кнопки омывателя. Светодиод HL1 - АЛ307ГМ (зеленый) - индикатор подачи питания устройства, HL2 - АЛ307БМ (красный) - индикатор включения стеклоочистителя. Вместо двух светодиодов можно использовать один двуцветный - АЛС331 AM.

Печатная плата установлена в пластмассовой коробке (рис. 3) подходящих размеров, размещенной за приборной панелью. На одну из граней коробки выведена гнездовая часть разъема Х2 (от компьютера), с помощью которого электронный узел подключен к реле, к системе электрооборудования автомобиля и к разъему Х1.
Реле К1-КЗ смонтированы на отдельной планке, привинченной к кронштейну рулевой колонки. На планке установлена и гнездовая часть разъема Х1. Контакты реле соединены кабелем с органами управления омывателем и стеклоочистителем, установленными на рулевой колонке.

Резистор R1, выключатель SA1 и све-тодиоды HL1, HL2 собраны в корпусе от кнопки включения "противотуманных" фонарей (рис. 4), смонтированной на приборной панели, и соединены с устройством кабелем с штыревой колодкой разъема Х1.
Кнопка SB1 подключена к реле КЗ, которое инвертирует ее работу. В моем автомобиле FORD кнопка омывателя одним выводом подключена через замок зажигания к плюсовому проводу бортовой сети, другим - к корпусу. Вывод подвижного контакта соединен с электродвигателем омывателя.
Когда зажигание выключено, напряжение на этом выводе равно нулю, а при включенном - 12 В. Программа микроконтроллера реагирует только на положительное напряжение. Реле КЗ при выключенном зажигании при нажатии на кнопку не срабатывает. При включении зажигания на подвижном контакте кнопки SB1 появляется напряжение 12 В, но реле КЗ не срабатывает, поскольку на обоих выводах обмотки реле одинаковое напряжение. При нажатии на кнопку SB1 один из выводов обмотки реле подключается к корпусу, и оно срабатывает. Через контакты реле положительное напряжение поступает на микроконтроллер, который отрабатывает автоматический цикл.
Если зажигание выключено, обесточено все электрооборудование, можно включить только габаритные огни. Поэтому, когда пережидаешь дождь в автомобиле, для того, чтобы заработал стеклоочиститель, надо включить зажигание. Программа при включении устройства выполняет два взмаха щеток и только потом переходит в режим ожидания. Так, включая и выключая устройство, можно периодически чистить ветровое стекло и при выключенном зажигании.
Собранный без ошибок автомат начинает работать сразу. Он был установлен на автомобиль FORD-FIESTA 1991 г. выпуска взамен вышедшего из строя регулятора управления работой стеклоочистителя, но может быть установлен на любой другой автомобиль.
Программу микроконтроллера скачать здесь.
Автор: В. Киба, г. Каменск-Шахтинский Ростовской обл.
