В сельской местности, а иногда и в городах нередко случаются значительные понижения сетевого напряжения относительно номинального 230 В. Зачастую это приводит к отказам холодильников. Существенно падает эффективность работы с электроинструментом, тускнеет освещение. Для стабилизации напряжения сети при сохранении его формы автор в своё время применил релейно-трансформаторный стабилизатор [1], но от многолетней эксплуатации износились контакты установленных в нём реле. Было решено переработать стабилизатор, заменив электромагнитные реле симисторными ключами. Нагрузочная способность предлагаемого стабилизатора - 1840 В·А.
Прежде всего, рассмотрим возможные схемы стабилизаторов переменного напряжения на базе автотрансформатора. В устройстве по схеме, изображённой на рис. 1,а, компенсируют снижение сетевого напряжения (недопустимое превышение номинала наблюдается крайне редко), постепенно переводя вниз по схеме подвижный контакт переключателя SA1. При этом напряжение на каждой из обмоток автотрансформатора и на выходе стабилизатора приблизительно сохраняется, колеблясь в ограниченных пределах. В стабилизаторе, собранном по схеме рис. 1 ,б, сетевое напряжение постоянно подают на один из отводов обмотки автотрансформатора, а по мере снижения напряжения в сети подвижный контакт переключателя SA1 переводят вверх.

Рис. 1. Возможные схемы стабилизаторов переменного напряжения на базе автотрансформатора
Рассмотрим основные особенности приведённых вариантов.
В устройстве по схеме, изображённой на рис. 1,а, стабилизировано напряжение на каждой из секций обмотки, что позволяет использовать её секции II-IV в качестве стабильных источников сравнительно небольшого переменного напряжения, например, для питания низковольтных электроинструментов. Переключение отводов автотрансформатора (в реальной конструкции с помощью реле или симисторов) всегда, даже при работе стабилизатора на холостом ходу, происходит под индуктивной или активно-индуктивной нагрузкой, что неблагоприятно для коммутирующих устройств.
В устройстве по схеме рис. 1 ,б напряжение на секциях обмотки не стабилизировано. При отсутствии нагрузки, а это основная ситуация при работе на холодильник, переключение происходит в режиме холостого хода, износ контактов реле чисто механический.
Критерием выбора для автора послужило последнее различие между вариантами.
Отметим, что оба рассмотренных варианта станут пригодными и для компенсации повышения напряжения в сети, если выходной (на рис. 1,а) или входной (на рис. 1 ,б) провод перенести на другой отвод обмотки автотрансформатора. В своей практике автор столкнулся с вариантом стабилизатора, схема которого показана на рис. 1,в. При напряжении в сети меньше или равном номинальному он работает так же, как и в варианте на рис. 1 ,а. При превышении напряжением в сети номинального значения подвижный контакт переключателя SA1 фиксируют в верхнем по схеме положении, а переключатель SA2 переводят в положение 2.
Примем за основу схему, изображённую на рис. 1,б, и определим порядок расчёта коэффициентов трансформации для различных положений движка переключателя SA1. Зададим пределы изменения входного напряжения и допустимые колебания выходного. По результатам наблюдений на даче, для которой строился описываемый стабилизатор, напряжение в сети иногда опускалось до 150 В. Такому входному напряжению должно соответствовать выходное напряжение 200 В, при котором ещё работают все бытовые электроприборы. Поэтому коэффициент повышения напряжения при переключателе SA1 в положении 1 должен быть равен 200/150 = 1,33. Здесь и далее я умышленно не применяю термин "коэффициент трансформации", поскольку под ним понимают отношение числа витков первичной обмотки к числу витков вторичной. В данном случае логичнее использовать обратную величину - коэффициент повышения напряжения.
Число отводов от обмотки автотрансформатора зависит от необходимой точности поддержания выходного напряжения. В результате нескольких пробных расчётов сделан вывод, что для сохранения его в пределах 210...240 В достаточно четырёх ступеней, в числе которых и прямое соединение нагрузки с сетью. Понижение напряжения в сети до 150 В при этом рассматривается, как аварийный случай, при котором напряжение на нагрузке падает до 200 В.
Можно показать, что для получения одинаковых пределов изменения выходного напряжения в каждом положении переключателя SA1 значения коэффициентов повышения в этих положениях должны представлять собой геометрическую прогрессию. Поэтому, если в положении 1 коэффициент повышения равен 1,33, он должен быть равным 1,1 в положении 3 и 1,21 - в положении 2. В положении 4 напряжение на выход поступает непосредственно из сети и коэффициент равен 1.
Построим график зависимости выходного напряжения от входного. Для этого на листе миллиметровки размерами не менее 250x250 мм начертим координатные оси в масштабе 1 мм/В и проведём из начала координат четыре прямые с тангенсами угла наклона 1; 1,1; 1,21 и 1,33. Выделим участки этих прямых, находящиеся между горизонталями, соответствующими выходному напряжению210 и 240 В. Из точек пересечения линий с наклоном 1,33, 1,21 и 1,1с горизонталью 240 В опустим вертикальные прямые до пересечения с ближайшими линиями с наклоном 1,21, 1,1 и 1. От точек пересечения этих наклонных линий с горизонталью 210 В проведём вверх аналогичные прямые.
На рис. 2 приведён фрагмент полученного рисунка. При входном напряжении более 220 В переключатель SA1 находится в положении 4, и выходное напряжение поступает на выход без изменения. При снижении напряжения сети до 210 В переключатель устанавливается в положение 3, коэффициент передачи возрастает до 1,1, а выходное напряжение скачком увеличивается до 231 В. При дальнейшем снижении напряжения сети примерно до 191 В выходное уменьшится до 210 В, переключатель будет установлен в положение 2, выходное напряжение вновь поднимется до 231 В. Аналогичный процесс произойдёт и при снижении входного напряжения до 173 В. При его снижении до 150 В выходное напряжение, как было сказано выше, опустится до 200 В.

Рис. 2. График зависимости выходного напряжения от входного
При повышении входного напряжения переключение происходит при достижении входным напряжением значений 180, 198 и 218 В, при этом выходное каждый раз снижается скачком от 240 до 218 В. Таким образом, при изменении сетевого напряжения от 158 до 240 В выходное поддерживается в пределах от 210 до 240 В.
Чтобы при колебаниях напряжения в сети около порогов переключения скачки не происходили слишком часто, необходим гистерезис. Описанный алгоритм переключения отводов обмотки обеспечивает его в достаточной мере. Нетрудно видеть, что при сохранении числа ступеней даже небольшое повышение точности поддержания выходного напряжения за счёт сужения петель гистерезиса приведёт к существенному уменьшению их ширины, что недопустимо. Поэтому для достижения большей точности необходимо увеличивать число ступеней изменения коэффициента. Отметим также, что рассуждения по выбору его значений справедливы и для устройств по схемам рис. 1,а и рис. 1 ,в.
Принципиальная схема стабилизатора изображена на рис. 3 , а схема его блока управления - на рис. 4. Автотрансформатор составлен из трёх одинаковых трансформаторов T1-T3 - ТПП319-127/220-50 [2], первичные обмотки которых соединены параллельно, а последовательное соединение вторичных обмоток обеспечивает требуемые коэффициенты повышения напряжения.

Рис. 3. Принципиальная схема стабилизатора
Рис. 4. Схема блока упраления стабилизатора
При установке переключателя SA1 (см. рис. 3) в положение "Обход" входное напряжение поступает прямо на выход, и никакие узлы устройства, кроме вольтметра PV1 и помехоподавляющей цепи R2C2, энергии от сети не потребляют. Этот режим соответствует отсутствию стабилизации выходного напряжения. В среднем положении переключателя SA1 все его контакты разомкнуты, поэтому напряжение на выход не поступает.
При установке переключателя SA1 в положение "Стаб." начинает работать блок управления, получающий питание от трансформатора T4 - ТА1-127/220-50 [2]. Напряжение с двух его обмоток по 6 В, соединённых последовательно, выпрямляет мост VD2 и стабилизирует на уровне 5 В интегральный стабилизатор DA2. Из выходного напряжения стабилизатора резистивный делитель R7-R11 формирует образцовые напряжения для компараторов DA1.2-DA1.4, поступающие на их неинвертирующие входы. Для упрощения расчётов они приняты равными 1/100 напряжений, соответствующих серединам петель гистерезиса на рис. 2 - 2,14, 1,95 и 1,77 В.
Постоянное напряжение, пропорциональное входному, формирует из поступающего с обмотки 11-12 трансформатора T4 выпрямительный мост VD1. Его сглаживает конденсатор C3. На инвертирующие входы всех компараторов поступает часть этого напряжения, определяемая делителем R5R6R15.
Логику работы устройства в целом иллюстрирует таблица. При сетевом напряжении более 218 В значения напряжения на инвертирующих входах всех компараторов выше, чем на неинвертирующих, а на их выходах установлен низкий логический уровень напряжения. Сигнал с выхода компаратора DA1.2 инвертирует элемент DD1.1 и ещё раз инвертирует элемент DD2.1. Через эмиттерный повторитель на транзисторе VT1 он включает светодиод HL1 и одновременно поступает на излучающий диод оптрона U1. Открывается симистор VS1, напряжение сети поступает на выход стабилизатора.
Таблица
Uвx,B | Уровни (Н - высокий, L - низкий) на выходах элементов | Коэффициент повышения | Включён светодиод | Открыт симистор | ||||||
DA1.2 | DA1.3 | DA1.4 | DD1.1 | DD1.2 | DD1.3 | DD1.3 | ||||
>218 | L | L | L | Н | L | L | L | 1 | HL1 | VS1 |
198...210 | H | L | L | L | Н | L | L | 1,1 | HL2 | VS2 |
180...191 | H | Н | L | L | L | Н | L | 1,21 | HL3 | VS3 |
<173 | Н | Н | Н | L | L | L | Н | 1,33 | HL4 | VS4 |
При снижении сетевого напряжения на выходах компараторов DA1.3 и DA1.4 один за другим устанавливаются высокие логические уровни. Выходные сигналы всех компараторов, превращённые простейшим логическим узлом на элементах "Исключающее ИЛИ" DD1.1-DD1.4 в позиционный код, через эмиттерные повторители на транзисторах VT2-VT4 включают излучающие диоды симисторных оптронов U2-U4. Оптроны, в свою очередь, включают соответственно симисторы VS2-VS4, и выходное напряжение остаётся в заданных пределах. С повышением напряжения в сети описанные процессы происходят в обратном порядке.
Между выходами элементов микросхемы DD1 и входами триггеров Шмитта микросхемы DD2 установлены RC-цепи, обеспечивающие задержку открывания очередного симистора относительно момента прекращения сигнала, разрешавшего открывание предыдущего. Это необходимо для предотвращения состояний, в которых одновременно открыты два симистора. Диоды VD4-VD7, включённые параллельно резисторам этих цепей, обеспечивают быстрое снятие разрешающего сигнала с симисторного оптрона в выключаемом канале. Длительность задержки открывания фотодинисторов оптронов U1-U4, которая должна гарантировано превышать половину периода напряжения сети, можно рассчитать по формуле
t3 ≈ R·C·ln(Uпит/(Uпит - Uпор)) = 330·0,047·ln(5/(5 - 3,3)) = 16,7 мс,
где R - сопротивление резистора цепи задержки, кОм; С - ёмкость конденсатора этой цепи, мкФ; Uпит=5 В - напряжение питания; Uпор = 3,3 В - типовое пороговое напряжение триггера Шмитта микросхемы HCF4093B при повышении входного напряжения на объединённых входах. Согласно паспортным данным этой микросхемы, допускается его разброс на ±0,7 В, поэтому при указанных номиналах резисторов и конденсаторов задержка может находиться в пределах от 12 до 24 мс. Если предположить, что реальный разброс вдвое меньше, задержка будет находиться в пределах от 14 до 20 мс, что уже более приемлемо, но требует контроля при налаживании устройства.
Чтобы исключить одновременное включение нескольких симисторов при переходных процессах, следующих за моментом подачи напряжения сети, введён узел задержки на детекторе понижения напряжения DA3. В момент подачи сетевого напряжения конденсатор C10 разряжен, за счёт диода VD3 транзистор VT5 закрыт и напряжение на его эмиттере близко к нулю. Излучающие диоды оптронов U1-U4 выключены.
По достижении напряжением на конденсаторе C10 значения около 1 В начинает работать микросхема DA3, её выходной транзистор открывается, напряжение на выходе становится равным нулю. Оно сохраняется таким до достижения напряжением на конденсаторе C10 значения 4,2 В, на что уходит около 200 мс, которых достаточно для завершения переходных процессов. В этот момент выходной транзистор микросхемы DA3 будет закрыт, а напряжение на базе и эмиттере транзистора VT5 скачком увеличится до близкого к напряжению питания. Оптроны заработают, будет открыт нужный симистор.
Во время сварочных работ в сети возникают сильные колебания напряжения, которые приводят, если не принять специальных мер, к очень частым переключениям симисторов. Для борьбы с этим явлением постоянная времени разрядки конденсатора C3 выбрана довольно большой - около 8 с. В результате при резком снижении входного напряжения переход на следующую ступень происходит примерно через 1 с, а кратковременные провалы во входном напряжении переключений не вызывают. В то же время постоянная времени зарядки конденсатора C3 невелика, и с повышением напряжения сети переключение произойдёт практически мгновенно. Такой способ "борьбы со сваркой" значительно проще применённого в [3] и эффективнее его, поскольку стабилизатор не выключается полностью, а продолжает реагировать на повышение напряжения в сети.
На схеме стабилизатора (см. рис. 3) показано также подключение к обмоткам контактов разъёма XS1, что позволяет использовать его для питания различных низковольтных потребителей. Вторичные обмотки трансформаторов ТПП319-127/220-50 рассчитаны на ток 8 А, чем и определяется указанная во врезке к статье предельная мощность нагрузки стабилизатора. Однако следует отметить, что она зависит и от свойств переключателя SA1, который должен позволять коммутировать указанный ток.
Автотрансформатор для стабилизатора можно изготовить самостоятельно, взяв за основу один или несколько трансформаторов питания от ламповых телевизоров [4-6]. Такие трансформаторы имеют обозначения, состоящие из букв ТС, дефиса и числа, соответствующего его мощности в ваттах.
Такой трансформатор после перемотки вторичных обмоток сможет обеспечить выходной ток стабилизатора, равный частному от деления его мощности на суммарное напряжение всех необходимых вторичных обмоток (23 + 25,3 + 27,6 " 76 В). А по выходному току можно определить максимальную мощность нагрузки стабилизатора.
Например, при использовании двух трансформаторов ТС-200 суммарной мощностью 400 Вт допустим выходной ток до 400/76 = 5,26 А, а максимальная мощность нагрузки (при выходном напряжении, равном номинальному в сети) - 230x5,26 = 1210 Вт. Таким образом, предельная мощность нагрузки стабилизатора в три раза превысит суммарную мощность использованных трансформаторов.
Имеющиеся на трансформаторах вторичные обмотки следует аккуратно смотать (они обычно намотаны поверх половин первичной), подсчитав при этом число витков накальной обмотки Nm намотанной самым толстым проводом. Напряжение этой обмотки под нагрузкой - 6,3 В, поэтому для вторичной обмотки на напряжение U число витков Nu можнонайти по формуле
NU = Nн·U/6,3.
Если магнитопровод трансформатора П-образный (как у трансформатора ТС-200-2), каждую секцию вторичной обмотки следует разделить на две равные части, намотать их на разных кернах магнитопровода трансформатора и соединить половины последовательно согласно. При противофазном соединении суммарное напряжение будет равно нулю, и нужно будет поменять местами выводы любой из половин.
При трёх трансформаторах можно для упрощения намотать на каждом по одной из вторичных обмоток. Если предполагается использовать трансформаторы разной мощности, на наименее мощном из них следует намотать обмотку с наименьшим напряжением, а на наиболее мощном - с наибольшим.
Половины первичных обмоток (на разных кернах) также следует соединить согласно. Обязательно первый раз включайте изготовленный трансформатор в сеть через плавкую вставку. При неправильном соединении половин первичной обмотки она спасёт от возможного пожара.
Диаметр провода вторичных обмоток d в миллиметрах (без изоляции) можно найти по формуле
d = 0,7·√I,
где I - ток вторичной обмотки, А.
Наиболее прочная изоляция у обмоточного провода ПЭВ-2, удобен также провод в шёлковой изоляции ПЭЛШО. Наматывают обмотку аккуратно, виток к витку, слои изолируют между собой прокладками из писчей бумаги. После намотки нужно собрать магнитопровод так, как он был собран ранее, и тщательно его стянуть винтами или обоймой - это уменьшит гудение.
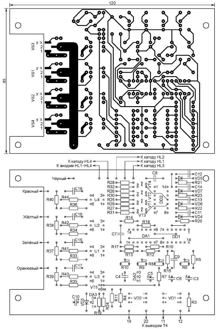
Большинство элементов стабилизатора смонтированы на печатной плате размерами 120x85 мм, чертёж которой и схема расположения элементов на ней приведены на рис. 5. Все отверстия в плате расположены по сетке 2,5x2,5 мм. Для подключения внешних по отношению к плате цепей в неё впаяны контактные штыри от разъёмов серии 2РМ. Диаметр штырей - 1,5 мм для цепей симисторов и 1 мм - для остальных. К присоединяемым к ним проводам припаяны гнёзда от таких же разъёмов. Цвет проводов соответствует указанному на схемах рис. 3 и рис. 4, а контактные штыри для них промаркированы надетыми отрезками термоусаживаемой трубки соответствующего цвета.

Рис. 5. Чертёж печатной платы и схема расположения элементов на ней
На плате установлены импортные оксидные конденсаторы - аналоги К50-35. Конденсаторы C15-C18 (а также C1 и C2 на рис. 3) - металлоплёночные К73-17. Конденсаторы C11 - C14 нежелательно применять керамические, особенно если предполагается пользоваться стабилизатором при минусовой температуре. Здесь также подойдут конденсаторы К73-17, которые значительно термостабильнее керамических конденсаторов равной ёмкости.
Микросхему HCF4093BEY можно заменить другой 4093, 4093B в корпусе DIP14 или микросхемой К561ТЛ1, а счетверённый ОУ LM324N - на К1446УД3 или К1401УД2. В последнем случае нужно иметь в виду, что выводы питания микросхемы К1401УД2 расположены зеркально по отношению к микросхеме LM324N. Поэтому при установке на плату микросхемы К1401УД2 следует развернуть на 180о, не меняя рисунка печатных проводников. При использовании микросхемы К1446УД3 сопротивление резисторов R12-R14 следует уменьшить приблизительно на 20 % для сохранения ширины петель гистерезиса. Дело в том, что ОУ микросхемы К1446УД3 относятся к классу rail-to-rail, где максимальный и минимальный уровни выходного напряжения равны потенциалам соответственно плюсового и минусового выводов питания. В результате размах выходного напряжения несколько больше, чем у ОУ микросхем LM324N и К1401УД2.
Детектор понижения напряжения КР1171СП42 можно заменить на МСР100-450, МСР100-460 или МСР100-475 [7]. Вместо транзистора КТ3102ГМ допустимо установить КТ3102ЕМ. Выпрямительные мосты VD1, VD2, диоды VD3-VD7 - любые кремниевые малогабаритные. Резисторы R12-R18 следует использовать с допуском не хуже ±5 %.
Интересно, что в рассматриваемой конструкции набор элементов "Исключающее ИЛИ" К561ЛП2 можно заменить дешифратором К561ИД1. Входы 1, 2, 4 дешифратора следует подключить к выходам компараторов, а выходы 0, 1, 3, 7 - к цепям задержки.
Симисторы BTA16-600BW заменять другими нежелательно. Индекс W в их обозначении означает, что эти симисто-ры допускают увеличенную скорость нарастания напряжения между основными электродами, не выходя из закрытого состояния. Кроме того, симисторы этой серии имеют полностью изолированный от всех электродов металлический теплоотводящий фланец, что позволяет устанавливать их на не изолированный от корпуса стабилизатора теплоотвод. Если же использовать симисторы, фланец которых соединён с электродом 2, следует изолировать их общий теплоотвод от корпуса стабилизатора.
Тринисторные оптроны МОС3043M заменяются аналогичными, имеющими встроенный узел, гарантирующий открывание симистора в момент перехода мгновенного значения приложенного к нему напряжения через ноль [8]. Если используемые оптроны открываются большим, чем 5 мА, током управления, необходимо обратно пропорционально требуемому току изменить сопротивление резисторов R29-R32.
Как показал опыт, установка демпфирующих RC-цепей (например, R41C15) требуется больше для оптронов, чем для симисторов. Рекомендации по выбору параметров этих цепей приведены в [8] и [9].
Цифровой вольтметр переменного напряжения PV1 - готовый импортный, приобретён в интернет-магазине. Измеряемое напряжение частотой 50 Гц - от 70 до 500 В, погрешность - ± 1 %, габариты - 48x22x29 мм.
Трансформатор Т4 можно исключить, если использовать вместо него, выпрямителя на диодном мосте VD2 и стабилизатора напряжения DA2 готовый стабилизированный преобразователь напряжения сети в постоянное 5 В. Здесь может подойти зарядное устройство для сотового телефона. Следует, однако, иметь в виду, что стабильность выходного напряжения зарядных устройств обычно невысока, а само оно незначительно превышает 5 В. Необходимо убедиться, что это напряжение практически не изменяется при подключении к выходу зарядного устройства резистора сопротивлением 50...100 Ом и при изменении напряжения в сети от 120 до 250 В. Если это не так, на выход зарядного устройства следует установить микросхемустабилизатор напряжения 5 В с низким падением напряжения между входом и выходом (так называемый low drop стабилизатор), например, LM2931Z-5.0 или КР1158ЕН5 с любым буквенным индексом.
При исключении трансформатора T4 вместо напряжения 28 В на мост VD1 нужно подать напряжение сети, а сопротивление резисторов R3, R5, R6 увеличить приблизительно в восемь раз. Конденсатор C3 установить ёмкостью 3,3 мкФ на напряжение 400 В. Следует иметь в виду, что в результате этих переделок все элементы стабилизатора будут находиться под напряжением сети.
Трансформаторы T1 -T3 закреплены между двумя металлическими поддонами размерами 387x177x20 мм от разобранных устройств ЕС ЭВМ. На переднем, согласно рис. 6, поддоне смонтированы переключатель SA1, вольтметр PV1, держатель предохранителя FU1, светодиоды HL1-HL4, две пары выходных гнёзд XS2, XS3 и 12-контактный разъём XS1 ШР32П12НГ3 для подключения низковольтных потребителей. На заднем поддоне закреплён трансформатор T4.

Рис. 6. Монтаж устойства
В качестве теплоотвода для симисторов использован алюминиевый брусок сечением 10x25 мм, служащий распоркой, соединяющей поддоны. По нему тепло от симисторов отводится на корпус. К этой же стойке и другой аналогичной прикреплена печатная плата. Выводы симисторов следует припаивать к контактным площадкам на печатной плате лишь после установки симис-торов на теплоотвод, к которому прикреплена и печатная плата.
При налаживании стабилизатора сначала следует подключить к сети только трансформатор T4 и установить на движках подстроечных резисторов R8-R10 напряжения соответственно 2,14; 1,95 и 1,77 В относительно общего провода, а на резисторе R15 - 1/100 текущего значения напряжения в сети. Используя лабораторный автотрансформатор (ЛАТР), проверить порядок включения светодиодов HL1-HL4 в соответствии с приведённой ранее таблицей. Пороги переключения коэффициентов повышения напряжения должны соответствовать указанным при описании рис. 2. При необходимости можно поточнее отрегулировать подстроечными резисторами R8-R10 пороги переключения, а для изменения ширины петли гистерезиса какого-либо компаратора подобрать его входной резистор (R12-R14). Ширина этой петли прямо пропорциональна сопротивлению соответствующего резистора.
Целесообразно проверить исправность цепей задержки открывания симисторов (элементы R20-R23, C11 - C14, VD4-VD7), отключив мост VD1 от трансформатора T4 и подключив к точке соединения резисторов R6 и R15 цепь, схема которой приведена на рис. 7. При замкнутом выключателе SA2 напряжение на конденсаторе C19 плавно нарастает от нуля до 2,5 В, при разомкнутом - спадает до нуля. Следует проверить осциллографом со ждущей развёрткой наличие задержки спадающего перепада импульса на выходе каждого триггера Шмитта (DD2.1 - DD2.4) относительно нарастающего перепада импульса на выходе соответствующего элемента "Исключающее ИЛИ" (DD1.1-DD1.4). На осциллограмме рис. 8, где скорость развёртки 2 мс/дел., эта задержка равна 15,5 мс при допустимых пределах 14...20 мс.

Рис. 7. Схема цепи

Рис. 8. Осциллограмма
После этого можно восстановить подключение симисторов к трансформаторам (перед первым включением установив в цепь электрода 2 каждого симистора плавкую вставку на 5 А), подключить нагрузку мощностью 100...200 Вт и проверить показанную на рис. 2 зависимость выходного напряжения от входного. При эксплуатации стабилизатора можно оперативно регулировать подстроечным резистором R6 интервал изменения выходного напряжения, например, установить его 200...230 В.
Полезные советы по конструктивному оформлению стабилизатора, обеспечивающему его пожарную безопасность, можно найти в [3].
Как при налаживании, так и во время эксплуатации стабилизатора следует помнить, что при резком уменьшении напряжения в сети переключение стабилизатора происходит с весьма заметной задержкой - около секунды на каждую ступень.
Литература
1. Бирюков С. Релейно-трансформаторный стабилизатор переменного напряжения. - Схемотехника, 2003, № 7, с. 26-28.
2. Сидоров И. Н., Мукосеев В. В., Христинин А. А. Малогабаритные трансформаторы и дроссели. Справочник. - М.: Радио и связь, 1985.
3. Майоров М. Стабилизатор сетевого напряжения для холодильника. - Схемотехника, 2002, № 2, с. 53-59.
4. Кузинец Л. М., Соколов В. С. Узлы телевизионных приёмников. - М.: Радио и связь, 1987.
5. Сидоров И. Н., Биннатов М. Ф., Васильев Е. А. Устройства электропитания бытовой РЭА. - М.: Радио и связь, 1991.
6. Сидоров И. Н., Скорняков С. В. Трансформаторы бытовой радиоэлектронной аппаратуры. Справочник. - М.: Радио и связь, 1994.
7. Потапчук М. Супервизоры серии MCP10X фирмы Microchip. - Схемотехника, 2006, № 1, с. 10, 11.
8. MOC3031M, MOC3032M, MOC3033M, MOC3041M, MOC3042M, MOC3043M 6-Pin DIP Zero-Cross Optoisolators Triac Driver Output (250/400 Volt Peak). - URL: http://www. farnell.com/datasheets/1639837.pdf (12.12.17).
9. Николайчук О. Управление нагрузкой на переменном токе. - Схемотехника, 2003, № 4, с. 25, 26.
Автор: С. Бирюков, г. Москва

