В статье описаны устройства токовой защиты на основе модуля ACS712 для цепей как переменного, так и постоянного тока.
Модуль ACS712 (рис. 1) представляет собой датчик постоянного и переменного тока [1], основа которого - одноимённая микросхема серии ACS712 [2]. Эта микросхема, как и модуль, выпускается в трёх вариантах, отличающихся максимальным значением контролируемого тока - 5 А, 20 А и 30 А. Выходной сигнал модуля - напряжение, крутизна преобразования тока в напряжение зависит от варианта и равна 185 мВ/А, 100 мВ/А и 66 мВ/А соответственно. Номинальное напряжение питания - 5 В. При отсутствии тока в измеряемой цепи на выходе модуля присутствует напряжение, равное половине напряжения питания, точнее 2,47 В. Несомненные преимущества модуля - гальваническая развязка входной и выходной цепей и малое сопротивление цепи измерения тока - 1,2 мОм. Один из недостатков - чувствительность к внешнему магнитному полю.

Рис. 1. Модуль ACS712
На основе модуля ACS712 можно сделать устройство для измерения как переменного, так и постоянного тока, устройство защиты по току или комбинированное устройство, сочетающее обе эти функции. Об одном таком устройстве защиты, а также об устройстве микросхем серии ACS712 было рассказано в [3].

Рис. 2. Схема устройства для подключения в цепь переменного тока
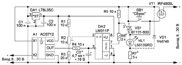
Для построения устройства защиты по току на модуле ACS712 потребуются, по крайней мере, пороговое устройство, элемент памяти и мощный ключ. Схема такого устройства для подключения в цепь переменного тока показана на рис. 2. Для питания модуля A1 ACS712 применён выпрямитель на диоде VD1 и сглаживающем конденсаторе С1, а также стабилизатор напряжения на микросхеме DA1. Пороговое устройство - компаратор - собрано на ОУ DA2.1. Элемент памяти - маломощный чувствительный тирис-торVS1 серии CR02AM [4], а электронный ключ - на полевых транзисторах VT1, VT2. Светодиод HL1 служит индикатором состояния устройства. Поскольку выходное напряжение выпрямителя используется для управления полевыми транзисторами, установка стабилитрона VD3 с напряжением стабилизации 18...20 В (1N4746, 1N4747) потребуется, если это напряжение превысит 20 В.
Работает устройство так. При протекании переменного тока через измерительную цепь модуля на его выходе, кроме постоянного напряжения, присутствует переменная составляющая, амплитуда которой зависит от амплитуды измеряемого тока. Переменную составляющую выпрямляет диод VD2, пульсации сглаживает конденсатор С3. Одновременно резистор R1 и конденсатор C3 обеспечивают задержку срабатывания устройства. Она может быть необходима, если в измеряемой цепи присутствуют мощные импульсные помехи или кратковременные безопасные броски тока. Образцовое напряжение для компаратора поступает с движка подстроечного резистора R3, с его помощью устанавливают порог срабатывания устройства.
В исходном состоянии на выходе ОУ присутствует низкий уровень напряжения, поэтому тиристор VS1 закрыт и постоянное напряжение с выхода выпрямителя через резистор R5 и светодиод HL1 поступает на затворы транзисторов VT1, VT2. В результате они открываются, и переменное напряжение поступает на нагрузку. Когда порог будет превышен, на выходе ОУ появится напряжение около 4 В, и тиристор откроется. Напряжение на нём станет менее 2 В, поэтому транзисторы закроются, и нагрузка будет обесточена. Одновременно за счёт протекающего через тиристор тока станет светить светодиод HL1, сигнализируя о том, что устройство отключено от питающего напряжения. Светодиод должен быть обязательно красного свечения, поскольку на нём минимально возможное падение напряжения. Для возвращения устройства в исходное состояние надо кратковременно нажать на кнопку SB1. При этом тиристор VS1 закроется и светодиод погаснет.

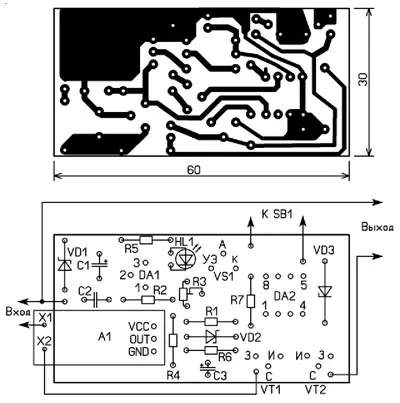
Рис. 3. Чертёж печатной платы устройства и схема размещения элементов на ней
Все элементы устройства смонтированы на печатной плате из одностороннего фольгированного стеклотекстолита толщиной 1,5...2 мм. Её чертёж показан на рис. 3. Печатная плата рассчитана на модуль ACS712 с максимальным током до 5 А. При использовании более сильноточных модулей печатные проводники, по которым протекает ток нагрузки, надо "умощнить", напаяв на них отрезки толстого медного провода. Вид смонтированной платы показан на рис. 4.

Рис. 4. Вид смонтированной платы
В устройстве применены постоянные резисторы МЛТ, С2-23, подстроечный - RM-065, СП3-19, оксидные конденсаторы - К50-35 или импортные, остальные - керамические или плёночные. Диод VD1 - маломощный выпрямительный или импульсный Шоттки. При входном напряжении более 8 В можно применить обычный выпрямительный кремниевый диод. Взамен CR02AM можно применить аналогичный тиристор серии MCR100. Полевые транзисторы - с n-каналом, рассчитанные на ток нагрузки, с напряжением открывания не менее 2 В и минимально возможным сопротивлением открытого канала. Кнопка SB1 - любая с самовозвратом.
При небольшом входном напряжении, возможно, придётся подобрать резистор R5, чтобы после включения тиристораток через него превысил ток удержания. Резистором R2 можно изменить интервал регулировки порога срабатывания. Задержку при срабатывании устройства защиты можно изменить подборкой конденсатора С3. Чем больше ёмкость, тем больше задержка. Элементы выпрямителя R1, R6, VD2, С3 на выходе модуля можно не устанавливать, соединив неинвертирующий вход (вывод 3) ОУ DA2.1 с выходом модуля А1. В этом случае устройство будет срабатывать максимально быстро при превышении амплитудой переменной составляющей порогового значения. Устройство может работать и при большем входном напряжении, для этого надо обязательно установить стабилитрон VD3, а конденсатор С1 и микросхема DA1 должны быть рассчитаны на это напряжение.
Это устройство можно использовать для защиты и в цепях постоянного тока. При этом подойдёт печатная плата, чертёж которой показан на рис. 3. При этом диоды VD1, VD2 и транзистор VT1 (сток-исток) заменяют проволочными перемычками, резистор R6 не устанавливают, резистор R4 должен иметь сопротивление 20 кОм, ёмкость конденсатора С1 можно уменьшить до 100 нФ. Входную токоизмерительную цепь модуля ACS712 можно включить в любую линию питания.
При использовании предыдущего устройства в цепи постоянного тока коммутирующий полевой транзистор установлен в минусовой линии питания, что может быть не всегда удобно. Чтобы включить коммутирующий элемент в плюсовую линию питания, потребуется применить мощный полевой транзистор с p-каналом, другой компаратор, а взамен тиристора применить симистор. Схема такого устройства защиты показана на рис. 5. Здесь токоизмерительная цепь модуля ACS712 также включена в плюсовую линию питания. Другие отличия заключаются в том, что применён компаратор серии LM311, у которого в выходном каскаде установлен биполярный n-p-n транзистор с открытым коллектором, а взамен тиристора применён симистор, который открывается при любой полярности приложенного напряжения. В этом случае применён маломощный чувствительный симистор BT131-600 [5].

Рис. 5. Схема устройства защиты

Рис. 6. Чертёж печатной платы устройства и схема размещения элементов на ней

Рис. 7. Вид смонтированной платы
Работает устройство аналогично описанному выше, все регулировки проводят также аналогично. Чертёж печатной платы этого устройства показан на рис. 6, а смонтированная плата показана на рис. 7.
Чертежи печатных плат находятся здесь.
Литература
1. ACS712 Current Sensor. - URL: https:// clck.ru/33BVTf (08.01.23).
2.ACS712. - URL: https://clck.ru/ 33BVa5 (08.01.23).
3.Лазарев В. Защита по току на микросхеме ACS712. - Радио, 2022, № 3, с. 31.
4.CR02AM. SCRs. - URL: https:// clck.ru/33CFDJ (08.01.23).
5.BT131-600. Sensitive Gate Triacs. - URL: https://clck.ru/33CGdB (08.01.23).
Автор: И. Нечаев, г. Москва
