Стабилизаторы тока применяются в зарядных устройствах, при гальваническом покрытии металлических изделий, электролизе и т. д. Стабилизатор тока, описание которого предлагается вниманию читателей, был разработан специально для применения в строительных работах - резке пиломатериалов нихромовой "струной". У такого способа обработки древесины есть определённые преимущества, среди которых, на пример, возможность отрезать от заготовки тонкую полосу шириной 2...3 мм, при этом толщина заготовки существенного значения не имеет, увеличивается лишь время процесса. С помощью такой установки можно защитить торцевые части досок от гниения за счёт запекания древесных капилляров смолой, выделяющейся при нагреве. При этом отпадает необходимость в покраске, и торцы досок принимают достаточно эстетичный вид (рис. 1).

Рис. 1. Заготовки для корпуса стабилизатора тока

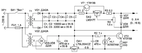
Рис. 2. Схема стабилизатора тока
Схема стабилизатора тока показана на рис. 2. За его основу взята схема из технического описания микросхемы LM317T [1]. Максимальный выходной ток стабилизатора - 6 А, при этом выходное напряжение - около 16 В. Без нагрузки выходное напряжение может достигать 30 В. Стабилизатор тока собран на микросхеме DA2 и транзисто ре VT1, который включён параллельно микросхеме DA2 и позволяет увеличить выходной ток стабилизатора. Резистор R3 - датчик тока, от его сопротив ления зависит максимальное значение выходного тока, регулировка выходного тока осуществляется переменным резистором R4.
Питается стабилизатор тока от сетевого блока питания, собранного на понижающем трансформаторе T1 и выпрямителе на диодах VD1, VD2. Конденсаторы С1, С2, С4, С5 сглаживают пул ьсации выпрямленного напряжения. Чтобы обеспечить регулировку выходного тока от нуля до максимума, на резисторе R4 формируется компенсирующее напряжение для микросхемы DA2. Осуществляется это с помощью стабилизатора тока на транзисторе VT2 и резисторе R5. Светодиод HL1 выполняет функции индикатора включения и одновременно источника образцового напряжения для стабилизатора тока на транзисторе VT2. Протекающий через этот транзистор ток создаёт на резисторе R4 и диодах VD7, VD8 напряжение 1,25...1,3 В. В результате в нижнем по схеме положении движка резистора R4 выходной ток будет близок к нулю, а в верхнем положении движка этого резистора выходной ток максимален.
Для питания стабилизатора тока на транзисторе VT2 служит блок питания, собранный на трансформаторе Т2, выпрямителе на диодах VD3-VD6 и стабилизаторе напряжения на микросхеме DA1. Конденсатор С3 - сглаживающий.
В устройстве применены постоянные резисторы МЛТ с допуском ±5 %, переменный резистор - СП4-1, СПО. Резистор R3 изготовлен из нихромовой проволоки диаметром 1 мм. Этот резистор может сильно разогреваться, поэтому провод надо свернуть в спираль и приподнять над печатной платой. Для этого концы провода запрессованы в медные лужёные гильзы ГМЛ(о) 0,34/1,5.
Оксидные конденсаторы - К50-35 или аналогичные импортные, конденсатор С6 - К73-17, К10-17 или импортный плёночный. Транзистор 1Т813В [2] можно заменить транзистором серий ГТ806, П210. Транзистор КТ315В можно заменить транзистором серий КТ315, КТ3102 с допустимым напряжением коллектор-эмиттер не менее 30 В. Замена диодов Д242А - диоды серий Д305, Д243, Д244. Диоды Д220 можно заменить диодами серий Д223, КД521, КД522.

Рис. 3. Чертёж печатной платы устройства и схема размещения элементов на ней
Часть элементов стабилизатора смонтирована на печатной плате из одностороннего фольгированного стеклотекстолита толщиной 2 мм, её чертёж показан на рис. 3 (на плате установлен подстроечный резистор R5). Микросхема DA2 установлена на ребристый теплоотвод общей площадью 60 см2. Транзистор VT1 установлен на теплоотвод общей площадью около 900 см2. Если работы проводятся при температуре окружающего воздуха 30 оС и выше, следует предусмотреть обдув устройства с помощью внешнего вентилятора.
В авторском варианте применён понижающий трансформатор Т1 от зарядного устройства "Рассвет-2". От него использован и алюминиевый теплоотвод толщиной 3 мм размерами 130x70 мм, на котором установлены диоды VD1, VD2. Трансформатор можно изготовить из трансформаторов серий ТС-180, ТС-200, применявшихся в чёрно-белых телевизорах. Их вторичные обмотки удаляют и наматывают новые - на каждом каркасе 78 витков провода ПЭТВ-2 диаметром 2 мм для трансформаторов ТС-200 и по 68 витков для трансформатора ТС-180. Обмотки соединяют последовательно. Трансформатор Т2 - маломощный с выходным напряжением 6...10 В и током до 50 мА. Внешний вид стабилизатора тока без корпуса показан на рис. 4.

Рис. 4. Внешний вид стабилизатора тока без корпуса
Налаживание сводится к подбору резистора R5, чтобы на резисторе R4 и диодах VD7, VD8 было напряжение 1,25...1,3 В.
Чертёж печатной платы находится здесь.
Литература
1.Voltage Regulator Adjustable Output, Positive 1.5 A LM317, NCV317. - URL: https://www. onsemi.com/pdf/datasheet/ lm317-d.pdf (20.12.23).
2.1Т813А, 1Т813Б, 1Т813В. - URL: https://clck. ru/37Cfiz (20.12.23).
Автор: С. Семихатский, г. Ейск Краснодарского края
