Большинство блоков питания (БП) изготавливается нерегулируемыми. Это удобно и просто для производителей, а также для самих пользователей. Если вам нужно напряжение 5 В, то вы просто подключите нужный источник питания и не будете думать о совместимости напряжений или других параметров.
В противном случае, если, например, с предыдущего включения было выставлено другое напряжение, пусть 30 В, то схема потребителя, рассчитанного максимум на 5В, может легко выйти из строя.
Поэтому регулируемый БП – достаточно специфичное устройство. Оно может пригодиться, например, для:
- Проведения опытов и лабораторных работ в школе или других учебных заведениях;
- Исследовательских центров и других организаций, занимающихся научной деятельностью;
- Радиомастерских и точек ремонта бытовой или цифровой техники.
- Радиолюбителей.
В зависимости от предполагаемых нагрузок и степени точности выходных параметров есть большое количество специальных готовых блоков питания. Но все они имеют один минус – кусающийся ценник.
Можно собрать аналогичный прибор за более приемлемую стоимость.
Проектирование БП – сложный процесс, требующий знаний и навыков. Есть два сильно отличающихся подхода к формированию напряжения:
- На силовых трансформаторах;
- На импульсных трансформаторах (ИБП).
Оба имеют свои плюсы и минусы. ИБП традиционно имеют сильно меньшие габариты и хорошие характеристики, но требуют защиты цепей от ВЧ-помех и не могут работать без нагрузки.
TL494
Основная идея импульсного преобразования заключается в том, чтобы повысить колебания тока так, чтобы ввести трансформатор в режим насыщения. В этом случае снижаются потери в сердечнике и КПД преобразования существенно возрастает (собственно, по этой причине и становится возможным уменьшение габаритов).
Соответственно, для создания колебаний нужен колебательный контур. Его можно построить на классических RC-элементах, а можно взять готовые таймеры.
Одним из самых широко распространённых и проверенных временем является ШИМ-контроллер TL494, он же КР1114ЕУ4.
Есть масса других аналогов – как полных, так и улучшенных.
К ключевым характеристикам микросхемы можно отнести следующие:
- Поддерживается напряжение на входе и выходе – от 7 до 40 В;
- Сила тока – рабочая до 200, максимальная – не более 250 мА.
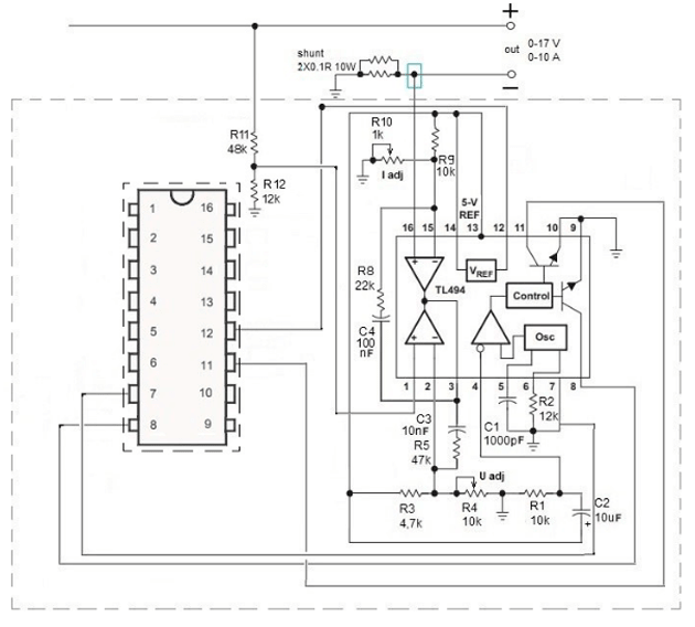
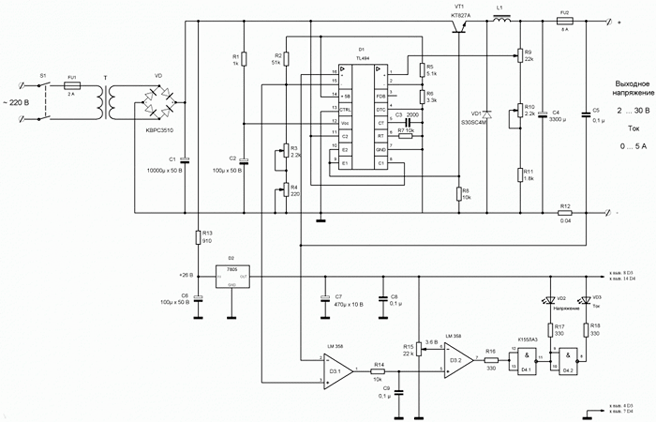
Схемы блока питания
Проверенная и точно рабочая схема.
Рис. 1. Схемы блока питания
На выходе получаются следующие параметры:
- Постоянное напряжение – от 0 до 30 В.
- Ток – до 15 А.
- Питание – от сети переменного тока.
- Есть режим стабилизации напряжения.
- Встроенная защита от КЗ.
- Компактные размеры.
Основная сложность здесь заключается в расчёте и намотке трансформатора. Если вы проектируете свою схему – используйте специальное ПО (например, ExcellentIT). Для всех остальных – мы обозначили готовые модели, которые подойдут для сборки.
Перечень элементов указан на схеме.
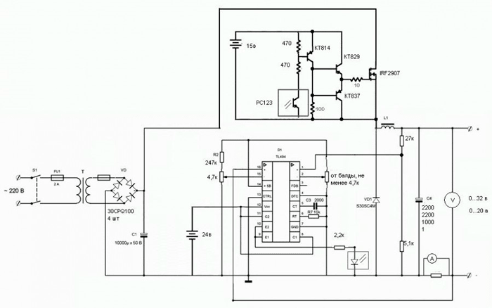
Переделка имеющегося блока
Если у вас уже есть БП на базе TL494, но он не регулируется, схему можно доработать. Пример с регулируемыми напряжением и силой тока.

Рис. 2. Схема переделонного блока питания
Как это будет выглядеть на практике. Вы выпаиваете имеющуюся микросхему и собираете с ней новую обвязку, обозначенную на приведённой выше схеме. Теперь можно подключить обвязку вместо микросхемы.
За регулировку тока будет отвечать резистор R10, за напряжение отвечает R4.
Если обвязка будет устанавливаться в схемы с высокими напряжениями, то нужно заменить диоды и конденсаторы на подходящие по параметрам.
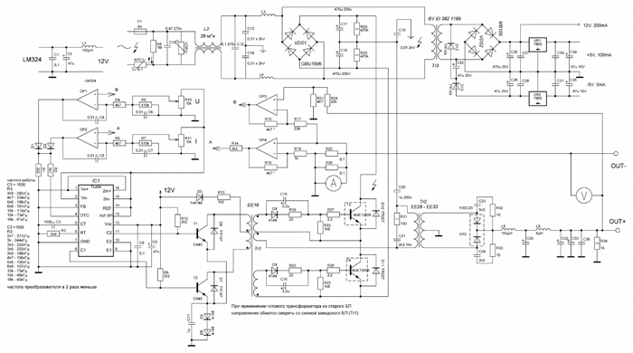
БП на базе понижающих трансформаторов
Достаточно простые в реализации. Используются доступные элементы.
Схема первая.
Рис. 3. БП на базе понижающих трансформаторов
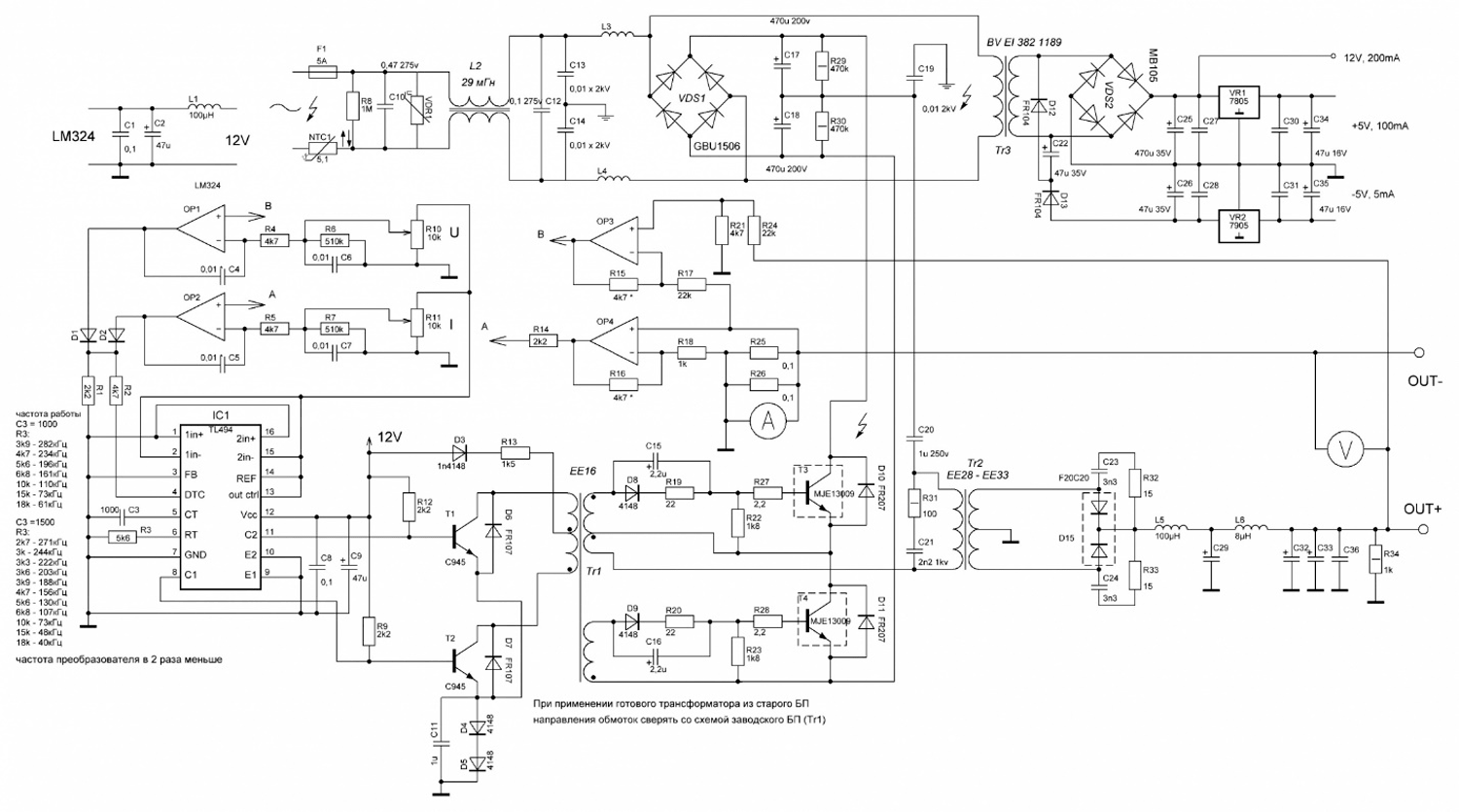
Схема вторая.
Рис. 4. БП на базе понижающих трансформаторов
Автор: RadioRadar



