Это простое устройство превращает в бесперебойный обычный сетевой источник питания с выходным напряжением 12 В. Оно автоматически переключает нагрузку блока на питание от аккумуляторной батареи при пропадании сетевого напряжения и обратно при его появлении. Кроме того, оно всегда поддерживает аккумуляторную батарею заряженной, а также защищает её от глубокой разрядки.
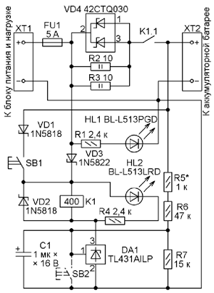
Схема устройства изображена на рис. 1. Его колодку XT 1 соединяют с выходом резервируемого сетевого блока питания параллельно нагрузке с соблюдением полярности. Резервную аккумуляторную батарею подключают к колодке XT2. Если её напряжение не менее 10,5 В (что соответствует предельно допустимой разрядке), то участок катод-анод параллельного стабилизатора напряжения DA1 будет открыт. Поэтому при включённом сетевом источнике питания и исправной плавкой вставке FU1 реле K1 сработает и его контакты K1.1 замкнут цепь подзарядки батареи через резисторы R2 и R3. При таком способе зарядки напряжение батареи никогда не превысит напряжения источника питания. Однако чем ниже последнее, тем меньшим будет запас энергии в аккумуляторной батарее.

Рис. 1. Схема устройства
Сопротивление резисторов R2 и R3 выбрано таким, что при напряжении источника, равном напряжению полностью заряженной батареи (13,8...14 В для распространённых герметичных свинцово-кислотных батарей), начальный ток зарядки разряженной до 10,5 В батареи не превысит 0,7 А. Источник питания должен быть способен отдать эту "прибавку" к току, потребляемому нагрузкой.
Если напряжение на выходе сетевого источника питания стало ниже напряжения батареи или он вовсе отключился, нагрузка перейдёт на питание от батареи. Ток нагрузки потечёт через замкнутые контакты реле K1, сборку диодов Шотки VD4 и плавкую вставку FU1.
Для защиты батареи от глубокой разрядки предусмотрен узел контроля её напряжения, состоящий из параллельного стабилизатора напряжения DA1, служащего пороговым устройством, и делителя напряжения r5r6r7. При напряжении между анодом и управляющим электродом стабилизатора DA1 менее 2,5 В, т. е. напряжении батареи ниже 10,5 В, участок катод-анод стабилизатора закроется и ток через обмотку реле K1 прекратится. Разомкнувшиеся контакты K1.1 отключат от батареи нагрузку.
Поскольку устройство предназначено для питания нагрузки, которая должна работать непрерывно, автоматическое отключение аккумуляторной батареи до её полной разрядки не предусмотрено. Поэтому после отключения не только сетевого питания, но и нагрузки батарея продолжит разряжаться током, текущим через обмотку реле K1. В такой ситуации рекомендуется отключить от устройства и батарею. Если физически отключать её от колодки XT2 неудобно, можно ввести в устройство кнопку SB2, показанную на схеме рис. 1 штриховыми линиями. Кратковременное нажатие на неё приведёт к закрыванию участка катод-анод стабилизатора DA1 и размыканию контактов K1.1. Единственным потребителем тока от батареи останется делитель напряжения R5R6R7.
Если сетевой источник питания отсутствует, а нагрузку необходимо запитать от аккумуляторной батареи, необходимо подключить её (нагрузку) к колодке XT1 и кратковременно нажать на кнопку SB1. Реле K1 сработает и останется в таком состоянии и после отпускания кнопки, пока батарея не разрядится до напряжения 10,5 В, или же не будет нажата кнопка SB2.
Диод VD1 нужен для защиты от случайного нажатия на кнопку SB1 при наличии на колодке XT1 напряжения сетевого источника питания. Диод VD2 устраняет всплески напряжения самоиндукции на обмотке реле K1. Диод VD3 предохраняет диод VD1 и нажатую кнопку SB1 от протекания через них тока нагрузки. Светодиод HL1 сигнализирует о том, что на нагрузку поступает напряжение от сетевого источника или аккумуляторной батареи. Светодиод HL2 включён, когда напряжение аккумуляторной батареи больше 10,5 В.
Чертёж печатной платы устройства и размещения деталей на ней показан на рис. 2. Для плавкой вставки FU1 на плате установлен держатель FH-102C. Кнопка SB1 - тактовая DTS-32. Контактные колодки XT1 и XT2 - 301-021-12 C, но могут быть применены и другие с шагом контактов 5 мм и допустимым током не менее потребляемого нагрузкой.

Рис. 2. Чертёж печатной платы устройства и размещения деталей на ней
Сборку диодов Шотки 42CTQ030 можно заменить на VS-40CTQ045PBF или аналогичную. Необходимо учитывать, что допустимый ток через её диоды должен быть в несколько раз больше, чем ток срабатывания плавкой вставки FU1. Вместо светодиодов, типы которых указаны на схеме, допускается установить другие подходящего цвета свечения.
Реле K1 - SRD-12VDC-SL-C или другое с контактами, достаточно мощными для коммутации нагрузки, с которой предполагается эксплуатировать устройство. Номинальное рабочее напряжение обмотки реле должно быть 12 В, аеё сопротивление как можно больше, что снизит ток, потребляемый от аккумуляторной батареи в отсутствие сетевого питания.
Внешний вид устройства показан на рис. 3. Его налаживание сводится к установке нужного напряжения отключения аккумуляторной батареи подборкой резистора R5.

Рис. 3. Внешний вид устройства
Автор: А. Гусев, г. Муром Владимирской обл.
