Стабилизированный источник питания (СИП), описание которого приводится в статье, обеспечивает двухполярное переключаемое стабилизированное напряжение 3, 5, 9, 12 и 15 В с максимальным током 50 мА, и уже несколько лет он служит автору незаменимым помощником при разработке и макетировании разных по назначению маломощных электронных устройств. Хорошо зарекомендовал себя этот СИП как при однополярном, так и при двухполярном выходном напряжении, например, для устройств на КМОП-микросхемах, а также на операционных усилителях (ОУ). При желании можно просто изменить выходные фиксированные напряжения или сделать их регулировку плавной.
Около 15 лет назад в корпусе этого СИП был собран только однополярный вариант. Но при разработке и макетировании разных электронных устройств на ОУ мне необходимо было и двухполярное стабилизированное напряжение. В результате был разработан двухполярный СИП.
При построении устройства за основу была взята известная микросхема LM317T регулируемого стабилизатора напряжения в корпусе ТО-220. Она допускает входное напряжение 40 В, имеет большой интервал регулировки выходного напряжения 1,25...37 В. Эта микросхема имеет встроенные узлы защиты от короткого замыкания, от перегрева и превышения максимально допустимой рассеиваемой мощности [1].

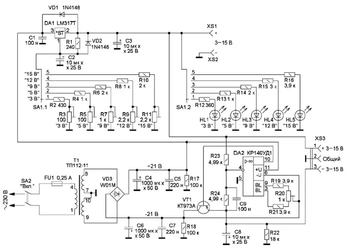
Рис. 1. Схема стабилизированного источника питания
Схема СИП приведена на рис. 1. Блок питания собран на трансформаторе Т1 ТП112-11 с номинальной мощностью 7 В·А. Сетевое напряжение поступает на его первичную обмотку через выключатель SA2 и плавкую вставку FU1. Две вторичные обмотки трансформатора совместно с диодным мостом VD3 образуют двухполярный источник напряжения ±21 В. Выпрямленные напряжения сглаживаются конденсаторами С4, С5 (плюсовое) и С6, С7 (минусовое). Резистор R17 - разрядный для конденсаторов С4, С5, а резистор R18 - разрядный для конденсаторов С6, С7.
В плюсовую линию питания включена микросхема регулируемого напряжения DA1. Изменение выходного напряжения плюсовой полярности осуществляется с помощью переключателя SA1.1, который подключает к выводу 1 микросхемы DA1 резисторы R2-R11, задающие точные значения выходного напряжения. Для Uвых = 3 В - R2, R3; для Uвых = 5В - R4, R5; для Uвых = 9 В - R6, R7; для Uвых = 12 В - R8, R9; для Uвых = 15 В - R10, R11. Переключатель SA1.2 служит для индикации с помощью светодиодов HL1 -HL5 выбранного выходного напряжения. Резисторы R12-R16 - токоограничивающие, их номиналы подобраны так, чтобы яркость светодиодов была примерно одинакова. Конденсатор С1 нужен для повышения устойчивости работы микросхемы DA1, его надо разместить рядом с ней, это важно, если конденсаторы С4 и С5 удалены от неё. Конденсатор С2 улучшает подавление пульсаций. Диоды VD1 и VD2 предназначены для защиты микросхемы DA1, они обеспечивают быструю и безопасную разрядку конденсаторов С2 и С3 в случае возникновения аварийных ситуаций. С выхода микросхемы DA1 плюсовое стабилизированное напряжение подаётся на разъёмы XS1 и XS3.
Для организации двухполярного выходного напряжения применён высоковольтный ОУ DA2 КР1408УД1 с малыми входными токами и внутренней частотной коррекцией [2]. Питается ОУ от выпрямителя. К выходу ОУ подключён транзистор VT1, который установлен в минусовую линию питания. Поскольку неинвертирующий вход ОУ соединён с общим проводом, ОУ старается поддержать такое же напряжение и на своём инвертирующем входе. При этом транзистор открывается, и минусовое выходное напряжение становится равным (по модулю) плюсовому напряжению. Это обеспечивается за счёт равенства сопротивлений резисторов R23 и R24. Чтобы не нагружать выход ОУ, применён составной транзистор VT1 с большим коэффициентом передачи тока базы (не менее 750), включённый эмиттерным повторителем, он служит для "умощнения" выходного тока ОУ. Резистор R22 является нагрузочным в цепи эмиттера транзистора VT1. Конденсатор С8 сглаживает пульсации. Для балансировки ОУ КР1408УД1 служит цепь R19R20R21. С помощью подстроечного резистора R20 можно точно установить равенство выходных напряжений. Конденсатор С9 подавляет узкие выбросы (всплески) с частотой сети 50 Гц. Пульсации выходного напряжения не превышают 1...3 мВ. Измерение пульсаций проводилось с помощью осциллографа С1-112.
На макетной плате размерами 60x45 мм размещены элементы: микросхема DA1, диоды VD1 и V2, диодный мост VD3, оксидные конденсаторы С4, С6 (импортные или отечественные К50-35) и остальные конденсаторы (керамические). Подстроечные резисторы R3, R5, R7, R9, R11 - отечественные СП5-28Б, R20 - СП5-28А. Резисторы R23, R24 - с допуском не более 1 %, но можно подобрать два с указанным допуском из партии менее точных резисторов. Микросхему DA1 следует установить на теплоотвод площадью несколько квадратных сантиметров.
Налаживание начинают со стабилизатора на микросхеме DA1. В каждом из пяти положений переключателя SA1.1 с помощью соответствующих подстроечных резисторов на разъёме XS1 устанавливают требуемое выходное напряжение, которое контролируют с помощью цифрового вольтметра. Далее производят налаживание стабилизатора минусовой полярности, контролируя напряжение на разъёме XS3. Если минусовое напряжение незначительно отличается от плюсового (по модулю |+Uвых| = |-Uвых|), проводят балансировку ОУ подстроечным резистором R20, которым нужно как раз и сравнять их во всём интервале выбранных выходных напряжений, как без нагрузки, так и под нагрузкой.

Рис. 2. Передняя панель устройства
Все элементы размещены в самодельном корпусе размерами 115x75x55 мм из одностороннего фольгированного стеклотекстолита толщиной 2 мм. Передняя панель устройства показана на рис. 2. На ней установлены светодиоды HL1-HL5, переключатель SA1 (ПР2-2-5П2НВ), гнездо XS3 - стереофоническое аудиогнездо mini-Jack-3.5-3 (или любое другое) и гнёзда XS1, XS2 (также любого типа).

Рис. 3. Задняя панель устройства
На рис. 3 показана задняя панель устройства, на которой установлены де ржател ь плавкой вставки и выключатель SA2 (МТД3). В нижней части сделано отверстие для сетевого провода.

Рис. 4. Внутренняя компоновка устройства
На рис. 4 показана внутренняя компоновка устройства. Внизу установлен трансформатор Т1, а над ним - макетная плата с элементами.
Литература
1.Хоровиц П., Хилл У. Искусство схемотехники. Издание 5-е, переработанное. - М.: Мир, 1998, с. 361-367.
2.Операционные усилители. Справочный листок. - Радио, 1989, № 10, с. 91-94; № 12, с. 83.
Автор: Б. Соколов, г. Протвино Московской обл.
