Автор предлагает весьма простое универсальное зарядное устройство на основе модуля питания светодиодов, которое можно настроить на зарядку нескольких видов аккумуляторов и батарей напряжением до 20 В ёмкостью 500...3000 мА · ч.
В настоящее время выбор различных готовых сетевых модулей питания с гальванической развязкой велик. Собраны они, как правило, на основе импульсных понижающих преобразователей напряжения. Среди них есть нестабилизированные, со стабилизированным выходным напряжением, а реже - со стабилизированным выходным током. К последним относится малогабаритный модуль М34.0305LN-04-0 торговой марки Dark Energy (рис. 1, рис. 2). Его габаритные размеры - 24x15x13 мм, он предназначен для питания светодиодных модулей стабильным током 250 мА.

Рис. 1. Малогабаритный модуль М34.0305LN-04-0

Рис. 2. Малогабаритный модуль М34.0305LN-04-0

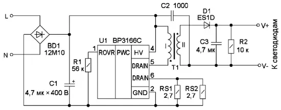
Рис. 3. Схема модуля
Схема этого модуля, нарисованная по печатной плате, показана на рис. 3. Обозначения элементов соответствуют маркировке на плате. Этот модуль собран на микросхеме серии BP3166С [1] по стандартной схеме. На микросхемах этой серии и аналогичных собирают драйверы светодиодных сетевых осветительных ламп. В большинстве случаев используется включение микросхемы с накопительным дросселем, но в этом модуле применён трансформатор Т1, поэтому нагрузка запитана от выпрямителя на диоде D1, подключённого к вторичной обмотке трансформатора. Это и обеспечивает гальваническую развязку нагрузки от сети. Значение стабилизируемого тока задают резисторы RS1 и RS2, а зависит он ещё и от коэффициента трансформации трансформатора T1.
Для проверки модуль был нагружен на переменный резистор сопротивлением 100 Ом и мощностью 25 Вт. При сопротивлении 100 Ом выходное напряжение было 25 В, т. е. ток нагрузки - 250 мА. При этом выходная мощность - 6,25 Вт, что превышает допустимое значение для модуля - 5 Вт. При уменьшении сопротивления нагрузки вплоть до 20 Ом ток оставался стабильным, а напряжение соответственно уменьшалось. Но при меньшем сопротивлении в микросхеме включался режим защиты от КЗ и выходной ток уменьшался до 50...60 мА.
Поскольку этот модуль обеспечивает стабильный выходной ток, его можно использовать для изготовления ЗУ для различных аккумуляторов или аккумуляторных батарей. Дело в том, что их номенклатура широка, а универсального ЗУ, конечно же, нет. Используя этот модуль, можно сделать более универсальное ЗУ для зарядки аккумуляторов и их батарей напряжением до 20 В. Правда, ток зарядки без доработки модуля не изменить, но 250 мА будет подходящим для зарядки различных аккумуляторов и батарей ёмкостью 500...3000 мА·ч. Поэтому основной задачей ЗУ будет ограничение напряжения на заряжаемой батарее. Собственно эту функцию и выполняет ЗУ, схема которого показана на рис. 4.

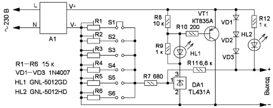
Рис. 4. Схема зарядного устройства
На микросхеме DA1 и транзисторе VT1 собран параллельный стабилизатор напряжения, напряжение стабилизации задаёт резистивный делитель, состоящий из постоянных резисторов R7, R11 и подстроечных резисторов R1-R6, коммутируемых перемычками S1-S6. Поэтому с помощью перемычек можно установить шесть фиксированных (пороговых) выходных напряжений. Но их число нетрудно увеличить, к тому же каждое из напряжений легко изменить.
Работает устройство так. После подключения заряжаемой батареи практически весь зарядный ток (250 мА) протекает в неё. Он течёт через диоды VD1-VD3 и падения напряжения на них (около 2 В) достаточно для питания светодиода HL2 красного свечения, который сигнализирует о процессе зарядки. При этом микросхема DA1 и транзистор VT1 закрыты, светодиод HL1 зелёного свечения обесточен. По мере зарядки аккумуляторной батареи напряжение на ней увеличивается, и когда оно достигнет порогового значения (максимального для заряжаемой батареи) микросхема и транзистор открываются, ток начинает протекать в основном через транзистор. Зарядный ток уменьшается, а светодиод HL1 станет светить, сигнализируя об окончании процесса зарядки. Но он прекращается не сразу, подзарядкапро-должается плавно уменьшающимся током, пока светодиод HL2 не погаснет совсем. Таким образом, здесь реализован метод зарядки CC/CV (Constant Current/Constant Voltage - постоянный ток/постоянное напряжение). При этом зарядка осуществляется в два этапа. Сначала она идёт при постоянном токе и постепенно повышающемся на аккумуляторе напряжении, а затем при постоянном напряжении и плавно уменьшающемся токе.
С помощью этого зарядного устройства можно заряжать незащищённые Li-Ion и Li-FePO4 аккумуляторы и их батареи, а также батареи Ni-Cd и Ni-Mh аккумуляторов с напряжением не менее 3 В.

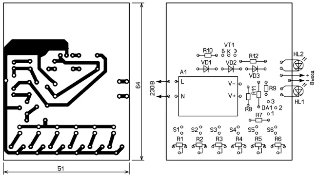
Рис. 5. Чертёж печатной платы и размещение элементов на ней
Все элементы размещены на печатной плате из фольгированного с одной стороны стеклотекстолита толщиной 1...1,5 мм. Её чертёж показан на рис. 5. Применены постоянные резисторы МЛТ, С2-23, подстроечные - СП3-19б, СП3-19а или импортные. Диоды могут быть любыми кремниевыми выпрямительными с допустимым прямым током до 1 А, например из серии Ш400х. Светодиоды - маломощные соответствующего свечения. Перемычки S1-S6 состоят из двадцатиконтактной вилки серии PLD-2, у которой удалены лишние контакты, и собственно одной перемычки - так называемого джампера MJ-0-4 или аналогичного. Положение перемычки указывает на подключённый подстроечный резистор. Модуль питания также установлен на плате, для этого к выводам модуля припаивают отрезки лужёного медного провода диаметром 0,5...0,6 мм, которые затем вставляют в отверстия платы и припаивают.

Рис. 6. Внешний вид смонтированной платы

Рис. 7. Внешний вид смонтированной платы
Поскольку на транзисторе может рассеиваться мощность в несколько ватт, его следует установить на теплоотвод. Внешний вид смонтированной платы показан на рис. 6. Её следует разместить в пластмассовом корпусе подходящих размеров. Теплоотвод, показанный на этом рисунке, обеспечивал нормальную температуру транзистора при выходном напряжении до 14 В. Если напряжение зарядки будет больше, размеры теплоотвода надо увеличить. Поскольку некоторые элементы модуля питания находятся под напряжением сети, после установки на плату его необходимо изолировать. Подходящим оказался пластмассовый колпак - крышка от реле РЭС43 (рис. 7).
Пороговое напряжение устанавливают так. К выходу устройства подключают вольтметр, а само устройство - к сети. Соответствующим подстроечным резистором устанавливают требуемое напряжение. При этом должен быть включён светодиод зелёного свечения. После подключения заряжаемой батареи (разряженной) светодиод зелёного свечения должен погаснуть, а включится светодиод красного свечения. Несколько подстроечных резисторов и перемычка позволяют быстро установить требуемое напряжение зарядки аккумулятора или батареи. На каждый из подстроечных резисторов надо нанести маркировку, соответствующую пороговому напряжению. Взамен перемычек можно применить переключатель на одно направление и требуемое число положений. Можно обойтись одним переменным резистором, исключив перемычки и набор подстроечных резисторов. Но в этом случае перед каждой зарядкой надо проверить или установить требуемое напряжение.

Рис. 8. Временная батарея из аккумуляторов
Для подключения аккумулятора или батареи можно использовать соответствующие держатели (кассеты) или магнитные контакты [2]. При этом в случае необходимости с помощью магнитов можно собрать отдельные аккумуляторы во временную батарею и проводить их совместную зарядку (рис. 8).
Файл печатной платы устройства в формате Sprint Layout находится здесь.
Литература
1. BP3166B. Высокоточный светодиодный драйвер постоянного тока PSR. - URL: http://www.bpsemi.com/uploads/file/2018 0104162408_522.pdf (18.02.21).
2. Нечаев И. ЗУ для Li-Ion и Li-FePo4 аккумуляторов малых типоразмеров. - Радио, 2021, № 3, с. 22-24.
Автор: И. Нечаев, г. Москва
