В статье предложено универсальное зарядное устройство на микросхеме РТ4115 - импульсном стабилизаторе тока для питания светодиодов. С помощью этого устройства можно заряжать током до 1А аккумуляторы и батареи с номинальным напряжением от 2,5 В до 24 В.
Микросхема РТ4115 [1] представляет собой импульсный стабилизатор тока, и её основное назначение - питание осветительных светодиодов высокой яркости. Структурная схема этой микросхемы, взятая из [1], показана на рис. 1. В состав микросхемы входят ключ на полевом транзисторе, управляемый драйвером (GATE DRIVER), на вход которого поступают сигналы с компараторов CS COMPARATOR и UVLO COMPARATOR, а также с буферного каскада управления (DIM BUFFER), источник образцового напряжения Bandgap REF и стабилизатор напряжения питания REGULATOR. С помощью первого компаратора осуществляется контроль за потребляемым током, второй контролирует напряжение питания и выключает драйвер при его снижении до 5,1 В и менее. Стабилизатор напряжения обеспечивает стабильным напряжением 5 В все узлы микросхемы.

Рис. 1. Структурная схема микросхемы РТ4115
Микросхему выпускают в двух типах корпусов: SOT89-5 и ESOP-8. Основная схема включения для первого типа корпуса показана на рис. 2. Максимальная частота, на которой работает импульсный преобразователь, - 1 МГц. Рекомендуемая индуктивность дросселя - 68 мкГн, он должен быть рассчитан на ток больший, чем ток нагрузки. Диод должен быть быстродействующим, желательно Шоттки, конденсатор С1 - блокировочный, его установка обязательна. Резистор R1 - датчик тока, с его помощью устанавливают максимальный ток нагрузки: Iмакс = 0,1 /R1. Для этой микросхемы Iмакс = 1,2 А, а максимальная рассеиваемая мощность - 1,5 Вт, мощность нагрузки может достигать 30 Вт. Напряжение источника питания - 6...30 В. КПД, в зависимости от варианта применения, - до 97 %. Интервал рабочих температур микросхемы - -40...+85 оС. Имеется встроенная защита от превышения температуры, порог её срабатывания - 160 оС при гистерезисе 20 оС.

Рис. 2. Схема включения для первого типа корпуса
Подавая определённые сигналы на вход DIM, можно регулировать ток нагрузки от 1макс до нуля. Эти сигналы могут быть как аналоговыми (постоянное напряжение), так и импульсными. При изменении постоянного напряжения от 0,5 до 2,5 В выходной ток изменяется практически от нуля до Iмакс. При напряжении менее 0,3 В работа преобразователя прекращается. Потребляемый при этом микросхемой ток не превышает 100 мкА. Изменяя коэффициент заполнения импульсного сигнала (амплитуда напряжения - 5 В, максимальная частота - 50 кГц) от 0,02...0,04 до 1, можно изменять выходной ток в тех же пределах относительно максимального значения.
Используя описанные выше параметры микросхемы РТ4115, на её основе можно сделать универсальное экономичное зарядное устройство (ЗУ). В отличие от ЗУ на линейных микросхемах, например, LM317 или LN200, предлагаемое устройство существенно экономичнее, поскольку стабилизатор тока на микросхеме РТ4115 импульсный.
Схема универсального ЗУ показана на рис. 3. С его помощью можно заряжать различные аккумуляторы и аккумуляторные батареи напряжением от 2,5 до 24 В. Максимальный ток зарядки - 1 А, он, конечно, зависит от мощности источника питания ЗУ. Импульсный стабилизатор тока собран на микросхеме DA1, накопительном дросселе L1 и выпрямительном диоде VD2. Конденсатор С1 - блокировочный по цепи питания, конденсатор С2 сглаживает пульсации напряжения на заряжаемом аккумуляторе, который подключают к гнёздам XS1 и XS2. Датчик тока собран на резисторе R1. Поскольку в большинстве случаев точного измерения тока зарядки не требуется, для его контроля и индикации применён стрелочный амперметр PA1 с пределом 1 А. Регулировку тока зарядки осуществляют с помощью переменных резисторов R6 (грубо) и R8 (плавно).

Рис. 3. Схема универсального ЗУ
На ОУ DA3 совместно с регулируемым источником образцового напряжения - микросхемой DA2 (параллельный стабилизатор напряжения) - реализован узел контроля и ограничения напряжения на заряжаемом аккумуляторе. Светодиод HL1 служит индикатором режима работы ЗУ. Резистор R9 - токоограничивающий. Поскольку сама микросхема РТ4115 требует минимального напряжения питания 6 В, напряжение питания ЗУ должно быть примерно на 6 В больше, чем максимальное напряжение аккумулятора или аккумуляторной батареи.
Для установки конечного напряжения зарядки используют внешний вольтметр (мультиметр), который подключают к гнёздам XS3, XS4. Сделано это для упрощения конструкции, но ничто не мешает ввести в это Зу модули цифрового амперметра и вольтметра, которые можно недорого приобрести в Интернете.
Процедура зарядки следующая. К гнёздам XS3 и XS4 подключают вольтметр и с помощью резисторов R2 (грубо) и R3 (плавно) устанавливают напряжение, до которого следует зарядить аккумуляторную батарею. Регуляторы тока (R6, R8) устанавливают на минимум и подключают батарею. При этом напряжение на неинвертирующем входе ОУ DA3 будет больше, чем на инвертирующем, поэтому на выходе ОУ будет напряжение, близкое к напряжению питания, и светодиод HL1 станет светить. Напряжение на светодиоде - около 2,6 В, оно используется как образцовое для установки тока зарядки резисторами R6 и R8. Начинается процесс зарядки.
По мере зарядки напряжение на аккумуляторной батарее увеличивается, и постепенно напряжения на входах ОУ DA3 сравниваются. Как только напряжение на инвертирущем входе превысит напряжение на неинвертирующем, на выходе ОУ напряжение уменьшится. Яркость светодиода HL1 также уменьшится или он совсем погаснет. Это приводит к тому, что напряжение на движке резистора R6, от которого зависит ток зарядки, уменьшается. В результате и ток зарядки уменьшается. Таким образом, на батарее аккумуляторов в дальнейшем поддерживается постоянное напряжение, азарядный ток уменьшается, что можно контролировать с помощью амперметра.

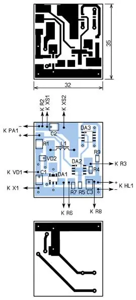
Рис. 4. Печатная плата устройства и расположение элементов на ней
Большая часть элементов размещена на печатной плате из фольгированного с двух сторон стеклотекстолита толщиной 1,5...2 мм, чертёж которой показан на рис. 4. В устройстве применены переменные резисторы СП4-1, СП3-4, СП3-9 или аналогичные импортные, постоянные резисторы - для поверхностного монтажа, R1 - типоразмера 2512, остальные - типоразмера 1206. Конденсаторы С1-С3 - танталовые для поверхностного монтажа типоразмера C или D. Диод VD1 - быстродействующий Шоттки с допустимым током не менее 2...3 А, светодиод может быть другого свечения с диаметром корпуса 3.5 мм, главное, чтобы у него номинальное напряжение было в пределах 2,5...2,7 В. Для подключения источника питания можно применить любое гнездо. Гнезда XS1, XS2 - также любые, например зажимы "крокодил". Гнёзда XS3, XS4 должны быть рассчитаны на подключение щупов вольтметра (мультиметра). Дроссель - выводной RLB1314 [2] или бескорпусный серии MSS1038 [3]. Амперметр - М42303 со встроенным шунтом, но можно приме-нить и другой. Если его внутреннее сопротивление (шунт) 0,1.0,15 Ом, можно обойтись без датчика тока (резистора R1), его функцию сможет выполнить сам амперметр. Для этого его подключают взамен резистора R1, а контакты на плате для подключения амперметра замыкают. Соединительные провода должны быть толстые и короткие.
Как уже было отмечено выше, напряжение источника питания должно быть на 6 В больше максимального напряжения заряжаемой аккумуляторной батареи, но не более 30 В. Источник питания должен обеспечивать максимальную мощность, поступающую на аккумулятор в процессе зарядки.
Налаживание проводят в следующей последовательности. Установив движки резисторов R2 и R3 в нижнее по схеме положение, подборкой резистора R4 устанавливают максимальное значение напряжения зарядки. При напряжении питания 30 В это напряжение - 24 В.
При большом внутреннем сопротивлении аккумуляторной батареи ближе к концу её зарядки возможно скачкообразное изменение тока, при этом светодиод начнёт мигать. Эта информация может быть также полезной.

Рис. 5. Внешний вид устройства
Внешний вид устройства показан на рис. 5. В качестве корпуса была использована пластмассовая кассета от 3,5-дюймовых дискет. Она обрезана, и в ней сделаны соответствующие отверстия для резисторов, гнёзд, светодиода и амперметра. Чтобы случайно не "сбить" установленное напряжение зарядки, оси переменных резисторов R2 и R3 ручками можно не снабжать. Задняя стенка изготовлена из отрезка пластмассы толщиной 2.3 мм, на ней установлено гнездо питания.
Литература
1. PT4115. 30V, 1.2A Step-down Hie Brightness LED Driver with 5000:1 Dimming. URL: https://datasheetspdf.com/pdf-file 735494/PowTech/PT4115/1 (30.08.19).
2. RLB Series Radial Inductors. - URL:https://static.chipdip.ru/lib/229/DOC000 29038.pdf (30.08.19).
3. MSS1038 Series Shielded Surface Mou Power Inductors. - URL:https://www coilcraft.com/MSS1038.cfm (30.08.19).
