Его применение позволяет проводить зврядку аккумуляторов сотовых телефонов от источника постоянного тока напряжением 12 В, например, от бортовой сети автомобиля.
При длительной поездке на автомобиле или загородном семейном отдыхе на природе часто возникает проблема зарядки аккумулятора сотового телефона. Ее, конечно, можно решить приобретением специализированного ЗУ, работающего от бортовой сети автомобиля. Но в большинстве случаев у членов семьи сотовые телефоны различных типов, поэтому как разъемы для подключения ЗУ, так и сами ЗУ разные. Найти переходники для различных типов разъемов затруднительно.
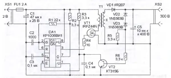
Решить эту задачу можно другим путем - изготовить предлагаемый преобразователь постоянного напряжения 12 В в постоянное 300 В, который позволит заряжать аккумуляторы сотовых телефонов от штатных ЗУ. Правда, сами ЗУ должны быть с бестрансформаторным входом, т. е. собраны по схеме импульсного преобразователя напряжения с сетевым выпрямителем. Схема предлагаемого устройства показана на рисунке.

Рис. 1
Это - однотактный обратно-ходовый преобразователь напряжения с внешним возбуждением. На таймере DA1 собран управляемый генератор прямоугольных импульсов, которые поступают на затвор мощного переключательного полевого транзистора VT1. Импульсы напряжения на вторичной обмотке трансформатора выпрямляет диод VD1, конденсатор С5 - сглаживающий. Стабилизация выходного напряжения осуществляется узлом, состоящим из стабилитронов VD2, VD3 и транзистора VT2.
После подачи питающего напряжения начинает работать генератор прямоугольных импульсов. Частота генерации определяется параметрами цепи R1C2 и составляет около 30 кГц. Когда транзистор VT1 открывается, через первичную обмотку повышающего трансформатора Т1 протекает ток и энергия накапливается в его магнитном поле. После закрытия транзистора VT1 энергия из вторичной обмотки через диод VD1 передается в конденсатор С5. Когда выходное напряжение превысит напряжение пробоя стабилитронов VD2 и VD3, через резистор R5 потечет ток и напряжение на нем возрастет. Это ведет к открыванию транзистора VT2, он соединяет вход Е таймера DA1 с общим проводом, что приводит к срыву генерации и снижению выходного напряжения.
После этого транзистор VT2 закрывается, генерация возобновляется и все процессы циклически повторяются. Поэтому выходное напряжение определяется в основном суммарным напряжением стабилизации стабилитронов VD2, VD3.
В устройстве применены резисторы МЛТ, С2-23, оксидные конденсаторы - импортные, остальные - К10-17. Трансформатор намотан на феррито-вом магнитопроводе Ш12х14 от трансформатора блока строчной развертки телевизора УПИМЦТ, первичная содержит 12 витков провода ПЭВ-2, ПЭЛ диаметром 1 мм, вторичная - 310 витков провода ПЭВ-2 диаметром 0,31 мм. Полевой транзистор IRFZ44N можно заменить на полевые транзисторы IRFZ24N, IRFZ48N, IRFZ34N или на биполярный КТ825 с любым буквенным индексом, в последнем случае сопротивление резистора R4 следует увеличить до 1 кОм. Взамен двух стабилитронов 1N5383B можно применить три соединенных последовательно стабилитрона 1N5378B или 1N4764.
Возможна также замена группы стабилитронов выпрямительным диодом КД212А. Необходимо подобрать экземпляр с напряжением пробоя 300...320 В. Для этого стабилитроны VD2, VD3 заменяют на один диод КД212А. Временно на место конденсатора С5 устанавливают два соединенных последовательно конденсатора К73-17 емкостью 0,47 мкФ на напряжение 630 В, а последовательно с диодом VD1 включают еще один, такой же. Меняя диоды КД212А, устанавливают требуемое выходное напряжение. По экспериментам автора, напряжение пробоя у этих диодов находится в интервале 280...380 В. После подборки диода временно установленные элементы удаляют и монтируют штатные. На этом налаживание можно считать законченным.
Детали преобразователя смонтированы на макетной печатной плате из стеклотекстолита с применением проводного монтажа. Плата размещена в пластмассовом корпусе размерами 85x50x45 мм, на стенке которого установлена розетка для подключения ЗУ. Преобразователь подключают к бортсе-ти автомобиля в прикуриватель с помощью специальной вилки, в которой установлена плавкая вставка FU1. При эксплуатации преобразователя следует иметь в виду, что в некоторых ЗУ сетевой выпрямитель выполнен по однопо-лупериодной схеме. Поэтому если после подключения ЗУ зарядка не производится, необходимо перевернуть его вилку на 180°, изменив тем самым полярность подаваемого на него напряжения. Двухлетняя эксплуатация устройства показала его высокую надежность и востребованность.
Автор: К. Мороз, г. Надым, Ямало-Ненецкий АО
