В статье предложено устройство, защищающее усилитель от перегрузок в блоке питания усилителя и акустическую систему от щелчков и постоянного напряжения, возникающего при переходных процессах или неисправности. Особенность устройства - в применении электронной коммутации в блоке питания.
В этой статье предлагается устройство защиты двух видов для УМЗЧ с выходными каскадами, работающими в режиме работы класса А или АВ.
Первая из них защищает от чрезмерного импульса тока, протекающего в момент подключения к питающей сети через первичную обмотку сетевого трансформатора с кольцевым магнито-проводом. Минимальная индуктивность рассеяния такого трансформатора и большая ёмкость конденсаторов в фильтрах выпрямителя приводят к токовой перегрузке при включении, особенно при включении в момент существенного значения мгновенного напряжения. Зарядка этих конденсаторов происходит при значительном токе, что негативно отражается на ресурсе работы и конденсаторов, и диодов выпрямителя. Вторая защита отключает громкоговорители в акустических системах (далее АС) при появлении постоянного напряжения, например, из-за неисправности усилителя либо помех при коммутациях сетевого питания.
Для первого вида защиты наибольшее распространение получил метод ограничения амплитуды импульса тока при включении сетевого питания, основанный на включении дополнительного резистора последовательно с первичной обмоткой сетевого трансформатора, являющегося составной частью блока питания УМЗЧ. Этот резистор замыкается контактными группами мощных реле через определённый промежуток времени, по окончании зарядки конденсаторов фильтра. Наиболее простые устройства такой защиты обычно не требуют гальванической развязки от питающей сети, как, например, в [1], где эксплуатационная надёжность работы зависит от качества контактов применяемых реле и сетевого выключателя.
Значительное повышение надёжности работы такого устройства возможно за счёт замены механических контактов реле на электронный ключ (ЭК), например, с предложенным в [2] вариантом реализации, где в качестве ЭК использованы два мощных оптотиристора, работающих в разных полупериодах сетевого напряжения. К недостаткам этого решения следует отнести необходимость использования относительно большого тока для управления ЭК. Кроме того, возможно нарушение симметрии формы напряжения, поступающего на первичную обмотку сетевого трансформатора по причине разброса в напряжении включения оптотиристоров, а значит, появление небольшого постоянного напряжения, приводящего к подмагничиванию магнитопровода.
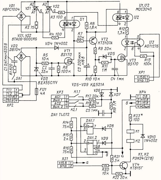
Автором предлагается устройство защиты, схема которого показана на рисунке, с полным исключением механических контактов в сильноточной цепи, где в качестве ЭК применены симисторы. Особенностью устройства является переключение цепей в моменты, близкие к нулевому мгновенному напряжению сети.

Рис. Схема устройства защиты
Выбор именно симисторов для ЭК не случаен, так как они отличаются высокой надёжностью работы и получили широкое распространение из-за низкой цены и доступности, однако имеются некоторые особенности их применения, связанные с характером коммутируемой нагрузки. Так, например, при использовании нагрузки в виде сетевого трансформатора оптимальным вариантом может быть схема с использованием дополнительного диодного моста (VD1), одна из диагоналей которого включена последовательно с первичной обмоткой сетевого трансформатора, а другая диагональ соединена с ЭК.
Как следует из схемы, напряжение на первичной обмотке сетевого трансформатора Т1 изменяется в зависимости от сопротивления в цепи диодного моста, т. е. будет зависеть от состояния ЭК. Таким образом, для реализации защиты первого типа должны быть сформированы два сигнала: сначала для открывания симистора VS1, в цепь которого включён токоограничительный резистор, а затем для симистора VS2.
Рассмотрим процессы, происходящие в устройстве по схеме, где сетевое напряжение питания (230 В) поступает на контакты 3 и 4 разъёма ХР2, а первичная обмотка сетевого трансформатора блока питания УМЗЧ подключена к контактам 1 и 2 этого разъёма.
До момента замыкания контактов выключателя SA1 устройство защиты находится в стабильном состоянии: симисторы VS1 и VS2 закрыты из-за отсутствия сигналов управления, так как отсутствует напряжение питания для их формирования. В этом случае диодный мост VD1 представляет высокое сопротивление, и на первичной обмотке сетевого трансформатора напряжение практически отсутствует.
После подачи сетевого напряжения через выключатель SA1 на стабилитроне VD3 формируется пульсирующее напряжение с амплитудой, соответствующей его напряжению стабилизации, которое через резистор R5 начинает заряжать конденсатор C2. Это пульсирующее напряжение также поступает через диод VD4 на накопительный конденсатор С3, где формируется напряжение питания с малыми пульсациями для каскадов на транзисторах VT1-VT3.
При превышении напряжения на конденсаторе С2, равного пороговому напряжению полевого транзистора VT1, он открывается и через излучающий диод в оптосимисторе U1 начинает протекать ток, что приводит к открыванию его симистора и выработке сигнала управления на открывание симистора VS 1. При этом сетевое напряжение поступает на первичную обмотку сетевого трансформатора, а ток через диодный мост VD1 ограничен резистором R2.
Во время зарядки оксидных конденсаторов сглаживающего фильтра в блоке питания УМЗЧ ограниченным током напряжение на них плавно возрастает от нуля примерно до 90 % напряжения, необходимого для нормальной работы всех каскадов УМЗЧ. К этому моменту через транзистор VT2 заряжается конденсатор С4 с постоянной времени τ ≈ R11·C4, превышающей время переходного процесса в цепи питания УМЗЧ, полевой транзистор VT3 открывается, и через излучающие диоды в оптронах U2 (с симистором) и U3 (с фототранзистором) начинает протекать ток. Это вызывает формирование сигнала управления для открывания симистора VS2, шунтирующего резистор R2. В результате напряжение сетевого питания поступает на первичную обмотку сетевого трансформатора без ограничения тока, и на конденсаторах фильтра напряжение возрастает до номинального, обеспечивающего рабочий режим работы усилителя. При этом открывание транзистора в оптроне U3 создаёт условия для формирования сигнала управления узлом защиты, подключающим АС к усилителю.
Теперь рассмотрим процессы, происходящие при отключении напряжения питающей сети (при выключении SA1) или при кратковременном перерыве в её подаче. При этом конденсатор С2 достаточно быстро разряжается, а транзисторы VT1 и VT2 закрываются. Конденсатор С4 также быстро разряжается через диод VD5 и резистор R10, что приводит к закрыванию транзистора VT3. Таким образом, симисторы VS1, VS2 выключаются, и устройство защиты возвращается в стабильное исходное состояние.
Необходимость в быстрой реакции даже на кратковременное отключение сети (на десятки и сотни миллисекунд) возникает из-за необходимости исключения больших импульсов потребляемого тока от переходных процессов в блоке питания, а также для исключения щелчков в АС при выключении сетевого питания переключателем SA1. Длительность разрядки конденсатора С4 достаточно близка к времени разрядки конденсатора С2.
Теперь рассмотрим процессы в узле защиты АС, для которого напряжения питания +/-15 В и +Uпит - соответственно напряжения питания предварительных и выходного каскадов от блока питания УМЗЧ - поступают через разъём ХР4, а выходы УМЗЧ и его нагрузка (громкоговорители АС) подключены к разъёму ХР3.
Как следует из схемы на рис. 1, открывание транзистора в оптроне U3 приводит также к открыванию транзистора VT4, но только при условии отсутствия сигнала блокировки (напряжение -15 В на верхнем по схеме выводе резистора R21) от компаратора, анализирующего наличие постоянной составляющей напряжения на выходе УМЗЧ, и соответственно к подаче напряжения +ипит на обмотки реле К1 и К2, подключающие АС к выходам УМЗЧ.
Защита второго типа, одновременно действующая в отношении двух каналов УМЗЧ, состоит из ФНЧ R19C5 и двухпорогового компаратора на двух ОУ микросхемы DA1. Основным отличием предлагаемого варианта схемы от предложенного в [3] является наличие дополнительного ограничителя входного напряжения на уровне 0,5...0,7 В на диодах VD6, VD7. Это позволило значительно уменьшить постоянную времени R19C5 и отказаться от использования оксидных конденсаторов. Напряжение срабатывания компаратора выбрано равным +/-0,1 В, но с учётом суммирования выходных сигналов с двух каналов, допустимое постоянное напряжение на выходе каждого из каналов ограничено величиной +/-0,2 В, что является вполне достаточной для надёжной защиты АС.
Срабатывание любого из компараторов в аварийной ситуации или при переходном процессе установления рабочих режимов в каскадах УМЗЧ (появлению постоянной составляющей на выходе) приводит к появлению на соответствующем его выходе напряжения отрицательной полярности (-15 В). Это напряжение является закрывающим для транзистора VT4, что в результате приводит к отключению реле, а значит, и к отключению АС от выходов УМЗЧ.
Таким образом, исключение помех (щелчков) в АС при включении сетевого питания обеспечивается за счёт задержки их подключения к выходам УМЗЧ с постоянной времени τ ≈ R11·C4.
Исключение возможных щелчков в АС при отключении напряжения сетевого питания обеспечивается за счёт быстрого их отключения от УМЗЧ. Быстродействие отключения АС в этом устройстве зависит в основном от времени отпускания контактов применённых реле после отключения напряжения на их обмотках.
Особое внимание следует обратить на выбор сопротивления резистора R2 и его мощности. От выбора его номинала зависит амплитуда импульса тока, потребляемого от сети в момент её подключения к первичной обмотке сетевого трансформатора. По мнению автора, наиболее целесообразно производить расчёт сопротивления резистора R2 исходя из максимального значения потребляемого тока (Iп) от питающей сети, при максимальной выходной мощности и одновременной работе двух каналов УМЗЧ.
Например, если значение потребляемого тока Iп ограничено 3 А, то ориентировочное сопротивление R2 может быть определено как отношение напряжения питающей сети к току Iп, т. е. R2 = 230/3 = 76,7 Ом. Выберем номинал R2 равным 75 Ом. При выборе его мощности следует учитывать две её особенности: первая - что она кратковременная (несколько периодов сетевого напряжения), но достаточно большая в момент включения, и вторая - что она относительно длительная, но небольшая, до момента замыкания резистора R2. Первая из них предъявляет высокие требования к возможности выдерживания значительных кратковременных перегрузок по мощности при сохранении надёжности работы. При второй из них представляется возможным произвести оценку с достаточной точностью необходимой мощности, так как она является суммой мощности, потребляемой сетевым трансформатором в режиме холостого хода, и мощности, потребляемой УМЗЧ при отсутствии звукового сигнала на выходе. Если обратиться к выше приведённому примеру с потребляемым током Iп = 3 А, то практически эта суммарная мощность обычно не превышает 5...8 Вт, и поэтому можно ограничиться, с небольшим запасом, мощностью 10 Вт, используя проволочный резистор, например, SQP или иной подобный.
Конструктивно устройство защиты смонтировано на двух печатных платах, которые между собой соединяют через разъём Х1 (ХР1 и XS1). Устройство защиты возможно разместить и на одной плате, разделив защитным промежутком (не менее 10 мм) узлы первичной (сетевой) цепи питания и собственно устройства отключения АС.
О деталях и их возможных заменах. В устройстве защиты могут быть использованы резисторы (R3-R22) любого типа мощностью не менее 0,125 Вт, R1 - мощностью не менее 1 Вт, R2 - проволочный, мощностью не менее 10 Вт. Разброс сопротивления резисторов - не более ±10%. Конденсаторы С1, С2, С4, С5 - К73-17; конденсатор С1 - на номинальное напряжение не менее 630 В, остальные - на 63 В, отклонение ёмкости от номинала - не более ±20 %. Оксидный конденсатор С3 - К50-35. Их можно заменить другими типами с аналогичными параметрами.
В качестве оптосимисторов U1 и U2 могут быть использованы также и MOC3063. Вместо КТ815Г (VT4) можно применить BD139-10STU или любой другой с аналогичными параметрами. Транзистор КТ3107А (VT2) может быть с любым буквенным индексом, транзисторы BS170 (VT1, VT3) можно заменить на BS107. В качестве симисторов VS1 и VS2 допускается использование BT137-600E.127, а микросхему ОУ DA1 можно заменить другой с большим входным сопротивлением.
Устройство допускает замену диодов на другие с аналогичными параметрами, то же относится и к реле (РЭН34 в исполнении ХП4.500.000-01). В качестве SA1 возможно использование переключателя любого типа, допускающего коммутацию напряжения не менее 400 В и ток не менее 0,5 А.
Литература
1. Корзинин М. Устройство мягкого включения УМЗЧ. - Радио, 1994, № 4, с. 11, 12.
2. Агеев С. Сверхлинейный УМЗЧ. - Радио, 1999, № 12, с. 16-19.
3. Устройство защиты АС и плавного запуска, упрощённое из сверхлинейного УМЗЧ С. Агеева. - URL: forum.vegalab.ru/ showthread.php?t=24656 (10.02.18).
Автор: А. Сырицо, г. Москва
