Предлагаемое устройство выполняет функции самовосстанавливающегося предохранителя и предназначено для защиты от перегрузок по току различной радиоэлектронной аппаратуры, питаемой постоянным напряжением.

Рис. 1
Основой устройства (рис. 1) является микроконтроллер DD1, работающий по программе, коды которой приведены в таблице. Он измеряет протекающий ток, сравнивает его с заранее установленным значением порога срабатывания защиты, выводит информацию на ЖК индикатор HG1 и управляет мощным полевым переключательным транзистором VT1.

Основные технические характеристики
Входное напряжение, В ........6...30
Интервал установки порога срабатывания защиты по току, А.................0,01...9,99
Периодичность подключения нагрузки после срабатывания защиты, с ..........0,5
Потребляемый ток, мА .............7
Функцию датчика тока выполняет резистор R4. Напряжение на нем пропорционально протекающему через нагрузку току, оно поступает на усилитель постоянного тока на ОУ DA2.1, и уже усиленное напряжение через буферный усилитель-повторитель напряжения на ОУ DA2.2 - на линию РАО микроконтроллера DD1, которая сконфигурирована как вход встроенного в него АЦП.
Эталонное напряжение АЦП (2,56 В) выведено на выход РВЗ (вывод 17) микроконтроллера и дополнительно фильтруется конденсатором С5. Параметрический стабилизатор напряжения на резисторе R5 и светодиоде HL1 обеспечивает питание десятиразрядного ЖК индикатора HG1 напряжением около 1,5 В, резис-тивные делители R6R7 и R8R9 предназначены для согласования выходных сигналов микроконтроллера с входами индикатора HG1.
АЦП микроконтроллера работает в режиме непрерывного преобразования с тактовой частотой около 250 кГц. При обработке прерывания по завершению преобразования происходит сравнение кодов в регистрах АЦП с кодами в буферных регистрах (далее по тексту - установочных), которые соответствуют порогу срабатывания защиты. Если протекающий ток меньше установленного порога, транзистор VT1 открыт и на нагрузку поступает питающее напряжение. Когда ток достигнет или превысит пороговое значение, транзистор VT1 в течение около 60 мкс закрывается, отключая нагрузку. После этого через каждые 0,5 с транзистор VT1 по команде микроконтроллера DD1 станет открываться, и если перегрузка по току будет устранена, транзистор останется в открытом состоянии.
Значения протекающего тока и порога срабатывания отображаются на индикаторе HG1. В правой его части отображается значение порогового тока. В крайнем правом (первом) разряде - сотые доли ампера, во-втором - десятые, третий погашен и в четвертом - единицы ампер. Аналогично в левой части индикатора (разряды 7- 10) отображается значение протекающего через нагрузку тока. При превышении этим током 9,99 А на 7, 8 и 10-м разрядах отображаются знаки "-".
Нажатием на кнопку SB1 осуществляют установку порога срабатывания защиты 5 А. Программно запрещено скачкообразное изменение кодов в установочных регистрах (от 0 до 999, и наоборот). Нажатием на кнопку SB2 "-" или SB3 "+" изменяют это значение с переменным шагом. При постоянном удержании одной из этих кнопок первые десять значений порога изменяются с дискретностью 0,01 А, затем она увеличивается до 0,1 А. После отпускания кнопки шаг снова возвращается к исходному значению - 0,01 А.
Устройство позволяет определять максимальный пусковой ток нагрузки. Для этого нажимают на кнопку SB4 "Режим". Перед обработкой прерывания от АЦП коды из установочных регистров копируются в регистры общего назначения микроконтроллера, а при обработке прерывания увеличиваются на 10, что соответствует увеличению тока срабатывания защиты на 0,1 А. Если кнопку "Режим" удерживать в нажатом состоянии, значение тока срабатывания защиты увеличивается на 0,1 А каждые 0,5 с и отображается в правой части индикатора. После подключения нагрузки (если необходимо) уменьшают значение тока защиты кнопкой SB2 "-". Эта функция удобна при большой емкости конденсаторов в фильтрах питания нагрузки. Если кнопка SB4 "Режим" не нажата, значение установочных регистров восстанавливается и значение тока срабатывания защиты возвращается к первоначальному.

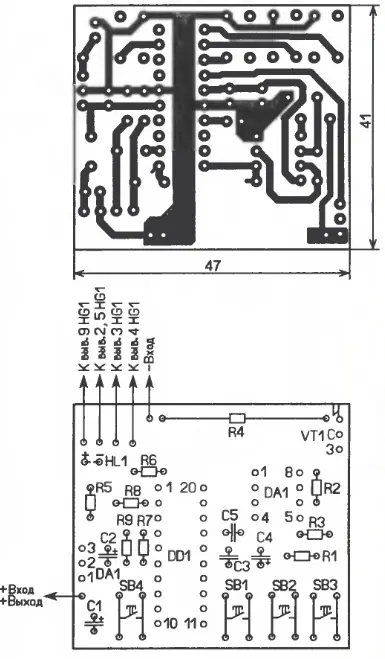
Рис. 2
Большинство деталей размещены на печатной плате из односторонне фольгированного стеклотекстолита, чертеж которой показан на рис. 2. Резистор R4 - проволочный, демонтированный из неисправного цифрового мультиметра серии М83х, постоянные резисторы - МЛТ, С2-23, оксидные конденсаторы - импортные, остальные - KM, K10-17, светодиод - любой красного цвета свечения с прямым падением напряжения 1,5...1,7 В при токе 0,3 мА, дроссель - импортный ЕС-24, он припаян со стороны печатных проводников к контактным площадкам выводов 5 и 15 микроконтроллера. Минусовый выход устройства соединяют (припаивают) с фланцем транзистора VT1.
Для налаживания к выходу устройства подключают последовательно соединенные резистор сопротивлением 6... 10 Ом, мощностью 25 Вт и образцовый амперметр. Изменением входного напряжения устанавливают выходной ток 1...1.5А, и подборкой резистора R1 уравнивают показания в левой части индикатора HG1 и амперметра.
Программу микроконтроллера можно скачать здесь
Автор: М. Озолин, с. Красный Яр Томской обл.
