В настоящее время часть радиоэлектронной аппаратуры - телевизоры, DVD-плееры, некоторое оборудование для компьютеров - не имеет специального сетевого выключателя питания и оказывается постоянно подключенной к сети, хотя в этом и нет необходимости. Наряду с тем что при этом бесполезно расходуется электроэнергия, возрастает вероятность выхода ее из строя из-за аварийных ситуаций в сети. Предлагаемое устройство можно применять не только для включения такой аппаратуры, но и защиты от перегрузки по току.

Рис. 1
Схема его показана на рис. 1. Коммутация нагрузки осуществляется мощным полевым переключательным транзистором VT3, который включен в диагональ диодного выпрямительного моста VD4. В цепи истока установлены резисторы R13, R14, выполняющие функции датчика тока. Диоды VD6, VD7 ограничивают напряжение на них, а конденсатор С6 подавляет импульсные помехи. Варистор RU1 защищает транзистор VT3 от пробоя всплесками напряжения, возникающими в сети при коммутации индуктивной нагрузки.
Узел управления переключательным транзистором собран на транзисторах VT1, VT2 и D-триггере DD1.1, который включен как делитель частоты на два. Питание узла осуществляется от выпрямителя на диодах VD1, VD3 с гасящими резисторами R1, R2 и параметрического стабилизатора напряжения на стабилитроне VD2, конденсатор С1 - сглаживающий. Светодиод HL1 индицирует наличие сетевого напряжения на входе устройства. Если питание нагрузки выключено, ток через свето-диод HL1 увеличивается, поэтому яркость его свечения возрастает. Нагрузка включена последовательно с диодным мостом VD4, от перегрузки ее, как и само устройство, защищает плавкая вставка FU1. Светодиод HL2 индицирует наличие сетевого напряжения на нагрузке. Резистор R12, шунтирующий светодиод HL2, устраняет его слабое свечение, которое может возникнуть за счет обратного тока полевого транзистора VT3 и тока через варис-Top RU1
После подачи сетевого напряжения на D-триггер DD1.1 поступает питающее напряжение. Конденсатор С5 предназначен для формирования импульса установки D-триггера DD1.1 в нулевое состояние - с напряжением низкого логического уровня на прямом выходе (вывод 1 DD1.1). Происходит это так. В момент подачи питающего напряжения заряжается конденсатор С5, транзистор VT1 открывается и на вход R (вывод 4) D-триггера поступает высокий уровень. Полевой транзистор VT3 закрыт, и сетевое напряжение на нагрузку не поступает.
При кратковременном нажатии на кнопку SB1 высокий уровень напряжения поступит на счетный вход С D-триггера, и он переключится в состояние с высоким уровнем на прямом выходе.
Сопротивление канала транзистора VT3 уменьшится до долей ома, и на нагрузку поступит питающее напряжение. Последующее нажатие на кнопку SB1 приведет к переключению D-триггера в состояние с низким уровнем на прямом выходе, транзистор VT3 закроется, и нагрузка будет обесточена.
При увеличении тока, потребляемого нагрузкой, возрастает напряжение на резисторах R13, R14, и когда оно достигнет 0,55...0,6 В, транзистор VT2, а вслед за ним и VT1 начнут открываться, на вход R D-триггера поступит высокий уровень, и он переключится в состояние с низким уровнем на прямом выходе, поэтому транзистор VT3 закроется и нагрузка будет обесточена. Ток срабатывания защиты можно установить резистором R14 в интервале 0,08...0,36 А.
Поскольку в установившемся режиме транзисторы VT1, VT2 закрыты, а D-триггер потребляет малый ток, после отключения сетевого напряжения конденсатор С1 может продолжительное время сохранять заряд. Для его разрядки служит резистор R3. Это может оказаться полезным, если необходимо, чтобы при продолжительном (минута и более) пропадании сетевого напряжения нагрузка была отключена.

Рис. 2
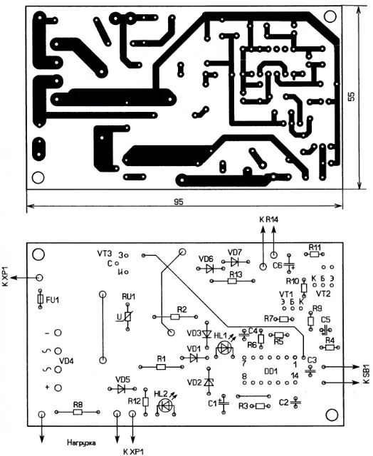
Большинство деталей размещают на печатной плате из односторонне фоль-гированного стеклотекстолита, чертеж которой показан на рис. 2. Она рассчитана на применение постоянных резисторов МЛТ, С1-4, С2-23 (проволочный переменный резистор ППБ-За устанавливают на стенке пластмассового корпуса), оксидных конденсаторов К50-35 или импортных, остальных - К10-17. Bapиcтop TNR10G471К заменим на FNR-10K471, FNR-07K471, стабилитрон КС213Б - на КС213А, 1N4743A, диодный мост RS407 - на KBL08, KBL10, диоды 1N4006 - на 1N4007. Свето-диоды можно применить постоянного, но разного цвета свечения (HL1 - зеленого, HL2 - красного) из серий L-53, КИПД40. Транзистор КТ3107А можно заменить любым из серий КТ3107, КТ361, КТ349, транзистор КТ3102А - любым из серии КТ315, КТ3102, КТ342, но необходимо обратить внимание на различие в цоколевках транзисторов. Полевой транзистор SPP20N60S5 имеет сопротивление открытого канала 0,19 Ом, максимальное напряжение сток-исток - 600 В, максимальный ток стока 20 А, а импульсный - до 40 А. Его ближайшие аналоги - IRFP460, STW20NB50, но можно установить и более мощный - SPW47N60C3, имеющий сопротивление открытого канала 0,07 Ом и максимальный ток стока 47 А. При проведении экспериментов или для работы устройства с маломощной нагрузкой подойдут транзисторы IRF840 или серий КП707, КП753. Кнопка SB1 - любая малогабаритная с длинным пластмассовым толкателем, например, TD06-XEX, TD06-XBT.
При указанных на схеме номиналах резисторов R13, R14 к устройству можно подключать нагрузку мощностью до 75 Вт. Поэтому при подключении к устройству, например, лампы накаливания мощностью 100... 150 Вт, защита по току сработает и не даст ее включить. Чтобы управлять более мощной нагрузкой, необходимо уменьшить сопротивление резистора R13. Амплитудное значение тока срабатывания защиты можно найти из выражения la = (0,55...0,6)/(R13+R14).
Большинство электро- и радиоприборов при своем включении в сеть потребляют так называемый пусковой ток, превышающий номинальный в несколько раз. Чтобы при этом защита по току не срабатывала, параллельно эмиттерному переходу транзистора VT1 необходимо установить оксидный конденсатор (плюсовым выводом к эмиттеру) емкостью 47... 100 мкФ. Посадочное место для этого конденсатора на плате предусмотрено. Пусковой ток устройств с импульсными блоками питания, имеющими на входе конденсаторы большой емкости, можно уменьшить, включив последовательно с нагрузкой проволочный резистор сопротивлением 3,3...5,6 Ом и мощностью 5... 10 Вт, например, С5-37, С5-16. Если этого не сделать, то относительно слаботочные полевые транзисторы (IRF840 и т. п.) могут оказаться поврежденными уже при первом включении нагрузки (телевизор, принтер, монитор).
Автор: А. Бутов, с. Курба Ярославской обл.
