Устройство аварийного освещения представляет собой конструкцию, использующую два датчика для выявления необходимости включения аварийного светодиодного светильника при пропадании сетевого напряжения. Оно имеет аккумуляторное питание и осветительный светодиод, который автоматически включается при совпадении трёх условий: пропадание сетевого напряжения; включённого бытового включателя освещения; недостаточного для нормальной жизнедеятельности уровня естественного или искусственного освещения.
Основной недостаток устройства в том, что оно не имеет индикатора разрядки аккумуляторной батареи или устройства блокировки разрядки батареи ниже определённого значения. Этот недостаток оправдан простотой схемы. К тому же аккумуляторная батарея не может быстро и глубоко разрядиться, поскольку номинальное напряжение на осветительном светодиоде превышает 3 В и при разрядке батареи ниже этого значения разрядный ток быстро снижается. Слабое свечение светодиода при срабатывании устройства хорошо заметно и является индикатором необходимости зарядки аккумуляторной батареи.
Схема устройства показана на рис. 1. Датчик освещённости собран на фоторезисторе R2. Конденсатор С2 подавляет помехи и уменьшает вероятность ложных срабатываний. Логический элемент с характеристикой триггера Шмитта DD1.1 контролирует напряжение на фоторезисторе, элемент DD1.2 управляет транзистором VT1, который подаёт питание на осветительный диод EL2, ток через него ограничен резистором R3. На диодах VD1-VD3 собран датчик протекания тока через осветительную лампу EL1. На диоде VD4 и конденсаторе С4 собран однополупериодный выпрямитель. Лампа EL1 и бытовой включатель SA1 являются стандартными элементами комнатной электропроводки, в разрыв которой включаются последовательно соединённые предохранитель FU1 и датчик тока на диодах VD1-VD3.

Рис. 1. Схема устройства аварийного освещения
Рассмотрим принцип работы фотореле. Сердцем его является фоторезистор ФСД-1, изготовленный из селенида кадмия (CdSe), имеющий допустимое напряжение 20 В, темновое сопротивление не менее 2 МОм. ФСД-1 предназначен для работы в видимой области оптического диапазона. При достижении порогового уровня освещённости на фоторезисторе логический элемент DD1.1 с триггерами Шмитта на его входах переключается, если на другом входе (выводе 2) DD1.1 установлена лог. 1.
При замыкании тумблера SA2 "Пит." быстро заряжаются конденсаторы С1 и С3. Медленнее (через резистор R1) идёт заряд конденсатора С2. За это время устройство перейдёт в рабочее состояние.
Если фоторезистор R2 затемнён, его сопротивление максимально и много более указанных в справочнике гарантируемых 2 МОм, в течение долей секунды на конденсаторе С2 присутствует лог. 0, затем установится лог 1. И элемент DD1.1 будет чувствителен к изменению логического уровня на своём выводе 2.
Если фоторезистор R2 освещён, из-за его уменьшенного сопротивления на выводе 1 элемента DD1.1 устанавливается лог 0, на выходе элемента DD1.2 также будет лог. 0, транзистор VT1 закрыт и осветительный светодиод EL2 погашен. Таким образом, в светлое время суток аварийная подсветка выключена независимо от состояния других датчиков. При этом элемент DD1.1 будет переключаться, если на другом его входе (выводе 2) будет лог 1.
Однако датчик освещённости является лишь вспомогательным элементом. Важную роль играет датчик тока осветительной лампы. Если бытовой включатель SA1 замкнут, сетевое напряжение поступает на лампу EL1. Отрицательные полуволны её тока проходят через диод VD1. Положительные полуволны сетевого тока протекают через диоды VD2, VD3, при этом на них возникает импульс напряжения около 1,4 В. Диод VD4 выпрямляет переменное напряжение, конденсатор С4 сглаживает пульсации выпрямленного напряжения. Через излучающий диод оптрона U1 протекает ток, что приводит к открыванию фототранзистора оптрона. В результате нулевое напряжение на затворе транзистора VT2 сменяется напряжением 2,5 В и более. На стоке этого транзистора напряжение станет соответствовать лог 0, это приведёт к тому, что на выходе элемента DD1.1 будет лог. 1. На выходе элемента DD1.2 - лог 0, транзистор VT1 закрыт, а аварийное освещение выключено.
Если бытовой включатель SA1 замкнут, но сетевое напряжение аварийно прервано, или перегорела лампа EL1, напряжение на конденсаторе С4 отсутствует, фототранзистор оптопары закрыт. Будет закрыт и транзистор VT2, а уровень лог 1 с его стока поступит на вывод 2 элемента DD1.1. Если фоторезистор R2 затемнён, на выводе 1 элемента DD1.1 также будет лог. 1, поэтому на выходе элемента DD1.1 установится лог. 0, а на выходе элемента DD1.2 - лог 1. В результате транзистор VT1 откроется и аварийное освещение будет включено.
Резистор R4, разряжающий конденсатор С4 после снятия сетевого напряжения, как показала практика, может быть исключён. Сопротивление резистора R5, который ограничивает ток через излучающий диод оптрона U1, может быть от 300 Ом до 1,3 кОм. Применение оптрона U1 позволяет безопасно (без риска поражения электротоком) вынимать для зарядки и устанавливать (после зарядки) в батарейный отсек аккумуляторы.
Кроме того, применение оптрона U1 позволяет при налаживании использовать осциллограф. Сопротивление резистора R7 не критично и может быть от 100 кОм до 5,1 МОм.
Окончательное налаживание устройства следует вести осторожно, с учётом требований правил ТБ при работе с конструкциями, не имеющими гальванической развязки от сети 230 В.
Потребляемый устройством ток в дежурном режиме - 50...60 мкА. Для повышения экономичности дежурного режима сопротивление резистора R7 можно увеличить вплоть до 5,1 МОм.
Налаживание проводят в следующей последовательности. Подборкой резистора R1 можно изменить чувствительность фотодатчика. Чем меньше сопротивление резистора R1, тем хуже чувствительность фотореле, т. е. выше уровень освещённости, при котором включается аварийное освещение. Яркость свечения светодиода EL2 устанавливают подборкой резистора R3, но так, чтобы ток не превышал максимально допустимое значение (80 мА).
Затемнять фотодатчик R2 при проверке чувствительности фотореле удобно кусочком чёрной (светонепроницаемой) бумаги. При использовании лампы накаливания EL1 мощностью менее 25 Вт для надёжной работы оптрона U1, возможно, потребуется подобрать сопротивление резистора R5 (0,3...1,3 кОм), а для уверенного открывания VT2 - сопротивление резистора R7 (0,12...5,1 МОм).
Для исключения влияния включённого светодиода EL2 на фоторезистор R2 их следует вывести на разные стороны корпуса устройства. Для этой же цели светодиод EL2 можно снабдить невысокой (5...10 мм) защитной блендой (тубусом) из светонепроницаемого материала.
В устройстве применены резисторы МЛТ, ОМЛТ, С2-33 и аналогичные с до-пуском ± 20 %. Конденсаторы С1, С4 - К50-35 или импортные, конденсаторы С2, С3 - керамические, К10-17 или плёночные серии К73, или импортные. Диоды VD1-VD3 - любые из серии КД226 или Ш400х, диод Д9Д можно заменить любым маломощным германиевым или диодом Шоттки. Светодиод EL2 - любой одиночный сверхъяркий любого свечения, транзисторная оптопара U1 - АОТ110, 3ОТ110 с любым буквенным индексом. Полевой транзистор КП505А (VT1) можно заменить транзистором КП505Г и даже мощным IRF540. Транзистор КП505А (VT2) можно заменить транзисторами КП501А, КП504А. Микросхему К561ТЛ1 можно заменить зарубежным аналогом - микросхемой CD4093А. В любом случае для надёжной работы устройства неза-действованные входы элементов подключают к общему проводу или к линии питания. Предохранитель FU1 при мощности EL1 до 60 Вт - на ток 0,5 А, а при мощности лампы EL1 от 75 до 150 Вт - на ток 1 А. Выключатель SA2 - MTS102, SMTS102 или любой другой малогабаритный. Батарея GB1 составлена из четырёх аккумуляторов типоразмера АА или ААА. Лампа накаливания EL1 - на напряжение 230 В и мощностью от 25 до 100 Вт (лампы набольшую мощность просто не производятся).
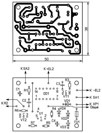
Печатная плата изготовлена из одностороннего фольгированного стеклотекстолита толщиной 1,5...2 мм. Её чертёж показан на рис. 2. Диаметр отверстий на плате под микросхему - 0,7...0,9 мм, под остальные радиоэлектронные компоненты - 0,7...1 мм. Все резисторы и диоды устанавливают перпендикулярно плате. Перед установкой деталей на плату следует впаять одну перемычку из одножильного провода в термостойкой изоляции.

Рис. 2. Чертёж печатной платы устройства аварийного освещения и размещение элементов на ней
Плата размещена в прямоугольном пластмассовом корпусе подходящих размеров (например, в мыльнице размерами 100x60x30 мм). Она крепится винтами М2,5 или М3 с потайными головками к передней стороне (крышке) корпуса. Головки винтов не должны выступать, чтобы не портить внешний вид фальшпанели. Для этого в местах установки винтов сверлят отверстия и зенкуют их на глубину, равную высоте потайной головки винта. В отверстия вставляются четыре винта. С обратной стороны крышки на винты надевают простые и пружинные шайбы, а затем навинчивают гайки. На винты надевают полые цилиндры высотой 3...10 мм из изоляционного материала, затем плату, простые шайбы из изоляционного материала и навинчивают гайки. Проводники, соединяющие устройство с сетью 230 В, выводятся из корпуса через боковую или заднюю стенку. Аккумуляторная батарея расположена за тонкой перегородкой из изоляционного материала на задней стенке корпуса. Для неё можно использовать специальные контейнеры (кассеты).
Автор: А. Ознобихин, г. Иркутск
