Для использования в качестве встроенных источников питания различных самодельных маломощных малогабаритных приборов было приобретено несколько сетевых зарядных устройств для мобильной аппаратуры с выходным напряжением 5 В при токе нагрузки до 750 мА. Конкретное название модели этих устройств установить не удалось, но на коробках была надпись "МОТ V3 АМТ Style".

Рис. 1
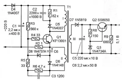
Одно из них было разобрано (рис. 1), и по печатной плате и имеющейся на ней маркировке элементов была составлена его принципиальная схема, показанная на рис. 2 (отсутствие на ней резистора R7 и конденсатора С4 объясняется отсутствием их на плате). Проверка устройства на работоспособность показала, что при увеличении тока нагрузки от 0 до 500 мА выходное напряжение уменьшается с 5,15 до 4,2 В, при этом напряжение на конденсаторе С5 понижается с 7 до 5 В. Для испытания на длительную работу устройство было нагружено током 0,5 А. Примерно через 30 мин оно вышло из строя - оказались повреждёнными транзистор Q1, диод D6, стабилитрон D8 и резисторы R2, R4, при этом температура корпусов обоих транзисторов и трансформатора Т1 достигла 80...90 °С.

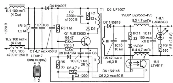
Для того чтобы такое питающее устройство можно было долговременно использовать хотя бы при токе нагрузки до 500 мА, оно было доработано, как показано на рис. 3. Нумерация новых элементов начинается с цифры 1 и продолжает начатую на рис. 2. В дополнение к малоэффективному узлу стабилизации выходного напряжения, выполненному на элементах D6, D8, С6, введён узел стабилизации, состоящий из оптрона 1U1, стабилитрона 1VD9 и защитного резистора 1R11. Когда выходное напряжение стремится увеличиться, например, из-за уменьшения тока нагрузки или повышения сетевого напряжения, возрастает ток через излучающий диод оптрона 1U1. Это приводит к тому, что сильнее открывается фототранзистор оптрона и шунтирует стабилитрон D8. Выходное напряжение понижается. Стабилитрон D8 оставлен в устройстве как резервная петля стабилизации выходного напряжения. Транзисторный стабилизатор напряжения на элементах Q2, Q3, R8 удалён.
Для повышения надёжности устройства и улучшения его эксплуатационных характеристик также были внесены следующие изменения: введён LC-фильтр 1L11L21C71C8, уменьшающий уровень помех, как поступающих на вход устройства из сети, так и в обратном направлении; оксидный конденсатор С1 заменён конденсатором большей ёмкости и с большим номинальным напряжением; резисторы R2-R4 заменены резисторами большего сопротивления; вместо транзистора KF13001 (Q1) применён более мощный MJE13003; диод 1N4007 (D5) заменён быстродействующим UF4007 (вместе с увеличением сопротивления резистора R3 это позволило уменьшить на 1 мА потребляемый устройством ток от сети 220 В при токе нагрузки 500 мА). Кроме того, на выходе устройства установлен LC-фильтр 1L31L41C10. Светящийся светодиод 1HL1 индицирует наличие выходного напряжения. Резистор 1R10 разряжает конденсаторы 1С7, 1С8 после отключения устройства от сети.
Испытания доработанного источника питания показали, что увеличение тока нагрузки от 0 до 500 мА вызывает понижение выходного напряжения с 5,06 до 4,86 В, а температура корпуса транзистора Q1 и трансформатора Т1 при длительной работе не превышает 55 °С. КПД доработанного устройства при токе нагрузки 500 мА - 72 % (у исходного варианта - 52 %).
В конструкции применены дроссели 1L1 и 1L2 промышленного изготовления, намотанные на Н-образных ферри-товых магнитопроводах размером примерно с резистор МЛТ-0,5. Сопротивление их обмоток может быть от 4 до 50 Ом, индуктивность - от 22мкГн. Конденсаторы 1С7, 1С8 - керамические с номинальным напряжением 250 В переменного тока или не менее 1000 В постоянного тока. В случае, если доработанное устройство будет эксплуатироваться в "родном" корпусе, элементы 1L1, 1L2, 1С7, 1С8 монтируют в пустой нише, где размещены контактные штыри для подключения к сетевой розетке.
Конденсаторы 1С9, 1С10 - керамические для поверхностного монтажа, их припаивают к контактным площадкам под вывот ды соответствующих оксидных конденсаторов на стороне печатных проводников. Дроссели 1L3, 1L4 - с ферритовым магни-топроводом для поверхностного монта-
направлении; оксидный конденсатор С1 заменён конденсатором большей ёмкости и с большим номинальным напряжением; резисторы R2-R4 заменены резисторами большего сопротивления; вместо транзистора KF13001 (Q1) применён более мощный MJE13003; диод 1N4007 (D5) заменён быстродействующим UF4007 (вместе с увеличением сопротивления резистора R3 это позволило уменьшить на 1 мА потребляемый устройством ток от сети 220 В при токе нагрузки 500 мА). Кроме того, на выходе устройства установлен LC-фильтр 1L31L41C10. Светящийся светодиод 1HL1 индицирует наличие выходного напряжения. Резистор 1R10 разряжает конденсаторы 1С7, 1С8 после отключения устройства от сети.
Испытания доработанного источника питания показали, что увеличение тока нагрузки от 0 до 500 мА вызывает понижение выходного напряжения с 5,06 до 4,86 В, а температура корпуса транзистора Q1 и трансформатора Т1 при длительной работе не превышает 55 °С. КПД доработанного устройства при токе нагрузки 500 мА - 72 % (у исходного варианта - 52 %).
В конструкции применены дроссели 1L1 и 1L2 промышленного изготовления, намотанные на Н-образных ферри-товых магнитопроводах размером примерно с резистор МЛТ-0,5. Сопротивление их обмоток может быть от 4 до 50 Ом, индуктивность - от 22мкГн. Конденсаторы 1С7, 1С8 - керамические с номинальным напряжением 250 В переменного тока или не менее 1000 В постоянного тока. В случае, если доработанное устройство будет эксплуатироваться в "родном" корпусе, элементы 1L1, 1L2, 1С7, 1С8 монтируют в пустой нише, где размещены контактные шты-
жа, сопротивление обмотки - не более 0,04 Ом, индуктивность - не менее 4,7 мкГн.
Оптрон LTV817 (его закрепляют на плате клеем "Квинтол") можно заменить любым аналогичным четырёхвыводным, например, РС817, EL817, PS2501-1, РС814, РС120, РС123 (назначение выводов у них такое же, как у LTV817). Стабилитрон BZV55C-4V3 (1VD9) заменим любым аналогичным маломощным с напряжением стабилизации около 4 В при токе 1 мА. От типа и экземпляра этого стабилитрона зависит выходное напряжение. Если необходимо немного повысить выходное напряжение, излучающий диод оптрона можно зашунтировать резистором сопротивлением несколько сотен ом.

Рис. 3
Вместо светодиода L-934SGC можно установить любой обычный (без встроенного резистора). Применять мигающие светодиоды не рекомендуется, так как они могут создавать помехи для близко расположенного радиоприёмника. Взамен диода UF4007 (D5) допустимо использовать MUR160, 1N5398, КД247Д, КД258Г. Этими же диодами заменим и 1N4007 (D4), в случае его повреждения.

Рис. 4
Внешний вид платы доработанного устройства показан на рис. 4. При налаживании и эксплуатации устройства следует помнить, что большинство его элементов находятся под напряжением сети, поэтому необходимо строго соблюдать правила электробезопасности.
Подобным образом можно доработать и другие миниатюрные импульсные зарядные устройства, а также сетевые адаптеры, в которых отсутствует обратная связь по выходному напряжению.
Автор: А. Бутов, с. Курба Ярославской обл.
