Частотный преобразователь применяется для того, чтобы из одной фазы получить три. Трехфазное питание используется, в основном, в промышленности. Однако и в бытовых ситуациях потребуется управление, например, трехфазным асинхронным двигателем. На этот случай вполне можно обойтись самостоятельным изготовлением частотника, что позволит использовать устройство с минимальными потерями мощности.
Существует много схем, которые дают возможность запустить трехфазный двигатель. Но, часть из них не предусматривает плавного включения или выключения, или же создают дополнительные неудобства, которые не дадут использовать двигатель полноценно. Исходя из этого, и были изобретены частотные преобразователи. Они позволяют полностью контролировать работу двигателя, при экономичном расходе электроэнергии и безопасности эксплуатации.

Рис. 1. Схема запуска трехфазного двигателя
Составляющие частотного преобразователя
Для наглядности, схему можно разбить на три составляющих или три взаимосвязанных блока:
1. Выпрямитель.
2. Фильтр, предназначение которого есть сглаживание напряжения на выходе.
3. Инвертор, который собственно и отвечает за производство необходимой частоты.
Его использование дает значительное уменьшение пускового тока, при включении оборудования, что существенно продлевает эксплуатационный срок двигателя и устройства, где данный двигатель используется. Естественно, что избавившись таким образом от высоких показаний пускового тока, удается и сэкономить электроэнергию, которая уходила ранее при запуске оборудования. А это особенно актуально в условиях, где предусмотрены частые запуски и остановки устройств.

Рис. 2. Составляющие частотного преобразователя
Современные покупные инверторы широко используются в таких сферах, как производство, водоснабжение, энергетика, сельское и городское хозяйства, в электронике, и в автоматических линиях и комплексах.
Стоимость фирменного частотного преобразователя слишком высока, для того, чтобы изучить его процессы работы или использовать в быту или домашней мастерской. Поэтому часто используются в таких ситуациях самодельные частотники.
Сборка устройства
Стоит обратить внимание на то, что в домашних условиях крайне не рекомендуется использование двигателей, рассчитанных на мощность большую, чем 1 кВт. Таковы особенности домашней сети.
Имея необходимый двигатель, потребуется для начала соединить его обмотки между собой способом "треугольник".

Рис. 3. Трёхфазный двигатель

Рис. 4. Соединение треугольник

Рис. 5. Соединение треугольник
Схема самого частотного преобразователя.

Рис. 6. Схема частотного преобразователя
Питание осуществляется от блока питания 27 Вольт постоянного напряжения. Это может быть, как регулируемый БП, так и сделанный собственноручно, рассчитанный на данное напряжение. Схема подключения двигателя;

Рис. 7. Схема подключения двигателя
Схема простая и проверенная и не содержит компонентов, которые сложно будет купить. Но, к сожалению, не лишена недостатков и годится для применения лишь в быту.
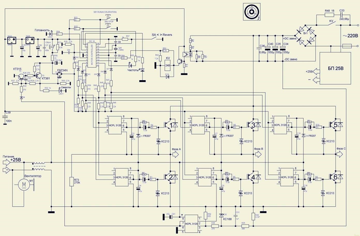
Более сложная в сборке схема, но и более результативная представлена ниже.
Рис. 8. Схема подключения двигателя
На данный момент это самая обсуждаемая схема частотного преобразователя, который можно сделать собственноручно. Прошивки микроконтроллера изобилуют на тематических форумах. Потребуется не только умение грамотно паять, но и прошивать микроконтроллеры.
Печатная плата.

Рис. 9. Печатная плата
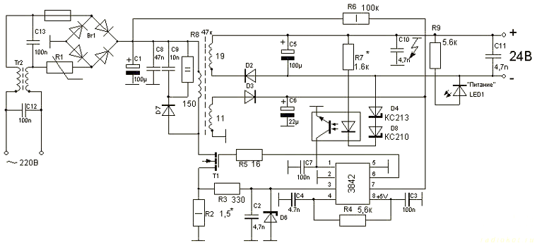
Потребуется надежный источник питания на 24 Вольта. Предлагается его также изготовить собственноручно по схеме.

Рис. 10. Схема источника питания
Естественно, что устройство можно приобрести и готовым. Они бывают фирменными или сделанными народными мастерами, которые обладают положительными рекомендациями.
Автор: RadioRadar

