Индикатор позволяет отслеживать все стадии зарядки автомобильной аккумуляторной батареи. Информация отображается четырьмя светодиодами различного цвета свечения.
В статьях В. Андрюшкевича [1] и [2] достаточно просто и понятно была изложена методика переделки компьютерных блоков питания (БП) в зарядное устройство (ЗУ). Но индикатор процесса зарядки, на мой взгляд, имеет некоторые недостатки. В предлагаемом индикаторе, схема которого основана на объединении соответствующих узлов из [1] и [2] и приведена на рис. 1, они устранены. Узел индикации достижения максимального напряжения зарядки выполнен на ОУ DA1.2. За счёт большого коэффициента усиления он работает практически как компаратор. Пороговое напряжение включения - 14,7 В, его устанавливают подстроечным резистором R4. Образцовое напряжение +5 В взято непосредственно с вывода 14 (UREF) микросхемы TL494CN БП. По достижении на выходных клеммах ЗУ максимального напряжения включается светодиод HL1 (зелёного цвета) и светит до выключения ЗУ, сигнализируя о том, что напряжение зарядки достигло максимального значения, и идёт процесс снижения зарядного тока.

Рис. 1. Схема предлагаемого индикатора
Схема узлов на ОУ DA1. 1 и компараторе DA2 аналогична приведённой на рис. 2 в [2]. Там же приведена методика их налаживания. Номиналы резисторов R38, R39 [2] уменьшены для снижения наводок от преобразователей напряжений БП, а питание на индикатор подано непосредственно с выхода ЗУ. Это обеспечивает автоматическое гашение всех светодиодов HL1-HL4 при наличии КЗ на выходе.

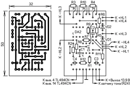
Рис. 2. Печатная плата и элементы на ней
В начале процесса зарядки при номинальном токе, который у меня установлен равным 6 А, горит светодиод HL2 красного цвета свечения. При достижении максимального напряжения зарядки загорается светодиод HL1. При снижении тока зарядки до 3...4 А (устанавливают подстроечным резистором R3) гаснет светодиод HL2 и включается HL3 жёлтого цвета свечения. Когда ток зарядки станет менее 0,5...1 А (устанавливают подстроечным резистором R10), HL3 погаснет и включится мигающий светодиод HL4 зелёного цвета свечения, свидетельствующий об окончании зарядки. Такой алгоритм индикации даёт визуальный контроль всех её стадий.
Само ЗУ было собрано на базе устаревшего, но когда-то довольно распространённого компьютерного БП модели PM-230W [3] фирмы КМЕ. Конструкция печатной платы индикатора адаптирована под этот и подобные БП. Однако ничто не мешает устанавливать её на другие БП. Просто подключение индикатора к БП придётся выполнить пятью дополнительными отрезками гибких проводов в изоляции. На печатной плате индикатора эти связи разведены для крепления пайкой на штатный девятиконтактный угловой соединитель, установленный на основной плате БП указанной модели. До доработки на нём крепился модуль блока запуска по сигналу "Power On" [3].
Все элементы, кроме светодиодов HL1-HL4, размещены на печатной плате, чертёж которой и расположение на ней элементов показаны на рис. 2. Светодиоды закреплены в отверстиях на передней стенке корпуса ЗУ При переделке БП, конечно, все его лишние элементы демонтируют. Микросхемы LM358N и LM393N часто применяются в узле запуска. После демонтажа их можно применить в индикаторе.
Применены постоянные резисторы С2-23, МЛТ, подстроечные - из серий SH-625MC, PV-32, CA9H2.5, 3362S. Если переделке подлежит БП серии PM-230, плату узла запуска выпаивают из девятиконтактного штыревого соединителя, а на её место в освободившиеся штыри устанавливают плату индикатора и пропаивают контактные площадки. Контактные площадки под выводы 7 и 8, 9 на плате БП соединяют короткими проводами соответственно с датчиком тока (R24 на рис. 1 в [1]) и линией +13,9 В. Если цепь плавного (медленного) пуска установлена на основной плате, как, например, R5C11 в [1], то элементы индикатора R12 и C4 не устанавливают. ЗУ со снятой крышкой и встроенным индикатором показано на рис. 3.

Рис. 3. ЗУ со снятой крышкой и встроенным индикатором
Чертежи печатной платы в формате Sprint LayOut 5.0 и схема зарядного устройства на базе БП PM-230W в формате GIF можно скачать здесь.
Литература
1. Андрюшкевич В. Переделка компьютерного блока питания в лабораторный и зарядное устройство. - Радио, 2012, № 3, с. 22-24.
2. Андрюшкевич В. Переделка компьютерного блока питания в зарядное устройство. - Радио, 2013, № 9, с. 26, 27.
3. PM-230W. - URL: http://electro-tech.narod .ru/schematics/power/ comp/atx/kme_ pm-230.gif (1.08.2016).
Автор: С. Глибин, г. Москва
