Для проведения сварочных, литейных, гальванических и других работ требуется мощный специализированный источник напряжения или тока (иногда специальной формы). При анализе устройства таких источников было замечено, что их функциональные схемы практически совпадают. В предлагаемой статье приведён пример реализации преобразователя напряжения мостового типа на базе универсального микроконтроллерного управляющего модуля. Этот преобразователь пригоден не только для использования в инверторных источниках сварочного тока, но и в системах индукционного нагрева, источниках бесперебойного питания радиоэлектронной аппаратуры, источниках тока для гальваники, преобразователях частоты, источниках питания ультразвуковых генераторов.
Предлагаемый инверторный источник сварочного тока питается от сети переменного напряжения 170...240 В и рассчитан на ток нагрузки до 150 А в течение 70 % рабочего времени. Основное отличие этого источника от классических - отсутствие отдельного узла зарядки накопительного конденсатора, а также возможность приспособления к решению различных задач без изменения схемы блока управления, а лишь заменой программы микроконтроллера.
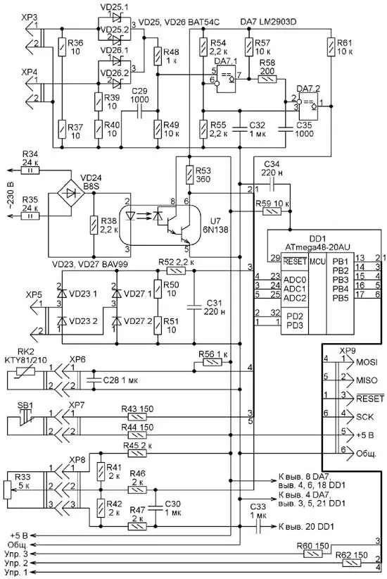
Функционально источник сварочного тока состоит из источника питания входящих в его состав узлов, тринисторного управляемого выпрямителя, высокочастотного мостового инвертора на IGBT с оптоизолированными узлами управления и внешнего сварочного блока. Принципиальная схема перечисленных блоков изображена на рис. 1. Выпрямителем и инвертором управляет, а также контролирует их работу микро-контроллерный блок контроля и управления, схема которого показана на рис. 2. Нумерация элементов на этих схемах - сквозная.
Рис. 1. Принципиальная схема внешнего сварочного блока

Рис. 2. Схема микроконтроллерного блока контроля и управления
При замкнутых контактах автоматического выключателя SA1 переменное сетевое напряжение поступает на диодный мост, состоящий из диодов VD1, VD5 и диодов основного силового выпрямителя VD11, VD12. Выпрямленный ток заряжает до амплитуды сетевого напряжения конденсатор C4. Терморезистор RK1 JNR10S470L ограничивает ток зарядки.
Через резисторы R1, R2, R5 и R6 напряжение с конденсатора C4 поступает в цепь питания контроллера преобразователя напряжения DA1 ТОР233Р.
С момента старта до нарастания напряжения на конденсаторе C10 до 5 В микросхема DA1 работает в автогенераторном режиме. Когда это напряжение достигнуто, открывается выходная цепь параллельного интегрального стабилизатора DA2 TL431ALP, что вызывает протекание тока через резистор R9 и излучающий диод оптрона U1. Открывшийся фототранзистор этого оптрона замыкает цепь управления микросхемы DA1, обеспечивая закрывание её выходного ключа и прекращение накопления энергии в магнитопроводе импульсного трансформатора T1. Пока этот ключ закрыт, накопленная энергия через вторичные обмотки трансформатора поступает в их нагрузки. На всех вторичных обмотках действуют гальванически развязанные между собой и от питающей сети напряжения. Более подробно с работой обратноходового преобразователя напряжения на микросхеме ТОР233Р можно ознакомиться в документе "TOP232-234 TOPSwitch-FX Family Design Flexible, EcoSmart®, Integrated Off-line Switcher" (URL: http://pdf.datasheetbank.com/pdf/ Power-Integrations/663 140.pdf (25.12.16)).
Блок управления и контроля выполнен на микроконтроллере DD1 ATmega48-20AU. Цепь C34R59 задерживает запуск микроконтроллера до установки стабильного уровня питающего напряжения. По окончании формируемого этой цепью импульса начинает работать с частотой 8 МГц внутренний тактовый RC-генератор микроконтроллера. Эту частоту задают при программировании конфигурации микроконтроллера.
Сетевое синусоидальное напряжение через резисторы R34 и R35 поступает на диодный мост VD24. Выпрямленный им пульсирующий ток течёт через излучающий диод оптрона U7, зашунтированный резистором R38. Вблизи перехода мгновенного значения сетевого напряжения через ноль ток через излучающий диод на некоторое время прекращается, а выходной транзистор оптрона U7 закрывается, что приводит к подаче синхронизирующего сигнала высокого логического уровня на вход PD2 микроконтроллера DD1.
Обрабатывая это событие, микроконтроллер с заданной задержкой устанавливает на своём выходе PB3 сигнал низкого уровня. Это вызывает протекание тока по цепи, состоящей из излучающего диода оптрона U2 и резистора R14. Фототранзистор оптрона U2 открывается, и сигнал c резистора R15 открывает p-канальный полевой транзистор VT1. Через открывшийся транзистор и резисторы R16 и R17 напряжение + 12 В с выпрямителя на диоде VD6 поступает в цепи управляющих электродов тринисторов Vs 1 и VS2. Тринисторы открываются.
Переменное сетевое напряжение поступает также на силовой мостовой выпрямитель, образованный диодами VD11 и VD12 и тринисторами VS1 и VS2. С момента их открывания и до смены полярности напряжения анод-катод, вызывающей закрывание тринисторов, происходит зарядка накопительного конденсатора C17. При каждом переходе питающего напряжения через ноль микроконтроллер уменьшает задержку открывания, поэтому зарядка происходит плавно. Её продолжительность (в рассматриваемом варианте - около 5 с) задана программно.
В случае возникновения аварийной ситуации микроконтроллер не формирует на выходе PB3 сигнал, разрешающий открывание тринисторов, вследствие чего они остаются закрытыми. Цепи R18C15 и R20C16 исключают ложные открывания тринисторов под воздействием помех.
Завершив плавную зарядку накопительного конденсатора C17, программа начинает формировать на выходах PB1 и PB2 микроконтроллера импульсы управления ключами мостового инвертора, следующие с частотой 20 кГц (она задана программно). Коэффициент заполнения импульсов регулируют переменным резистором R33 в интервале 0,1...0,9.
С этих выходов сигналы управления, взаимно задержанные на половину периода частоты 20 кГц, поступают в выполненные на оптронах U3-U6 узлы управления IGBT VT2-VT5. Поскольку эти узлы идентичны, на схеме рис. 1 развёрнуто показан только один из них, построенный на оптроне U3.
Он питается от обмотки IV трансформатора T1 выпрямленным диодом VD9 напряжением 25 В. Временные диаграммы, поясняющие его работу, изображены на рис. 3. Эмиттер управляемого этим узлом IGBT VT5 соединён с выходом интегрального стабилизатора отрицательного напряжения DA3. За счёт этого напряжение затвор-эмиттер IGBT, в зависимости от состояния оптрона, меняется от +18 В, при котором IGBT полностью открыт, до -7 В (IGBT надёжно закрыт).

Рис. 3. Временные диаграммы
Импульсы с выхода PB2 микроконтроллера через резистор R60 поступают на соединённые последовательно излучающие диоды оптронов U3 и U4, управляющих соответственно IGBT VT5 и VT2. Поэтому эти IGBT открываются одновременно. IGBT VT3 и VT4 в это время остаются закрытыми, поскольку импульс на выходе PB1 отсутствует. Ток протекает по цепи плюсовая обкладка конденсатора C17, открытый IGBT VT2, трансформатор тока T4, обмотка I трансформатора T5 (в направлении от конца к началу), открытый IGBT VT5, трансформатор тока T3, минусовая обкладка конденсатора C17. Это индуктирует на вторичных обмотках трансформатора T5 напряжения, приложенные плюсом к аноду диода VD21 и минусом к аноду диода VD22. Сварочный ток течёт по обмотке II трансформатора T5, открытому диоду VD21, дросселю L2 и по сварочной цепи.
В следующем полупериоде работы инвертора программа формирует импульс на выходе PB1 микроконтроллера, чем открывает IGBT VT3 и VT4. На выходе PB2 импульса нет, поэтому IGBT VT2 и VT5 закрыты. Ток протекает по цепи плюсовая откладка конденсатора C17, открытый IGBT VT4, обмотка I трансформатора T5 (в направлении от начала к концу), трансформатор тока T4, открытый IGBT VT3, трансформатор тока T2, минусовая обкладка конденсатора C17. Это индуктирует на вторичных обмотках трансформатора T5 напряжения, приложенные плюсом к аноду диода VD22 и минусом к аноду диода VD21. Сварочный токтечёт по обмотке III трансформатора T5, открытому диоду VD22, дросселю L2 и сварочной цепи.
Регулируют сварочный ток переменным резистором R33, установленным на передней панели инвертора. На вход ADC2 микроконтроллера через интегрирующую цепь R46C30 поступает напряжение, зависящее от положения движка этого переменного резистора. Резисторы R41, R42, R45, R47 служат для исключения возможности повреждения входа ADC2 микроконтроллера при обрыве в цепи переменного резистора R33. АЦП микроконтроллера преобразует поданное на вход ADC2 напряжение в код, а программа обрабатывает его и, в зависимости от полученного результата, изменяет коэффициент заполнения импульсов на выходах PB1 и PB2.
Трансформаторы тока T2 и T3 служат датчиками защиты от замыкания в нагрузке и сквозного тока IGBT. При возникновении аварийной ситуации напряжение на вторичных обмотках этих трансформаторов возрастает. После выпрямления диодными сборками VD25 или VD26 оно через резистивный делитель R48R49 (конденсатор С29 подавляет помехи) поступает на неинвертирующий вход компаратора DA7.1. Образцовое напряжение на его инвертирующем входе формирует резистивный делитель R54R55 с помехоподавляющим конденсатором С32 (оно же подано и на неинвертирующий вход компаратора DA7.2). При превышении сигналом, поступившим на вход 5, образцового напряжения (это происходит при протекании через первичные обмотки трансформаторов T2 или T3 тока более 30 А) на выходе компаратора DA7.1 формируется импульс высокого уровня. Через интегрирующую цепь R58C35, позволяющую избежать ложных срабатываний, он поступает на инвертирующий вход компаратора DA7.2. Если длительность аварийного импульса превысит 5 мс, то на вход PD3 микроконтроллера с выхода компаратора DA7.2 поступит сигнал, который запретит программе формирование управляющих импульсов на выходах PB1 и PB2.
Трансформатор тока T4 служит датчиком рабочего тока в обмотке I трансформатора T5. Выпрямленное мостом из диодов сборок VD23 и VD27 напряжение вторичной обмотки трансформатора T4 через интегрирующую цепь R52C31 поступит на вход ADC1 микроконтроллера. Оно будет измерено и обработано программно. При превышении измеренным током значения 25 А программа корректирует коэффициент заполнения импульсов управления IGBT.
Защита от перегрева выполнена на терморезисторе RK2 KTY81/210. От температуры зависят его сопротивление и уровень сигнала на входе ADC0 микроконтроллера. В случае превышения допустимой температуры программа уменьшает коэффициент заполнения импульсов на выходах PB1 и PB2 или вовсе прекращает их формирование до остывания терморезистора.
После подачи на микроконтроллер питания и запуска его внутреннего тактового генератора программа ожидает прихода на вход PD2 сигнала перехода мгновенного значения сетевого напряжения через нулевой уровень. По получении такого сигнала она запускает два внутренних таймера. Содержимое счётного регистра одного из них используется для управления скоростью зарядки конденсатора C17.
Второй таймер обслуживает защиту инвертора. Он перезапускает микроконтроллер при отсутствии в течение 10 мс сигнала перехода сетевого напряжения через нулевой уровень, в результате чего работа программы начинается заново. Через 9,95 мс с момента получения сигнала перехода через ноль программа подаёт сигнал открывания тринисторов, устанавливая высокий уровень на выходе PB3 микроконтроллера. По получении следующего такого сигнала уровень на выходе PB3 становится низким. Следующий сигнал открывания тринисторов будет подан через 9,9 мс, поэтому они останутся открытыми на 0,5 мс дольше. За счёт постепенного увеличения продолжительности открытого состояния тринисторов конденсатор C17 плавно заряжается. Примерно через 5 с микроконтроллер станет подавать сигнал открывания тринисторов непрерывно. Снят он будет только при пропадании напряжения в питающей сети или в ситуации "Авария".
До полной зарядки конденсатора C17 сигналы управления IGBT программа не формирует. По завершении его зарядки на выходах PB1 и PB2 микроконтроллера появляются последовательности импульсов, следующих с периодом 50 мкс, взаимно сдвинутые на полпериода (25 мкс). Длительность импульсов зависит от напряжения, поступающего на вход ADC2 микроконтроллера. Её минимальное значение - 2,5 мкс, максимальное - 22,5 мкс (остальные 2,5 мкс полупериода - минимальная пауза, необходимая для гарантированного закрывания ранее открытых IGBT).
Действие аварийной защиты основано на прекращении формирования сигналов управления IgBt в ситуациях "Авария", "Авария 2" и "Перегрев 2". Ситуация "Авария" возникает при повышении напряжения на входе ADC1 микроконтроллера. Это напряжение преобразуется в двоичный код. В зависимости от его значения длительность сигналов управления IGBT сначала плавно уменьшается, а если это не даёт результата, формирование импульсов совсем прекращается.
При поступлении сигнала высокого логического уровня на вход PD3 ситуация "Авария 2" возникает без задержки. Условие возникновения ситуации "Перегрев 2" - повышенное напряжение на входе ADC0 микроконтроллера. Оно также преобразуется в двоичный код, результатом анализа которого становится уменьшение длительности импульсов управления либо их полное выключение. После устранения причин возникновения аварийных ситуаций работа инверторного источника автоматически возобновляется.
Загрузочный файл программы микроконтроллера weld.hex приложен к
статье. Конфигурация микроконтроллера должна быть установлена следующей: расширенный байт - 0xFF, старший байт - 0xDD, младший байт - 0xE2. Программатор подключают к разъёму XP9.
Конструктивно основная часть деталей сварочного источникаразмещенана печатной плате размерами 140x92,5 мм, чертёж печатных проводников которой изображён на рис. 4.

Рис. 4. Печатная плата
C нижней стороны печатной платы (рис. 5) расположены элементы для поверхностного монтажа, а также диоды VD11 и VD12, тринисторы VS1 и VS2, IGBT VT2-VT5. На верхней стороне (рис. 6) - остальные элементы. Силовые цепи выполнены навесными проводами сечением не менее 2,5 мм2. Магнитопроводы трансформаторов тока T2, T3, T4 типоразмера К20х12х6 из феррита 2000НМ1 с вторичными обмотками, содержащими по 200 витков провода ПЭВ-2 диаметром 0,25 мм, надеты на эти провода.

Рис. 5. Элементы на печатной плате

Рис. 6. Элементы на печатной плате
Трансформатор T1 установлен на верхней стороне печатной платы. Его магнитопровод - кольцо типоразмера К24х13х7,5 из пермаллоя МП140, изолированное слоем лакоткани. Намоточные данные приведены в табл. 1, причём порядок, в котором наматывают обмотки, соответствует их номерам на схеме. Витки обмоток I, VI и VII распределены равномерно по всему периметру магнитопровода. Каждая из остальных обмоток намотана на своём сегменте магнитопровода и не перекрывается. Все обмотки изолированы лакотканью.
Таблица 1
Обмотка | Выводы | Число витков | Провод | Диаметр, мм (сечение, мм2) |
I | 13-14 | 117 | ПЭВ-2 | 0,25 |
II | 1-2 | 7 | ПЭВ-2 | 0,25 |
III | 3-4 | 29 | ПЭВ-2 | 0,25 |
IV | 5-6 | 29 | ПЭВ-2 | 0,25 |
V | 7-8 | 29 | ПЭВ-2 | 0,25 |
VI | 9-10 | 15 | МГТФ | (0,35) |
VII | 11-12 | 15 | МГТФ | (0,12) |
Дроссель L1 - EC24.
Конденсатор C17 закреплён над верхней поверхностью платы на стойках высотой 20 мм. Они прижимают к его выводам монтажные лепестки с припаянными к ним проводами, соединяемыми с выводами конденсатора. Для соединения силовых проводов с выводами IGBT VT2-VT5, тринисторов VS1 и VS2, диодов VD11 и VD12 на печатной плате предусмотрены контактные площадки с отверстиями. Эти элементы через изоляционные прокладки прижаты к блоку теплоотводов, как показано на рис. 7.

Рис. 7. Блок теплоотводов
Выходной трансформатор T5, дроссель L2, выпрямительные диоды VD21, VD22 размещены на отдельном блоке теплоотводов. Намоточные данные трансформатора T5 приведены в табл. 2. Его магнитопровод - Гам-мамет ГМ414 кл. 2 типоразмера ОЛ64х40х30. Первичная обмотка изолирована от магнитопровода и вторичных обмоток двойными слоями лакоткани.
Таблица 2
Обмотка | Выводы | Число витков | Провод | Диаметр, мм |
| I | 1-2 | 20 | ПЭВ-2 | 0,65x12 |
II | 3-4 | 5 | ПЭВ-2 | 0,65x24 |
III | 5-6 | 5 | ПЭВ-2 | 0,65x24 |
Обмотка дросселя L2 намотана на магнитопроводе ШЛМ20х32 из электротехнической стали толщиной 0,08 мм пакетом из пяти медных мягких лент толщиной 0,1 мм и шириной немного меньше высоты окна магнитопровода. Пакетом, изолированным лакотканью, сделано семь витков. Магнитопровод собран с немагнитным зазором длиной 1,8 мм.
Между блоками теплоотводов расположены два вентилятора типоразмера 80х80 мм от компьютерного блока питания, подключаемые к разъёмам XP1 и XP2. Один вентилятор обдувает трансформатор T5, дроссель L2 и конденсатор C17. Его воздушный поток направлен в сторону трансформатора T5. Второй вентилятор находится между блоками теплоотводов. Его воздушный поток направлен в сторону диодов VD21 и VD22.
Сетевой кабель ПВС 2х2,5 мм2 подключён к зажимам 1 и 3 (верхним) автоматического выключателя SA1. К зажимам 2 и 4 (нижним) этого выключателя подключены по два провода сечением 1,5 мм2. Один из проводов от зажима 2 соединён с анодом тринистора VS2, а другой - с катодом диода VD12 (через печатные проводники соединения между ними нет). Один из проводов от зажима 4 идёт к аноду тринистора VS1, а второй - к катоду диода VD11. Соединения между ними через печатные проводники тоже нет. Переменный резистор R33 регулировки тока установлен на передней панели корпуса и соединён с разъёмом XP8 жгутом из трёх проводов. Терморезистор RK2 закреплён на теплоотводе прижимной скобой.
Программу микроконтроллера можно найти здесь.
Авторы: А. Жарков, А. Старинов, г. Омск

