Радиолюбителю часто требуется регулируемое переменное напряжение. Обычно его получают с помощью лабораторного регулируемого автотрансформатора (ЛАТР). К сожалению, выход ЛАТР имеет гальваническую связь с сетью, а его подвижный электрод (ползунок) часто обгорает. Помимо порчи самого ползунка, это чревато и выходом из строя обмотки. Да и цена хорошего ЛАТР весьма высока, а изготовить его самостоятельно под силу немногим.
Есть давно известный способ регулировать напряжение на нагрузке, используя не автотрансформатор, а обычный трансформатор с несколькими вторичными обмотками, коммутируемыми переключателями. Такой трансформатор описан, например, в статье А. Терскова "С шагом в один вольт" ("Радио", 1993, № 9, с. 24, 25). Его выход гальванически не связан с сетью, а выходное напряжение можно регулировать с шагом 1 В от 0 до 255 В.
К сожалению, постоянная необходимость расчётов для правильной коммутации вторичных обмоток такого трансформатора на нужное напряжение затрудняет его использование. О монотонном увеличении или уменьшении напряжения мелкими ступенями при этом и говорить не приходится. Но самый главный недостаток такого решения - установка всего одного переключателя в неправильное положение может вывести нагрузку, особенно низковольтную, из строя.
Чтобы не допустить подобных неприятностей, а также упростить пользование трансформатором, разработано устройство, представленное ниже. Ставилась цель использовать детали, которые наверняка найдутся в запасах радиолюбителя. Блок можно и упростить, но об этом будет сказано далее.
Схема лабораторного трансформатора (без блока управления) изображена на рис. 1. От схемы из упомянутой выше статьи А. Терскова она отличается только тем, что ручные переключатели заменены электромагнитными реле. Их контактные группы K1.1-K8.1 соединены так, что при обесточенных обмотках всех реле напряжение на выходе отсутствует. Так сделано для того, чтобы при переходных процессах, возникающих при включении трансформатора в сеть, на выходе не появилось напряжение. Максимальное напряжение (255 В) на выходе будет только в том случае, если сработали все реле.

Рис. 1. Схема лабораторного трансформатора (без блока управления)
В отличие от оригинала, трансформатор T1 имеет дополнительную обмотку X с диодным выпрямительным мостом VD1 для питания обмоток реле и интегральным стабилизатором напряжения DA1 питания микросхем блока управления.
Блок управления, схема которого изображена на рис. 2, ставит в соответствие каждому из возможных значений выходного напряжения (от 0 до 255 В с шагом 1 В) восьмиразрядный (по числу реле, переключающих обмотки) двоичный код. Единица в любом разряде этого кода означает, что соответствующее реле должно сработать, ноль означает, что оно должно отпустить якорь.

Рис. 2. Схема блока управления
При напряжении на первичной обмотке трансформатора 230 В выходное напряжение в вольтах равно числу, установленному нажатиями на кнопки SB1 и SB2 на индикаторах HG1-HG3. Необходимость в процессе эксплуатации думать о правильной коммутации вторичных обмоток отпадает, что повышает удобство и оперативность установки нужного выходного напряжения.
Следует, правда, отметить, что блок управления не измеряет выходное напряжение, а только показывает на индикаторе его "теоретическое" значение. По этой причине, при отличии напряжения в сети от номинального и под влиянием нагрузки, фактическое выходное напряжение может отличаться от того значения, что показывают индикаторы.
Условно блок управления можно разделить на несколько функциональных узлов. Это - реверсивный счётчик на микросхемах DD2-DD4 с управляющей им логикой на микросхеме DD1, преобразователь кода на микросхеме РПЗУ DS1, блок индикации на микросхемах DD5-DD7.
На логическом элементе DD1.1 построен генератор импульсов частотой около 2 Гц. Элемент DD1.4 инвертирует сигнал генератора. Инверсия нужна для того, чтобы счётчики DD2-DD4 изменяли состояние при нажатии, а не при отпускании кнопок SB1 и SB2.
Регулируют напряжения кнопками SB1 (в сторону уменьшения) и SB2 (в сторону увеличения). Цепи R1C3и R3C4 подавляют дребезг контактов кнопок. Пока ни одна из кнопок не нажата, на управляющем входе генератора (выводе 1 DD1) установлен низкий логический уровень. При нажатии на кнопку SB1 на этот вход через резистор R9 и развязывающий диод VD4 поступает напряжение высокого уровня. Через некоторое время генератор запускается. Если на кнопку нажимать кратковременно, генератор не заработает, но на его выходе в ответ на каждое нажатие появится одиночный импульс. С каждым импульсом содержимое счётчика уменьшается на единицу.
Чтобы по достижении счётчиками нулевого состояния избежать их резкого перехода в состояние 999, при достижении нуля работу генератора блокирует через диод VD6 низкий логический уровень сигнала переполнения с вывода 7 счётчика DD4. Далее запуск генератора возможен только кнопкой SB2. Работа этой кнопки аналогична, но, помимо запуска генератора, она подаёт высокий уровень на входы управления направлением счёта (выводы 10) счётчиков DD2-DD4. По достижении максимального значения 255 уровень напряжения на выходе элемента DD1.3 становится низким и через диод VD3 блокирует работу генератора.
Поскольку устройство не должно реагировать на одновременное нажатие обеих кнопок, в него введён узел блокировки (резисторы R2, R6, R7). Напряжение с резистора R2 подано на вход разрешения счёта (вывод 5) счётчика DD2. Если нажаты обе кнопки, уровень этого напряжения становится высоким, что запрещает счёт импульсов.
Цепь R11C12 служит для обнуления счётчиков DD2-DD4 при подаче напряжения питания. Можно обнулить их в любой момент и нажатием на кнопку SB3. Поскольку выводы 9 счётчиков соединены с общим проводом, счётчики работают в десятичном режиме, формируя на выходах трёхзначное десятичное число в двоично-десятичном коде - заданное значение выходного напряжения. Это число поступает на адресные входы ППЗУ DS1. Каждому значению выходного напряжения в нём соответствует ячейка памяти, в которой записан двоичный эквивалент двоичнодесятичного числа. Например, по адресу 10 0011 0000 (двоично-десятичное представление числа 230) находится код 11100110 (двоичное число, равное десятичному 230).
Код с выходов РПЗУ DS1 подан на электронные ключи, собранные на транзисторах VT1 -VT8 и управляющие реле K1-K8. На рис. 2 представлена схема только одного ключа, остальные идентичны. Ключи на дискретных транзисторах можно заменить микросхемой КР1109КТ63 (ULN2803A), содержащей восемь таких ключей.
Число с выходов счётчиков поступает и на узел индикации, состоящий из преобразователей двоично-десятичного кода в "семиэлементный" DD5-DD7 и светодиодных индикаторов HG1-HG3. Индикатор HG3 показывает единицы, HG2 - десятки, а HG1 - сотни вольт.
На транзисторе VT9 выполнен узел гашения незначащего нуля в старшем разряде индикатора. Коллектор этого транзистора соединён с входом гашения индикации преобразователя кода DD7. Если счётчик DD4 содержит число 1 или 2, то в базовую цепь транзистора VT9 через диод VD18 или VD19 поступает напряжение высокого уровня, транзистор открыт, индикатор HG1 включён.
Аналогично на транзисторе VT10 построен узел гашения незначащего нуля на индикаторе HG2. Если число в счётчике DD3 отлично от нуля, на базу транзистора VT10 через диоды VD20- VD23 поступает напряжение высокого уровня. Низкий логический уровень на коллекторе VT10 разрешает работу преобразователя кода DD6 и индикатора HG2. Если в счётчике DD3 ноль, но открыт транзистор VT9 (в счётчике DD4 1 или 2), то на вход гашения индикации преобразователя кода DD6 напряжение низкого уровня поступает через диод VD24 с коллектора транзистора VT9.
От диодов VD18-VD23 можно было отказаться, подав в базовые цепи транзисторов VT9 и VT10 сигналы с выходов переполнения соответствующих счётчиков, но в этом случае погашенные незначащие нули будут вспыхивать при нажатиях на кнопку SB2.
При желании узел индикации можно исключить, а к выходу трансформатора подключить вольтметр переменного тока с пределом измерения 300 В. В этом случае можно удалить также микросхему РПЗУ и счётчик DD4, а оставшиеся два переключить на работу в двоичном режиме. Сигналы на транзисторные ключи, управляющие реле, в этом случае следует подавать с выходов счётчиков. Точность установки выходного напряжения при таком упрощении будет зависеть от погрешности вольтметра.
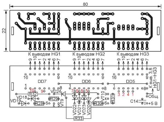
Печатная плата для блока управления не разрабатывалась, однако часть узлов можно разместить на печатных платах, представленных на рис. 3 и рис. 4. Они в своё время разработаны для других устройств, но подойдут и для представленного в статье. Остальные элементы можно смонтировать на макетной плате, соединив их выводы монтажным проводом. Блокировочные конденсаторы C5-C10 устанавливают непосредственно на выводах питания микросхем. Обратите внимание, что на рис. 3 выделены цветом номера точек подключения платы индикации к выходам счётчиков. Эти номера совпадают с номерами проводов соответствующего жгута на схеме рис. 2.

Рис. 3. Печатная плата блока управления

Рис. 4. Печатная плата блока управления
В устройстве применены резисторы МЛТ, все конденсаторы - импортные. Вместо транзисторов КТ315Г можно применить любые транзисторы той же серии. Кроме того, транзисторы КТ315Г (VT1-VT8) можно заменить на 2SС945, а остальные - на любые маломощные n-p-n транзисторы. Диоды КД522А можно заменить на КД521, КД510 с любыми буквенными индексами или на 1N4148. Замена диодов КД243В - широко распространённые диоды 1N4007. Возможность замены микросхем серий К176 и К561 их импортными аналогами не проверялась. Микросхему КР573РФ5 перед установкой в устройство необходимо запрограммировать. Допускается её замена на импортную серии 2716 или 27С16.
Кнопки и переключатели могут быть любыми. Реле использованы импортные RAS-1215, их можно заменить другими с рабочим напряжением обмотки 12 В и с контактами на переключение, способными коммутировать нужный ток нагрузки. Сопротивление обмотки применённых реле - 400 Ом.
Трансформатор T1 может быть намотан по рекомендациям А. Терскова, но с дополнительной обмоткой X на напряжение 10 В, намотанной проводом диаметром не менее 0,4 мм. Но вместо магнитопровода ПЛ 25x50x100 лучше применить магнитопровод ШЛ близкого сечения - гораздо проще наматывать обмотки не на двух, а на одном каркасе.
Налаживание устройства состоит в подборке, если нужно, частоты генератора на элементе DD1.1. При указанных на схеме номиналах элементов она - около 2 Гц. Слишком высокой эту частоту устанавливать не следует, поскольку будут сильно искрить и подгорать контакты реле. Желательно также проверить правильность программирования ПЗУ. При установке на индикаторах HG1-HG3 значения выходного напряжения на выходах РПЗУ DS1 должен появляться двоичный код этого числа.
Если необходимо, можно ускорить установку напряжения, введя дополнительный переключатель SA1 и кнопку SB4 согласно схеме, показанной на рис. 5. При показанном на ней положении переключателя SA1 устройство работает как обычно. При включении режима быстрой установки все реле будут выключены, что сделает напряжение на выходе трансформатора нулевым. Кнопкой SB4 подключают параллельно резистору R5 резистор R35, увеличивая этим частоту генератора приблизительно в пять раз. Теперь можно быстро установить на индикаторе нужное значение, а затем, вернувшись в обычный режим, получить на выходе требуемое напряжение.

Рис. 5. Схема включения переключателя SA1 и кнопки SB4
Эксплуатацию трансформатора с описанным блоком управления сопровождает такое неприятное явление, как подгорание контактов реле (чему, впрочем, подвержены и ползунок ЛАТР, и переключатели). Если нагрузка трансформатора содержит индуктивную составляющую (например, двигатель или другой трансформатор), то может потребоваться зашунтировать контакты реле защитными RC-цепями (на схеме рис. 1 не показаны). Как вариант, можно устанавливать напряжение без нагрузки, а нагрузку подключать после, тогда подгорания контактов не будет.
В заключение отмечу, что применение описанного блока управления не ограничено только лабораторным трансформатором, его можно использовать, например, в блоке питания. В этом случае на трансформаторе следует оставить только первичную обмотку, вторичные обмотки II-VII и X и пять реле (K1 - K5). Можно будет устанавливать напряжение от 1 до 31 В с шагом 1 В, чего для большинства лабораторных блоков питания вполне достаточно.
Файлы программирования РПЗУ DS1 в нескольких форматах с одинаковым содержимым можно скачать здесь.
Автор: Е. Герасимов, станица Выселки Краснодарского края
