Автор статьи предлагает регулируемый источник питания (драйвер) для двух последовательно включённых светодиодных модулей F6040.
О регуляторе яркости для светодиодных модулей F6040 [1] и о самом модуле было подробно рассказано в 2]. В частности, там приведены экспериментальные зависимости напряжения на модуле от протекающего через него тока. Эти зависимости показывают, что для обеспечения максимальной яркости свечения на модуль надо подавать постоянное напряжение 200...210 В. Но предназначен он для питания от сети 230 В, поэтому с целью уменьшения пульсаций яркости необходим выпрямитель со сглаживающим конденсатором сравнительно большой ёмкости [2]. В этом случае на выходе выпрямителя будет постоянное напряжение около 300 В, и лишними оказываются 90...100 В, которые станут падать на микросхемах драйвера светодиодного модуля. В результате он начнёт дополнительно и существенно разогреваться, что сокращает срок его службы и потребует дополнительного теплоотвода.
Если к упомянутому выше выпрямителю подключить два модуля F6040, соединённых последовательно, их свечение будет очень слабым, поскольку напряжения 300 В для них недостаточно. Для выхода на крейсерский режим им надо добавить около 100 В, т. е. повысить напряжение питания с 300 В примерно до 400 В. Сделать это можно с помощью относительно несложного повышающего преобразователя напряжения, необязательно стабилизированного. А если сделать такой преобразователь регулируемым, это обеспечит возможность оперативно изменять яркость свечения светодиодных модулей.
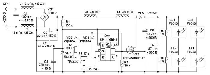
Схема такого регулятора показана на рис. 1. В его состав входят выпрямитель на диодном мосте VD1, сглаживающий конденсатор С2, генератор импульсов с регулируемой скважностью на микросхеме таймера DA1, ключ на полевом транзисторе VT1, накопительные дроссели L3, L4 и выпрямитель на диоде VD5 со сглаживающими конденсаторами С6 и С7, от которых питаются светодиодные матрицы EL1-EL4.

Рис. 1. Схема регулятора
Для подавления помех, поступающих в сеть, служит LC-фильтр C1C3L1L2. Одновременно дроссели L1 и L2, имеющие сравнительно большое активное сопротивление, служат ограничителями зарядного тока конденсатора С2. Генератор импульсов питается от параметрического стабилизатора напряжения R1VD2. Резистор R4 соединяет затвор транзистора с истоком на время, пока генератор не заработал. Резисторы R5 и R6 обеспечивают полную разрядку конденсаторов С6 и С7 после отключения регулятора от сети.
Сразу после подключения к сети генератор не работает, транзистор VT1 закрыт, конденсаторы с2, С3, С6 и С7 быстро заряжаются до напряжения около 300 В. Через некоторое время, необходимое для зарядки конденсатора С4, начинает работать генератор импульсов. Когда транзистор открывается, через дроссели L3, L4 протекает ток и в их магнитном поле запасается энергия, пропорциональная времени протекания тока. Это время равно длительности импульса на выходе генератора. Когда транзистор закрывается, на его стоке возникает импульс ЭДС самоиндукции, который выпрямляет диод VD5, и в результате конденсаторы С6 и С7 заряжаются до напряжения более 300 В. Напряжение на этих конденсаторах увеличивается пропорционально току, протекающему через дроссели, но, конечно, с учётом того, что вольт-амперная характеристика светодиодных матриц - нелинейная. При увеличении длительности импульса генератора будет расти и выпрямленное напряжение, а значит, ток и яркость свечения светодиодных модулей.
Регулируют яркость переменным резистором R3. Благодаря применению КМОП-тай-мера КР1446ВИ1 ток, потребляемый генератором вместе с параметрическим стабилизатором, не превышает 2 мА. Поскольку основная часть напряжения питания светодиодных модулей поступает непосредственно от сети 230 В, мощность собственно преобразователя может быть в несколько раз меньше суммарной мощности светодиодных модулей.
Большинство элементов установлено на печатной плате из фольгированного с одной стороны стеклотекстолита толщиной 1,5...2 мм, чертёж которой показан на рис. 2. По углам платы сделаны вырезы для стоек пластмассового корпуса, в котором она установлена (рис. 3). Размеры корпуса регулятора - 80x58x40 мм.

Рис. 2. Печатная плата регулятора и размещение элементов на ней

Рис. 3. Установка монтажной платы в корпусе
В регуляторе яркости применены постоянные резисторы МЛТ или импортные, переменный резистор - СПО, СП4-1, оксидные конденсаторы - импортные, конденсатор С5 - керамический, С1 - плёночный, рассчитанный на работу в сети 230 В, остальные - плёночные серии К73 или импортные от ЭПРАКЛЛ. Микросхему КР1446ВИ1 можно заменить аналогичным КМОП-таймером ICM7555. Диодный мост можно применить любой с допустимым обратным напряжением не менее 400 В и максимальным прямым током не менее 1 А, взамен него допустимо применить отдельные диоды, например 1N4007. Стабилитрон - любой маломощный с напряжением стабилизации 8...12 В. Диоды КД510А можно заменить диодами серий КД522, 1N4148. Диод FR155P можно заменить быстродействующим выпрямительным диодом HER106- HER108, HER206-HER208.
Применён полевой транзистор STP4NK60ZFP от импульсного ИП. Особенность этого транзистора - наличие защитных стабилитронов между выводами затвора и истока, что повышает надёжность его работы. Этот транзистор можно заменить мощным переключательным полевым транзистором с допустимым напряжением сток-исток не менее 500 В и сопротивлением открытого канала не более нескольких ом, например, IRF840 или IRFBC40. Но тогда между затвором и истоком надо установить маломощный стабилитрон (катодом к затвору) с напряжением стабилизации на 1...2 В больше, чем напряжение стабилизации стабилитрона VD2.
Дроссели L1, L2 - от ЭПРА КЛЛ, они намотаны на гантелеобразных ферри-товых магнитопроводах диаметром 8 мм и высотой 10 мм. Можно применить аналогичные или заменить их постоянными резисторами сопротивлением 5...10 Ом и мощностью 0,25 Вт. Дроссели L3, L4 - индуктивностью по 3,6 мГн намотаны на Ш-образном ферритовом магнитопроводе от ЭПРА КЛЛ. Размеры одного дросселя (без выводов) - 14x12x12 мм. Два последовательно соединённых дросселя применены для того, чтобы уменьшить электрическую нагрузку на каждый из них вдвое, что повышает надёжность всего устройства.
После проверки работоспособности плату со стороны печатных проводников следует покрыть лаком с хорошими изоляционными свойствами. Для соединения со светодиодными матрицами надо применить провода в надёжной изоляции. Поскольку каждый модуль F6040 снабжён выпрямительным мостом, полярность их подключения не имеет значения.
Налаживание проводят в следующей последовательности. Сначала проверяют работу генератора импульсов. Для этого на конденсатор С4 с соблюдением полярности подают напряжение от лабораторного БП. Это напряжение должно быть меньше напряжения стабилизации стабилитрона VD2, чтобы через него не протекал ток. Движок резистора R2 устанавливают в нижнее по схеме положение и осциллографом контролируют напряжение на затворе полевого транзистора. В правом по схеме положении движка резистора R3 длительность импульса должна быть минимальной - около 0,5 мкс, период следования - 50...60 мкс. В левом положении - длительность импульса 10 мкс, период следования - около 50 мкс.
Затем устанавливают движок резистора R3 в правое по схеме положение, отключают Бп, подключают нагрузку - светодиодные модули и подают на регулятор сетевое напряжение. Модули должны светить не на полную яркость. В этом положении регулятора напряжение на светодиодных модулях около 360 В. При перемещении движка резистора R3 влево по схеме яркость модулей должна увеличиваться. Уставив движок этого резистора в крайнее левое положение, подстроечным резистором R2 устанавливают номинальный потребляемый модулями ток (максимальное регулируемое напряжение). Для измерения тока, потребляемого от сети регулятором, удобно использовать устройство, описание которого приведено в [3].
Измерение пульсаций яркости показало, что они не превышают пульсаций ламп накаливания. Для их уменьшения следует увеличить ёмкость конденсаторов С2 и С6. Светодиодные модули должны быть установлены на эффективные теплоотводы, поскольку от этого зависит срок их службы.
Этот регулятор можно использовать совместно с другими аналогичными светодиодными модулями суммарной мощностью не более 80 Вт, в том числе, например, серии F4054 (аналог - 4054FSTM), предназначенными для освещения рассады, а также со светодиодными лампами, у которых драйвер выполнен на микросхемах-ограничителях тока. Для увеличения мощности регулятора надо применить более мощные накопительные дроссели, сильноточные диоды, а транзистор установить на теплоотвод.
Чертёж печатной платы в формате Sprint LayOut размещён здесь.
Литература
1. Светодиодная матрица 6040-F2525 20 Вт. - URL:https://sestek.ru/id/ svetodiodnaya-matrica-6040-f2525-20vt--1700-lm--cob-6000k-175-265v-ac-pf0-9-60x40mm--220v-2309.html (30.04.20).
2. Нечаев И. Уменьшение пульсаций яркости светодиодного модуля F6040 и регулятор яркости для него. - Радио, 2020, №5, с. 44-48.
3. Нечаев И. Измерение тока потребления сетевых электроприборов. - Радио, 2016, №3, с. 40.
Автор: И. Нечаев, г. Москва
