При сборке Li-Ion аккумуляторов в батарею возникает проблема, что плата BMS (Battery Management System) контроля состояния и защиты аккумуляторов в батарее часто неадекватно реагирует на аккумуляторы с разной степенью заряженности и разряженности. Было замечено, что эта плата при зарядке производит контроль по ячейкам с максимальным напряжением и отключает зарядку по достижении напряжения на аккумуляторе 4,25 В, а в батарее могут остаться недозаряженные аккумуляторы с напряжением 3,9 В. Аналогичная проблема возникла с разрядкой, плата BMS ориентируется на ячейку с минимальным напряжением. Поэтому перед сборкой батареи желательно иметь аккумуляторы с одинаковыми напряжением и ёмкостью. Простой способ зарядить все аккумуляторы до номинального напряжения - использовать зарядное устройство. Но ещё желательно подобрать аккумуляторы с одинаковым внутренним сопротив-лением, а для этого нужно "навороченное" зарядно-разрядное устройство, например серии IMAX или подобное.
Но тут возникают обоснованные сомнения - зачем покупать то, что ты можешь сделать сам, тем более в хозяйстве завалялись все комплектующие для сборки, а некоторые уже покрылись пылью? Да и в готовый прибор уже сложно внести какие-либо изменения, а в свой при желании можно добавить любые возможности. В результате на суд радиолюбительской общественности предлагается описание устройства, которое заряжает аккумуляторы, измеряет их внутреннее сопротивление, ток зарядки и разрядки, а при полном цикле разрядки/зарядки измеряет ёмкость аккумулятора.
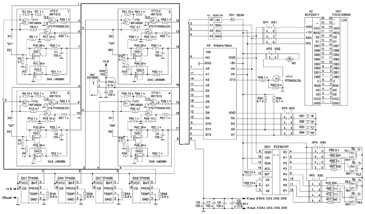
Рис. 1. Схема устройства (по клику крупно)
Схема этого устройства показана на рис. 1. Центральным узлом является модуль Arduino Nano (а2), который производит измерения, вычисления, вывод на индикатор измеренных параметров, а также управляет всеми остальными узлами. Устройство рассчитано на четыре ячейки для зарядки аккумуляторов, а поскольку аппаратная часть там одинаковая, опишем узлы только одной ячейки 1 (для зарядки аккумулятора G1). Через транзистор VT1 с выхода микросхемы DA1 подаётся напряжение для зарядки аккумулятора G1 .Эта микросхема ограничивает ток зарядки аккумулятора на уровне 500 мА, подборкой резистора R19 его можно изменить. Но его максимальное значение зависит от блока питания, какой ток сможет обеспечить он. У меня применён блок питания от Raspbery Pi4, рассчитанный на выходное напряжение 5 В и ток 3 А. У микросхемы TP4056 есть возможность программировать ток зарядки, но для этого надо добавить ещё одну микросхему PCF8574 и несколько резисторов, и тогда можно будет, в зависимости от числа установленных аккумуляторов, регулировать ток зарядки, как в некоторых зарядных устройствах. Но поскольку у меня устройство для балансировки и подбора аккумуляторов, было решено ограничиться одним номиналом зарядного тока.
Транзистор VT3 через резистор R8 производит разрядку аккумулятора током примерно 750 мА. В микросхеме DA2 два ОУ, на первом (DA2.1) собран неинвертирующий усилитель, с помощью которого контролируется ток зарядки, второй (DA2.2) - инвертирующий, с его помощью контролируется ток разрядки. Оба ОУ усиливают напряжение, возникающее на резисторе R2. Поскольку при разрядке аккумуляторов на резисторах R8, R13, R37, R39 выделяется много тепла, в устройстве установлен датчик температуры ВК1 на микросхеме DS18B20, при повышении температуры внутри корпуса выше 40 оС модуль А2 подаёт напряжение на затвор транзистора VT11, включается вентилятор М1 и прогоняет воздух сквозь корпус устройства для охлаждения нагрузочных резисторов. Если проверяется ёмкость одного или двух аккумуляторов, желательно устанавливать их в средние ячейки, поскольку датчик температуры расположен посередине и он быстрее реагирует на нагрев ближайших нагрузочных резисторов. Поскольку АЦП модуля десятиразрядный и не обеспечивает точности измерения напряжения Li-Ion аккумуляторов, был применён модуль А1 ADS1115 с шестнадцатиразрядным АЦП, диод VD1 производит развязку по питанию модуля А1 от всего устройства. Без этого диода напряжение установленного аккумулятора через внутренние элементы модуля А1 поступает на линию питания всего устройства, и оно включается, а это надо исключить.
С помощью микросхемы DD1 (PCF8574R) модуль А2 управляет светодиодами HL1 и HL2, которые индицируют, что в данный момент происходит с аккумуляторами, зарядка или разрядка. Через модуль А3 MCP23017 преобразования последовательного кода шины I2C в параллельный модуль А2 выводит информацию о каждом аккумуляторе на дисплей HG1 FDCG12864B. Такое техническое решение обусловлено тем, что у меня много лет лежат без движения указанные дисплеи, которым не находилось применения. Модули А1, А3 и микросхема DD1 управляются модулем А2 по шине I2C. Режим работы устройства устанавливается с помощью четырёх кнопок SB1-SB4.
Работает устройство следующим образом. При включении происходит инициализация подключённых модулей, балансир контролирует наличие установленных аккумуляторов в ячейки и ждёт действий оператора. По таймеру 1 в микроконтроллере модуля А2 каждые 100 мс происходит опрос состояния кнопок, а также устанавливаются все временные интервалы, применённые в устройстве. При подключении аккумулятора в ячейку загорается зелёный светодиод соответствующей ячейки, микроконтроллер измеряет напряжение аккумулятора в подключённой ячейке и выводит параметр на дис-плей, пустые ячейки игнорируются и на дисплей выводятся нули. Обновление информации на дисплее происходит примерно каждые 3 с. На рис. 2 показана информация, выводимая на дисплей, в отличие от некоторых других аналогичныхустройств, здесь выводится информация по всем четырём ячейкам одновременно, начиная с верхней строчки.

Рис. 2. Информация, выводимая на дисплей
1.Зарядка аккумулятора в процентах.
2.Напряжение аккумулятора.
3.Ёмкость аккумулятора (увеличивается в процессе зарядки аккумулятора).
4.Ток зарядки/разрядки аккумулятора.
5.Внутреннее сопротивление аккумулятора.
6.Мощность.
7.Пусто.
8.Время процесса в часах и минутах.
Кнопками можно включить один из четырёх режимов работы устройства. Кнопкой SB1 "В" включают режим балансировки аккумуляторов. Все четыре аккумулятора включаются на разрядку, и при достижении заданного предела ячейка отключается, затем следующая и так, пока не будет отключена последняя ячейка. Для установки напряжения отключения надо включить устройство и, не устанавливая аккумуляторы, нажать на кнопку SB1. На дисплей выводится напряжение отключения, которое можно изменять кнопками SB2 (увеличение) и SB4 (уменьшение). Нажатием на кнопку SB1 продолжительностью более 3 с сохраняют параметр в EEPROM, при этом на 0,5 с включаются красные светодиоды.
Кнопкой SB2 "Z" включают режим зарядки аккумуляторов, включается красный светодиод в ячейке с установленным аккумулятором и при достижении напряжения зарядки 4,2 В ячейка отключается от зарядки, гаснет красный и загорается зелёный светодиод.
Кнопкой SB3 "C" включают режим измерения ёмкости аккумуляторов. Ячейка с установленным аккумулятором включается на разрядку, включаются красный и зелёный светодиоды, в результате получится жёлтый. При достижении напряжения 2,7 В ячейка включается на зарядку с включением красного светодиода. Во время зарядки производятся отсчёт времени, измерение напряжения и тока зарядки, и по измеренным параметрам производится вычисление накопленного в аккумуляторе заряда в мА·ч с выводом информации на дисплей. При достижении напряжения на аккумуляторе 4,2 В ячейка отключается от зарядки с включением зелёного светодиода.
Кнопкой SB4 "R" включают режим измерения внутреннего сопротивления аккумулятора, микроконтроллер измеряет и запоминает напряжение на аккумуляторе без нагрузки, затем подключает нагрузочный резистор и через 10 с измеряет напряжение на аккумуляторе. Затем отключает нагрузочный резистор и вычисляет внутреннее сопротивление аккумулятора, выводит полученное значение на дисплей и переходит к следующей ячейке, пустые ячейки игнорируются.
Продолжение следует
Автор: В. Киба, г. Волжский Волгоградской обл.

