Автор поставил перед собой задачу создать простое универсальное устройство для зарядки любых малогабаритных аккумуляторов и их батарей различных типов, ёмкости и номинального напряжения.
Аккумуляторы сегодня очень распространены, но зарядные устройства для них, имеющиеся в продаже, как правило, не универсальны и слишком дороги. Предлагаемое устройство предназначено для зарядки аккумуляторных батарей и отдельных аккумуляторов (в дальнейшем используется термин "батарея") с номинальным напряжением 1,2...12,6 В и током от 50 до 950 мА. Входное напряжение устройства - 7...15 В. Ток потребления без нагрузки - 20 мА. Точность поддержания тока зарядки - ±10 мА. Устройство имеет ЖКИ и удобный интерфейс для установки режима зарядки и наблюдения за её ходом.
Реализован комбинированный метод зарядки, состоящий из двух этапов. На первом этапе батарею заряжают неизменным током. По мере зарядки напряжение на ней растёт. Как только оно достигнет заданного значения, наступит второй этап - зарядка неизменным напряжением. На этом этапе зарядный ток постепенно снижается, а на батарее поддерживается заданное напряжение. Если напряжение по какой-либо причине упадёт ниже заданного, автоматически вновь начнётся зарядка неизменным током.
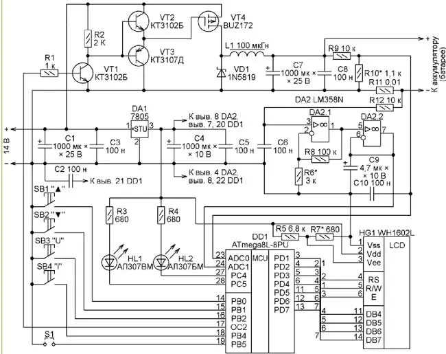
Схема зарядного устройства изображена на рис. 1.

Рис. 1. Схема зарядного устройства
Его основа - микроконтроллер DD1. Он тактирован от внутреннего RC-генератора частотой 8 МГц. Использованы два канала АЦП микроконтроллера. Канал ADC0 измеряет напряжение на выходе зарядного устройства, а канал ADC1 - зарядный ток.
Оба канала работают в восьмиразрядном режиме, точности которого для описываемого устройства достаточно. Максимальное измеряемое напряжение - 19,9 В, максимальный ток - 995 мА. При превышении этих значений на экране ЖКИ HG1 появляется надпись "Hi".
АЦП работает с образцовым напряжением 2,56 В от внутреннего источника микроконтроллера. Чтобы иметь возможность измерять большее напряжение, резистивный делитель напряжения R9R10 уменьшает его перед подачей на вход ADC0 микроконтроллера.
Датчиком зарядного тока служит резистор R11. Падающее на нём при протекании этого тока напряжение поступает на вход ОУ DA2.1, который усиливает его приблизительно в 30 раз. Коэффициент усиления зависит от соотношения сопротивлений резисторов R8 и R6. С выхода ОУ напряжение, пропорциональное зарядному току, через повторитель на ОУ DA2.2 поступает на вход ADC1 микроконтроллера.
На транзисторах VT1-VT4 собран электронный ключ, работающий под управлением микроконтроллера, формирующего на выходе ОС2 импульсы, следующие с частотой 32 кГц. Коэффициент заполнения этих импульсов зависит от требуемых выходного напряжения и зарядного тока. Диод VD1, дроссель L1 и конденсаторы С7, С8 преобразуют импульсное напряжение в постоянное, пропорциональное его коэффициенту заполнения.
Светодиоды HL1 и HL2 - индикаторы состояния зарядного устройства. Включённый светодиод HL1 означает, что наступило ограничение выходного напряжения. Светодиод HL2 включён, когда идёт нарастание зарядного тока, и выключен, когда ток не изменяется или падает. В ходе зарядки исправной разряженной батареи сначала будет включён светодиод HL2. Затем светодиоды станут поочерёдно мигать. О завершении зарядки можно судить по свечению только светодиода HL1.
Подборкой резистора R7 устанавливают оптимальную контрастность изображения на табло ЖКИ.
Датчик тока R11 можно сделать из отрезка высокоомного провода от спирали нагревателя или от мощного проволочного резистора. Автор использовал отрезок провода диаметром 0,5 мм длиной около 20 мм от реостата.
Микроконтроллер ATmega8L-8PU можно заменить любым из серии ATmega8 с тактовой частотой 8 МГц и выше. Полевой транзистор BUZ172 следует установить на теплоотвод с площадью охлаждающей поверхности не менее 4 см2. Этот транзистор можно заменить другим p-канальным с допустимым током стока более 1 А и малым сопротивлением открытого канала.
Вместо транзисторов КТ3102Б и КТ3107Д подойдёт и другая комплементарная пара транзисторов с коэффициентом передачи тока не менее 200. При правильной работе транзисторов VT1-VT3 сигнал на затворе транзистора должен быть аналогичен показанному на рис. 2.

Рис. 2. График сигнала на затворе
Дроссель L1 извлечён из компьютерного блока питания (он намотан проводом диаметром 0,6 мм).
Конфигурация микроконтроллера должна быть запрограммирована в соответствии с рис. 3. Коды из файла V_A_256_16.hex следует занести в память программ микроконтроллера. В EEPROM микроконтроллера должны быть записаны следующие коды: по адресу 00H - 2СН, по адресу 01H - 03H, по адресу 02H - 0BEH, по адресу 03H -64H.

Рис. 3. Программирование микроконтроллера
Налаживание зарядного устройства можно начинать без ЖКИ и микроконтроллера. Отключите транзистор VT4, а точки подключения его стока и истока соедините перемычкой. Подайте на устройство напряжение питания 16 В. Подберите резистор R10 таким, чтобы напряжение на нём находилось в пределах 1,9...2 В. Можно составить этот резистор из двух, соединённых последовательно. Если источника напряжения 16 В не нашлось, подайте 12 В или 8 В. В этих случаях напряжение на резисторе R10 должно быть соответственно около 1,5 В или 1 В.
Вместо батареи подключите к устройству последовательно амперметр и мощный резистор или автомобильную лампу. Изменяя напряжение питания (но не ниже 7 В) или подбирая нагрузку, установите ток через неё равным 1 А. Подберите резистор R6 таким, чтобы на выходе ОУ DA2.2 было напряжение 1,9...2 В. Как и резистор R10, резистор R6 удобно составить из двух.
Отключите питание, подключите ЖКИ и установите микроконтроллер. К выходу устройства присоедините резистор или лампу накаливания 12 В на ток около 0,5 А. При включении устройства на ЖКИ будут выведены напряжение на его выходе U и ток зарядки I, а также напряжение ограничения Uz и максимальный ток зарядки Iz. Сравните значения тока и напряжения на ЖКИ с показаниями образцовых амперметра и вольтметра. Вероятно, они будут различаться.
Выключите питание, установите перемычку S1 и вновь включите питание. Для калибровки амперметра нажмите и удерживайте кнопку SB4, а кнопками SB1 и SB2 установите на ЖКИ значение, ближайшее к показываемому образцовым амперметром. Для калибровки вольтметра нажмите и удерживайте кнопку SB3, а кнопками SB1 и SB2 установите на ЖКИ значение, равное показываемому образцовым вольтметром. Не выключая питания, снимите перемычку S1. Калибровочные коэффициенты будут записаны в EEPROM микроконтроллера для напряжения по адресу 02H, а для тока - по адресу 03H.
Выключите питание зарядного устройства, установите на место транзистор VT4, а к выходу устройства подключите автомобильную лампу на 12 В. Включите устройство и установите Uz=12 В. При изменении Iz должна плавно меняться яркость свечения лампы. Устройство готово к работе.
Требуемый зарядный ток и максимальное напряжение на батарее устанавливают кнопками SB1 "▲", SB2 "▼", SB3 "U", SB4 "I". Интервал изменения зарядного тока - 50...950 мА с шагом 50 мА. Интервал изменения напряжения - 0,1...16 В с шагом 0,1 В.
Для изменения Uz или Iz нажмите и удерживайте соответственно кнопку SB3 или SB4, ас помощью кнопок SB1 и SB2 установите требуемое значение. Через 5 с после отпускания всех кнопок установленное значение будет записано в EEPROM микроконтроллера (Uz - по адресу 00H, Iz - по адресу 01H). Следует иметь в виду, что удержание кнопки SB1 или SB2, нажатой более 4 с, увеличивает скорость изменения параметра приблизительно в десять раз.
Программу микроконтроллера можно скачать здесь.
Автор: В. Нефёдов, г. Брянск
