В статье рассматривается принципиальная схема источника бесперебойного питания (ИБП) под российско-итальянским брэндом N-Power. Однако маломощные ИБП этой торговой марки производились на китайских заводах, и их качество, мягко говоря, оставляет желать лучшего. Поэтому отказы этих устройств не являются редкостью. А что самое ценное при ремонте электронного устройства? Конечно же, наличие принципиальной схемы.
Принцип работы
Источник бесперебойного питания N-Power SVP625 (Smart-Vision Prime) мощностью 625 ВА относится к системам линейно-интерактивного типа. Этот тип систем предполагает, что ИБП переходит на питание от аккумуляторов только в случае пропадания сетевого питающего напряжения или при значительном отклонении напряжения от номинального диапазона значений. В состав любого линейно-интерактивного источника входит модуль автоматической регулировки выходного напряжения (англ. - AVR), который позволяет повышать или понижать входное сетевое напряжение на фиксированную величину, в результате выходное напряжение остается в заданном диапазоне значений. Наличие AVR приводит к тому, что ИБП значительно реже переходит на работу от аккумуляторов, что положительно сказывается на ресурсе батарей.

Рис. 1. Форма выходного тока ИБП

Рис. 2. Внутренняя компоновка ИБП
N-Power SVP-625 при работе от аккумуляторов формирует на своем выходе импульсное переменное напряжение (рис. 1), о чем в рекламных буклетах производитель умалчивает. UPS оснащен коммуникационным интерфейсом USB для мониторинга и управления. Внутренняя компоновка источника питания представлена на рис. 2, на котором видно, что в качестве силового трансформатора используется тороидальный трансформатор, к преимуществам использования которого можно отнести следующие:
- повышение КПД;
- снижение уровня шума;
- улучшение массогабаритных показателей;
- снижение токов холостого хода в 10...20 раз;
- уменьшение электромагнитных полей рассеяния в несколько раз. Назначение обмоток трансформатора и общая схема его подключения представлены на рис. 3. Конфигурация обмоток трансформатора является достаточно традиционной для линейно-интерактивных ИБП данного класса. Можно считать, что имеется три обмотки:
- Силовая низковольтная обмотка, ток в которой формируется инвертором в момент перехода на работу от аккумуляторов. В среднюю точку этой обмотки подается напряжение с аккумулятора. Поочередное переключение силовых ключей инвертора формирует ток то в одном, то в другом плече этой обмотки, в результате чего и создается выходной переменный ток. Провод этой обмотки имеет максимальное сечение. Средний вывод обмотки обозначается красным проводом, а крайние выводы - черным и белым проводами (достаточно часто встречаются трансформаторы, в которых вместо белого провода используется синий).

Рис. 3. Назначение обмоток трансформатора и общая схема его подключения
- Высоковольтная силовая обмотка, подключенная к входу-выходу ИБП. К этой обмотке прикладывается сетевое питающее переменное напряжение 220 В или наоборот, на этой обмотке формируется выходное напряжение ИБП при работе от аккумуляторов. Эта обмотка совмещена с обмоткой автоматического регулятора напряжения AVR, и вместе они представляют собой автотрансформатор. На обмотке AVR формируется напряжение, уровень которого составляет примерно 13% от уровня сетевого напряжения, и это напряжение добавляется к сетевому, или вычитается из него. Другими словами, модуль AVR представляет собой автотрансформатор, обмотка которого подключается синфазно или противофазно в зависимости от того, что требуется сделать - повысить или понизить выходное напряжение относительно входного.
- Дополнительная (вторичная) обмотка, к которой подключается зарядное устройство или схема фиксации (клампирования). Когда сетевое напряжение присутствует, ЭДС, наведенная на этой дополнительной обмотке, используется для заряда аккумулятора. Когда же сетевое напряжение пропадает, и ИБП переходит на работу от аккумулятора, эта обмотка используется для фиксации на нулевом уровне выходного напряжения ИБП в моменты между "отрицательными" и "положительными" полуволнами (рис. 4).

Рис. 4. Эпюра выходного напряжения ИБП с фиксированным нулевым уровнем
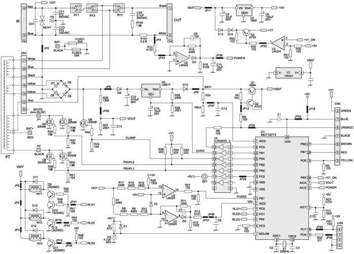
В целом, схемотехника рассматриваемого ИБП не отличается какими-либо интересными решениями, все реализовано традиционно, как и в подавляющем большинстве аналогичных устройств других производителей. Конструктивно вся схема ИБП выполнена на одной печатной плате типа PB-000SC-1КОМ-V80 (рис. 5). Принципиальная схема этой платы представлена на рис.6. На самом деле в этом UPS есть еще одна печатная плата (на рис. 5 она справа), которая запаивается в основную плату. На этой дополнительной плате находится контроллер USB, выполняющий функцию коммуникации с персональным компьютером.

Рис. 5. Внешний вид печатной платы PB-000SC-1КОМ-V80
Рис. 6. Принципиальная электрическая схема ИБП (по щелчку крупно)
Далее мы проведем анализ схемотехники этого ИБП по принципиальной электрической схеме (рис. 6) и отметим его основные узлы.
Схемотехника и назначение основных узлов
Входные и выходные цепи
Эти цепи служат для фильтрации сетевых помех и защиты нагрузки, подключенной к ИБП, от бросков сетевого напряжения. Фильтрация осуществляется конденсаторами CX1, CX2, CY1, CY2 (рис. 6). Защита от повышенного напряжения обеспечивается варистором MOV1. Здесь же находятся коммутирующие реле RY1, RY2 и RY3. Реле RY1является входным, оно своими контактами замыкает или размыкает вход с выходом. Когда сетевое напряжение находится в допустимом диапазоне значений, контакты реле замкнуты и входное сетевое напряжение передается на выход ИБП. Когда же сетевое напряжение пропадает или выходит за допустимые границы, контакты RY1 размыкается, отключая выход ИБП от входа. Реле RY2 и RY3 относятся к модулю AVR и позволяют подключить обмотку автотрансформатора синфазно или противофазно сетевому напряжению.
Датчик выходной мощности
Он позволяет измерять величину выходного тока, протекающего через нагрузку, подключенную к ИБП. В качестве измерительного элемента в этой схеме используется низкоомный резистор R101 (0,2 Ом). Резистор установлен таким образом, что весь выходной ток ИБП протекает через него, в результате на резисторе создается падение напряжения, прямо пропорциональное силе тока в нагрузке. Таким образом, напряжение, полученное на резисторе, соответствует мощности нагрузки, подключенной к выходу ИБП. Выпрямление и сглаживание напряжения, снимаемого с резистора R101, осуществляется схемой на базе операционного усилителя (ОУ) LM324 (вход - выв. 5 и 6 ИМС U2). На выходе схемы датчика мощности формируется сигнал POWER, который подается на аналоговый вход (выв. 1) микропроцессора U1 типа MDT10P73.
Датчик входного напряжения
Этот датчик позволяет измерить величину сетевого напряжения, и, естественно, оценить его наличие. С входного разъема IN (CN2) берется сетевое напряжение (сигнал HOT), которое далее через ограничительные резисторы R7-R10 подается на вход операционного усилителя LM324 (выв. 9 и 10 U2). Схема на основе этого операционного усилителя выпрямляет и сглаживает входное напряжение, в результате чего формируется сигнал постоянного тока VIN, подаваемый на аналоговый вход микропроцессора AIC0 (выв. 2 U1). Уровень сигнала VIN прямо пропорционален напряжению питающей сети.
Датчик частоты и фазы питающей сети
Позволяет измерить частоту переменного тока питающей сети и его фазу. С входного разъема IN (CN2) берется сетевое напряжение (сигнал HOT), которое далее через ограничительные резисторы R17, R18, R19 подается на вход ОУ LM324 (выв. 12 и 13 U2). В результате на выходе операционного усилителя формируется импульсное напряжение (сигнал PHASE). Частота и фаза этих импульсов соответствует частоте и фазе переменного тока сети. Эти импульсы подаются на вход микропроцессора PB1 (выв. 21 U1).
Зарядное устройство
Этот узел представляет собой линейный стабилизатор. В качестве источника энергии зарядное устройство использует ЭДС, наводимую в дополнительной обмотке силового трансформатора (контакты 4 и 3 разъема CN1) в периоды, когда сетевое напряжение номинальное. Снимаемое с этой обмотки переменное напряжение выпрямляется диодным мостом (D5-D8), после чего дополнительно выпрямляется диодом D9 и сглаживается конденсатором С15. Для получения необходимого зарядного напряжения величиной около 14,5 В используется интегральный стабилизатор LM317 (U5). Величина его выходного напряжения, а соответственно, и величина зарядного напряжения, определяется резистивным делителем R28 R29. Зарядное устройство управляется сигналом CHRG, который формируется микропроцессором на выв. 22 PB1. Этот сигнал разрешает (высоким уровнем) или запрещает (когда установлен в низкий уровень) работу зарядного устройства. Напряжение, прикладываемое к аккумулятору, на схеме обозначено как BAT+.
Датчик выходного напряжения
Он контролирует величину напряжения на выходе ИБП во время резервной работы от аккумулятора. Для оценки выходного напряжения используется ЭДС, наведенная на дополнительной обмотке силового трансформатора PT (контакты 4 и 3 разъема CN1). Снимаемое с этой обмотки переменное напряжение выпрямляется диодным мостом D5-D8, и через делитель R26 R27 подается на аналоговый вход микропроцессора AIC4 (выв. 7 U2). Сигнал VOUT прямо пропорционален выходному напряжению ИБП.
Датчик заряда аккумулятора
Этот датчик позволяет оценить величину напряжения на аккумуляторе. Он представляет собой обычный резистивный делитель напряжения R2x R2xx. Делитель подключается к контакту аккумуляторной батареи (BAT+). С этого делителя напряжение, пропорциональное напряжению на аккумуляторе, подается на аналоговый вход AIC2 микропроцессора U1 (выв. 4).
Пусковая цепь
Эта цепь обеспечивает запуск ИБП при нажатии кнопки на панели управления. Пусковой кнопке соответствует контакт 4 соединительного разъема CN4. В момент нажатия на кнопку открываются транзисторы Q1 и Q2, в результате чего напряжение аккумулятора VBAT прикладывается к стабилизатору напряжения +5 В, выполненному на микросхеме типа 7805 (U4). От этого стабилизатора питается микропроцессор U1. После запуска микропроцессора открытое состояние транзисторов Q1, Q2 и управление ими обеспечивается выходным сигналом микропроцессора PC5 (выв. 16 U1). Этим сигналом, например, микропроцессор выключает ИБП при получении команды через коммуникационный интерфейс или при значительном разряде аккумуляторной батареи во время резервного режима работы. В момент запуска (при открытых транзисторах Q1, Q2) также начинает вырабатываться напряжение +V1, необходимое для управления силовыми транзисторами инвертора.
Инвертор
Инвертор обеспечивает формирование переменного тока на выходе ИБП в резервном режиме. Он построен по схеме двухтактного преобразователя, часто называемого Push-Pull. Преобразователь создает ток в низковольтной силовой обмотке трансформатора PT. В среднюю точку этой обмотки подается напряжение аккумулятора. Для создания переменного тока транзисторы инвертора должны переключаться поочередно с частотой 50 Гц. Одно "плечо" двухтактного преобразователя образовано парой параллельно включенных транзисторов Q4, Q5, а второе плечо - транзисторами Q6, Q7. Такое параллельное включение транзисторов позволяет увеличить мощность схемы. Поочередное включение транзисторов обеспечивается сигналами PSHPL1 и PSHPL2, которые микропроцессор формирует в резервном режиме на своих выходах - выв. 23 и 24.
Схема клампирования
Схема предназначена для формирования нулевого уровня в выходном напряжении ИБП во время работы инвертора. Такая фиксация осуществляется шунтированием дополнительной обмотки силового трансформатора в соответствующие моменты времени. Шунтирование обеспечивается транзистором Q8, который управляется сигналом CLAMP, формируемым на выходе микропроцессора PB4 (выв. 25 U1). Алгоритм формирования переменного тока с "паузой на нуле" демонстрирует рис. 7.

Рис. 7. Эпюры для пояснения принципа работы схемы фиксации нулевого уровня
Микропроцессор
Он управляет источником бесперебойного питания в соответствии с микропрограммой, "прошитой" в его внутренней энергонезависимой памяти EEPROM. Микропроцессор типа MDT10P73 установлен в контактную панель. Наличие внутренней прошивки делает микропроцессор уникальным, что приводит к значительным сложностям при его неисправности и необходимости замены. Процессор также имеет встроенную оперативную память, АЦП, стек, таймеры, тактовый генератор и другие узлы. Он работает на тактовой частоте 20 МГц, которая задается кварцевым резонатором X1.
Датчик температуры
Он позволяет измерить температуру внутри корпуса ИБП. Это необходимо для предотвращения аварийных режимов работы ИБП и аварийных режимов заряда-разряда аккумулятора. В качестве датчика температуры используется термистор TH1. Сигнал с этого датчика подается на аналоговый вход микропроцессора AIC1 (выв. 3 U1).
Коммуникационный интерфейс
Обеспечивает связь с печатной платой, на которой находится контроллер USB. Эта небольшая печатная плата впаивается в четырехконтактный разъем USB.
Панель управления
Лицевая панель управления подключается к разъему CN4. Ее светодиоды-индикаторы управляются микропроцессором (выв. 27, 28,15 U1). Кнопка панели управления выведена на контакт 4 разъема CN4.
Буферный каскад
Позволяет усиливать сигналы, формируемые микропроцессором для управления некоторыми цепями. Буферный каскад реализован на микросхеме U3 типа ULN2003A, которая представляет собой сборку из семи усилителей Дарлингтона. Эта микросхема выполняет очень важную функцию, обеспечмвая "развязку" между микропроцессором и силовыми каскадами. Так, например, при выходе из строя транзисторов инвертора сборка U3 не должна "пропустить" импульсы повышенного напряжения и тока на микропроцессор, предотвращая, тем самым, его отказ.
"Пищалка"
Этот узел (на схеме обозначен BZ1) формирует предупреждающие звуковые сигналы при аварийных режимах и во время работы от аккумулятора. Управление "пищалкой" осуществляет микропроцессор с выв. 13 (PC2).
Неисправности ИБП
В заключение необходимо сказать несколько слов о неисправностях этой модели ИБП. Так как UPS N-Power имеют не такое распространение, как, например, источники бесперебойного питания APC или IPPON, большого разнообразия отказов автору статьи наблюдать не пришлось. Все встретившиеся неисправности были связаны с инвертором, а именно, с пробоем силовых транзисторов Q4-Q7. При этом в обязательном порядке перегорают предохранители FUSE1 и FUSE2 (оба по 25 А). В некоторых случаях пробой транзисторов инвертора приводил к выходу из строя микросхемы U3, что было очень хорошо заметно по ее корпусу. Справедливости ради следует отметить, что наличие буфера U3 защитило микропроцессор U1 от такой же участи.
Автор: Алексей Конягин (г. Пенза)
Источник: Ремонт и сервис

