Многие из распространённых недорогих удлинителей-разветвителей сетевого напряжения 230 В переменного тока имеют невысокое качество изготовления, малый срок службы, малое сечение соединительных проводов и пожароопасны, поскольку их основания розеток часто сделаны из нетермостойкой пластмассы, а металлические контакты этих розеток быстро расшатываются, ослабевают, не обеспечивая плотного контакта с вставленными в них сетевыми вилками. По этой причине часто приходится приобретённый сетевой удлинитель промышленного изготовления, насколько это возможно, дорабатывать. Альтернативный вариант - изготовить сетевой удлинитель самостоятельно, который будет иметь намного лучшее качество, повышенную безопасность и большую функциональность, чем готовые покупные удлинители.
Схема самодельного сетевого удлинителя показана на рис. 1 . Для его изготовления были приобретеныдве сдвоенные розетки размерами 103x63x30 мм для наружной электропроводки, имеющие керамическое основание.

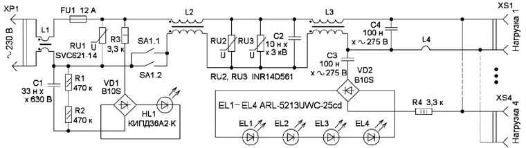
Рис. 1. Схема самодельного сетевого удлинителя
Сила прижима имеющихся в них металлических контактов увеличена с помощью дополнительно установленных в них производителем стальных пружин. Похожую конструкцию имели старые сетевые розетки, выпускавшиеся в СССР. Кроме того, приобретённые электророзетки имеют полностью изолированный пластмассовый корпус - защитные верхнюю и нижние крышки, что повышает безопасность их использования и делает их применение более удобным. Удлинитель рассчитан на общий ток подключённых устройств до 10 А.
Удлинитель оснащён вилкой XP1, на которую подаётся сетевое напряжение ~230 В. Для защиты устройства от перегрузки установлена плавкая вставка FU1. Нагрузки подключают к розеткам XS1-XS4. На элементах C1, R1-R3, VD1, HL1 собран индикатор включения устройства в сеть. Светодиод HL1 светит при наличии напряжения питания переменного тока и исправности вставки FU1. На дросселях L1-L3, варисторах RU1-RU3 и конденсаторах C2, C4 реализован сетевой фильтр напряжения, который уменьшает негативное влияние импульсных помех, как поступающих из сети, так и создаваемых подключёнными к удлинителю устройствами.
На элементах C3, R4, VD2 и светодиодах EL1-EL4 реализован узел светильника, сверхъяркие светодиоды которого светят при замкнутых контактах выключателя SA1. Проволочная петля L4 предназначена для бесконтактного измерения токовыми клещами общего потребляемого переменного тока подключённых к розеткам устройств.
Выключатель SA1, плавкая вставка FU1 и индикаторный узел C1R1R2R3VD1HL1 смонтированы в корпусе телефонной розетки размерами 58x42x24 мм. Она и обе сетевые сдвоенные розетки закреплены на металлической пластине из нержавеющей стали толщиной 0,8 мм и размерами 260x68 мм. Между корпусами всех розеток и стальной пластиной клеем "БФ-19" приклеены два слоя плотной плетёной стеклоткани. Стальная пластина перед склеиванием обработана крупнозернистой наждачной бумагой. Все склеиваемые поверхности очищают ацетоном. К нижней стороне стальной пластины цианакрилатным клеем приклеены шесть ножек из микропористой резины. Нижние крышки розеток приклеены к стеклоткани клеем "Квинтол". Розетки закреплены на стальном основании винтами M4. Вместо основания из нержавеющей стали подойдёт дюралюминиевая пластина толщиной 1...2 мм. На верхние и боковые крышки розеток в местах нахождения контактов розеток XS1 - XS4 и плавкой вставки можно приклеить такую же стеклоткань, воздушных зазоров между склеиваемыми поверхностями быть не должно.

Рис. 2. Вид на монтаж элементов
Вид на монтаж элементов показан на рис. 2. Установленные в удлинитель детали приклеены выводами разведённым в ацетоне полистиролом. Во избежание деформирования декоративных пластмассовых корпусов розеток клей наносится небольшими дозами в несколько этапов. Вид конструкции в сборе показан на рис. 3.

Рис. 3. Вид конструкции в сборе
Все электрические цепи, по которым будет протекать ток подключённых нагрузок, нужно сделать многожильным монтажным проводом в ПВХ изоляции с сечением по меди не менее 1,2 мм2. Сетевой провод и токовая петля L4 сделаны проводом в двойной изоляции. Поскольку винтовые зажимы розеток могут со временем ослабевать, соединительные провода желательно дополнительно припаять к контактам этих розеток.
Резисторы R3, R4 - невозгораемые, они помещены в защитные ПВХ-трубки. Дисковый варистор SVC621-14 в этом устройстве можно заменить любым из MYG14-621, FNR-14K621, FNR-14K621, GNR14D621K, INR14D751, ZNR14K751, S14K420, TVR14750. Вместо варисто-ров INR14D561 подойдут любые из MYG14-561, FNR-14K561, GNR14D561K. На все варисторы нужно надеть силиконовые колпаки или поместить их в термоусаживаемые трубки. Конденсатор C2 - керамический на постоянное напряжение не менее 2 кВ. Конденсаторы C1, C3 - плёночные на напряжение не менее 250 В переменного тока или не менее 630 В постоянного тока. Вместо миниатюрных диодных мостов B10S подойдут любые из B1S-B8S, DF005S-DF10S, КЦ407А, КЦ422А- КЦ422Г, 2Д906, КД906. Диодные мосты можно заменить включёнными по мостовой схеме диодами серий КД521, КД522, 1 N4148, PMLL4148 и другие аналогичные. Вместо светодиода КИПД36А2-К можно установить любой с повышенной светоотдачей. Сверхъяркие светодиоды ARL-5213UWC-25cd белого свечения можно заменить любыми аналогичными, желательно одинаковыми, например, RL50-WH744D, RL80-WH744D, ARL-5113UWC-17cd, ARL-5213UWC-17cd-BS, ARL-5213UWC-20cd-S, ARL-5213UWC-20cd-NS. Ток через эти светодиоды в этом устройстве - около 7 мА. Можно установить и большее число последовательно включённых одинаковых светодиодов. Для испытания узла светильника выводы конденсатора C3 временно соединяют проволочной перемычкой. Вход удлинителя подключают к лабораторному блоку питания постоянного тока, и, регулируя его выходное напряжение от 10 до 30 В, проверяют светодиоды на одновременное включение и выключение. Если некоторые светодиоды будут включаться заметно позднее, их следует заменить. После проверки работоспособности узла светильника не забудьте снять с конденсатора C3 временную перемычку.
Выключатель SA1 - рокерный на ток до 15 А с одной группой контактов или не менее 7 А с двумя группами. Учитывайте, что указанный на таких переключателях предельный ток может не соответствовать действительности. При работе с максимальным током нагрузки корпус этого переключателя не должен заметно нагреваться. Плавкая вставка FU1 - длиной 30 мм. Применение обычных предохранителей длиной 20 мм нежелательно, поскольку они могут заметно нагреваться при токе более 3 А. Контакты плавкой вставки не должны иметь следов окислов. Контакты для установки вставки дополнительно усилены круглыми стальными пружинами, которые увеличивают стягивающее усилие. Возможно применение предохранителей длиной 25 мм серии BS1362, которые обычно монтируют в сетевые вилки. Вместо одноразового плавкого предохранителя можно установить однофазный автоматический на ток 10...15 А. Дроссель L1 представляет собой ферритовый цилиндр длиной 24.40 мм, надетый на провод питания. Для его фиксации использованы ПВХ-изолента, клей "Квинтол-люкс" и термоусаживаемые трубки. Дроссели L2, L3 содержат по 3...5 витков сложенного вдвое монтажного провода в ПВХ изоляции, намотанных на кольцах из низкочастотного феррита или пермаллоя диаметром 16...30 мм.
При замкнутых контактах выключателя SA1 и отсутствии подключённых нагрузок устройство потребляет от сети ток около 15 мА. Мощные электронагревательные приборы, работающие продолжительное время, желательно подключать к электросети без применения удлинителей с разъёмными соединителями. Некоторые устаревшие плазменные и ЖК-телевизоры с большим дисплеем могут иметь большой ток включения, при подключении к этому удлинителю нескольких таких телевизоров и при одновременном их включении возможно срабатывание предохранителя FU1.
Автор: А. Бутов, с. Курба Ярославской обл.
